Magna Concursos

Foram encontradas 1.145 questões.

1022418 Ano: 2015
Disciplina: Segurança e Saúde no Trabalho (SST)
Banca: AOCP
Orgão: EBSERH

É direito dos trabalhadores urbanos e rurais, a existência de um ambiente de trabalho seguro. A Constituição Federal assegura aos trabalhadores o direito de redução de riscos inerentes ao trabalho, por meio de normas de saúde, higiene e segurança. Neste sentido, no ano de 2.011, foi disposta, através do decreto nº 7.602, a Política Nacional de Segurança e Saúde no Trabalho – PNSST. São responsáveis pela sua implementação e execução os Ministérios do Trabalho e Emprego, da Saúde e da Previdência Social. De acordo com a PNSST, compete ao Ministério do Trabalho e Emprego

 

Provas

Questão presente nas seguintes provas
1022417 Ano: 2015
Disciplina: Direito Previdenciário
Banca: AOCP
Orgão: EBSERH
De acordo com a Lei nº 8.213, de 1.991, é possível afirmar que NÃO é equiparado ao acidente do trabalho
 

Provas

Questão presente nas seguintes provas
1022416 Ano: 2015
Disciplina: Segurança e Saúde no Trabalho (SST)
Banca: AOCP
Orgão: EBSERH

Em relação às atribuições e competências dos Serviços Especializados em Engenharia de Segurança e em Medicina do Trabalho (SESMT) e da Comissão Interna de Prevenção de Acidentes (CIPA), assinale a alternativa correta.

 

Provas

Questão presente nas seguintes provas
1022415 Ano: 2015
Disciplina: Engenharia Elétrica
Banca: AOCP
Orgão: EBSERH
Provas:
Em um sistema de anestesia com filtro valvular, qual(is) é/são a(s) principal(is) funções da cal sodada (cal com hidróxido de sódio)?
 

Provas

Questão presente nas seguintes provas
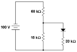
1022369 Ano: 2015
Disciplina: Engenharia Eletrônica
Banca: AOCP
Orgão: EBSERH
Provas:
Considerando os diodos reais na terceira aproximação, determine Vo2 para o circuito a seguir.
Enunciado 1022369-1
 

Provas

Questão presente nas seguintes provas
1022368 Ano: 2015
Disciplina: Engenharia Eletrônica
Banca: AOCP
Orgão: EBSERH
Provas:
Qual é o valor do módulo da tensão sobre o diodo no circuito a seguir?
Enunciado 1022368-1
 

Provas

Questão presente nas seguintes provas
1022367 Ano: 2015
Disciplina: Engenharia Eletrônica
Banca: AOCP
Orgão: EBSERH
Provas:
O que há de errado com o circuito a seguir?
Enunciado 1022367-1
 

Provas

Questão presente nas seguintes provas
1022366 Ano: 2015
Disciplina: Engenharia Elétrica
Banca: AOCP
Orgão: EBSERH
Provas:
Qual equipamento está representado no seguinte diagrama em blocos?
Enunciado 1022366-1
 

Provas

Questão presente nas seguintes provas
1022365 Ano: 2015
Disciplina: Engenharia Elétrica
Banca: AOCP
Orgão: EBSERH
Provas:
Do ponto de vista elétrico, eletrocirurgia pode ser definida como o uso de corrente elétrica para dessecar, cortar ou provocar hemostasia (efeito de estancar uma hemorragia) em tecido.Tendo em vista o gráfico a seguir que representa o limiar da perda de controle motor (corrente de let-go) para homens de 70 kg (em % de probabilidade), assinale a alternativa correta.
Enunciado 1022365-1
 

Provas

Questão presente nas seguintes provas
1022364 Ano: 2015
Disciplina: Engenharia Elétrica
Banca: AOCP
Orgão: EBSERH
Provas:
Deseja-se associar 2 transformadores trifásicos em paralelo. Para isso, tais transformadores devem possuir qual característica?
 

Provas

Questão presente nas seguintes provas