Foram encontradas 1.145 questões.
A ABNT NBR 12693:2013 “Sistemas de proteção por extintor de incêndio” define distância máxima a ser percorrida como a distância máxima real, em metros, a ser percorrida pelo operador, do ponto de fixação do extintor a qualquer ponto da área protegida por ele. A distância máxima a ser percorrida é definida em função dos seguintes itens:
Provas
Questão presente nas seguintes provas
Podemos definir as grandezas luminotécnicas fundamentais como: fluxo luminoso, intensidade luminosa, iluminância e luminância. Os símbolos e unidades dessas grandezas são, respectivamente,
Provas
Questão presente nas seguintes provas
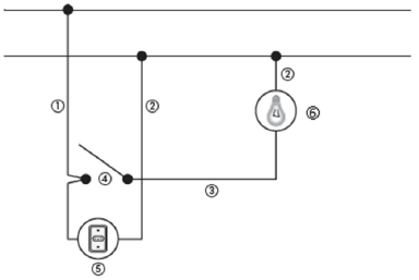
Sabendo-se que temos uma “fase” e um “neutro” para energização do circuito a seguir, com ligação (fiação) elétrica para interruptor (4) com tomada (5) e lâmpada (6), identifique corretamente as ligações necessárias para os condutores, indicadas pelos números 1, 2 e 3, para o adequado funcionamento da instalação de acordo com as normas brasileiras.

Provas
Questão presente nas seguintes provas
Uma das ferramentas do programa computacional AutoCAD é a automatização das linhas de cotas dos objetos em que, por meio do menu Format Dimension Style, é possível definir os atributos das linhas de dimensões. No menu Dimension Style,
Provas
Questão presente nas seguintes provas
O programa computacional AutoCAD possui comandos de modificação de objetos. Assinale a alternativa que especifica os comandos representados na figura a seguir, da esquerda para a direita.

Provas
Questão presente nas seguintes provas
A ABNT NBR 8160:1999 “Sistemas prediais de esgoto sanitário – Projeto e execução” estabelece as exigências e recomendações relativas ao projeto, execução, ensaio e manutenção dos sistemas prediais de esgoto sanitário. De acordo com essa NBR, assinale a alternativa correta.
Provas
Questão presente nas seguintes provas
Considerando o “Iceberg de custos da tecnologia”, quais são alguns dos custos indiretos a serem levados em conta na aquisição de um equipamento biomédico, além do preço de venda, tendo em vista um bom custo-benefício?
Provas
Questão presente nas seguintes provas
Tendo em vista o gerenciamento de risco em equipamentos biomédicos, quais são alguns dos fatores que podem vir a contribuir para a ocorrência de um evento adverso?
Provas
Questão presente nas seguintes provas
Com foco na gestão de tecnologias em saúde, o engenheiro clínico, ao receber um equipamento recém-adquirido (comprado) pelo EAS onde presta serviço, deve seguir, no mínimo, três atividades básicas que são:
Provas
Questão presente nas seguintes provas
Na grande maioria dos EAS, o oxigênio é fornecido na forma líquida (criogênica) a, aproximadamente, -196°C. Considerando que também existe o fornecimento de oxigênio na forma gasosa, à temperatura ambiente, qual seria a principal vantagem do fornecimento de tal gás na forma líquida?
Provas
Questão presente nas seguintes provas
Cadernos
Caderno Container