Foram encontradas 100 questões.
Assinale a alternativa que apresenta uma inadequação com relação às regras de separação silábica.
Provas
Questão presente nas seguintes provas
Leia:
Muitas pessoas não consultam a embalagem dos produtos para saber quando vence o prazo de validade.
Com relação ao período acima, podemos afirmar que
Provas
Questão presente nas seguintes provas
Na interface de comunicação serial dos microcontroladores da família MCS-51, a denominação SCON refere-se ao
Provas
Questão presente nas seguintes provas
No circuito abaixo, calcule a tensão de Thevenin (V\( _{TH} \)) e a resistência de Thevenin (R\( _{TH} \)). Obs.: valores das resistências em OHMS.

Provas
Questão presente nas seguintes provas
Leia:
Jamais se deve prescindir dessa dádiva que é a faculdade de sonhar,_____________ seja lícito recuar ante o engano de se buscar erigir monumentos nas nuvens.
Qual das alternativas abaixo completa a lacuna do período de maneira que fique expressa nele uma relação de concessão?
Provas
Questão presente nas seguintes provas
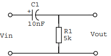
Assinale a alternativa que apresenta a freqüência de corte aproximada do circuito abaixo. Obs.: valor da resistência em OHMS.

Provas
Questão presente nas seguintes provas
Assinale a alternativa incorreta com relação ao emprego do pronome.
Provas
Questão presente nas seguintes provas
Todos os homens devem morrer – Rubem Alves
A notícia da morte voa rápido, ignorando o espaço. Chega dura como golpe de ferro que migalha o tempo. As agendas, mensageiras do tempo, dissolvem-se no ar. Aquele dia não lhes pertence. Naquele dia somente uma coisa faz sentido: chorar.
O poeta W. H. Auden chorou: “Que os relógios sejam parados, que os telefones sejam desligados, que se jogue um osso ao cão para que não ladre mais, que o piano fique mudo e o tambor anuncie a vinda do caixão e seu cortejo atrás. Que os aviões, gemendo acima em alvoroço, escrevam contra o céu o anúncio: ele morreu. Que as pombas guardem luto — um laço no pescoço — e os guardas usem finas luvas cor-de-breu. É hora de apagar as estrelas — são molestas —, hora de guardar a lua, desmontar o sol brilhante, de despejar o mar e jogar fora as florestas...”.
A notícia chegou e me faz chorar. O Waldo César morreu. A morte há muito já se anunciara. Não sei os detalhes. Sei que há cerca de três anos ele se recolheu em um lugar que muito amava, na companhia de árvores, riachos e bichos.
Será que ele já sabia?
Os que ainda não sabem que vão morrer falam sobre as banalidades do cotidiano. Mas aqueles que sabem que vão morrer vêem as coisas do cotidiano como “brumas e espumas”. Por isso preferem a solidão. Não querem que o seu mistério seja profanado pela tagarelice daqueles que ainda não sabem.
O corpo de um morto: presença de uma ausência. Mário Quintana brincou com sua própria morte dizendo o epitáfio que deveria ser escrito no seu túmulo: “Eu não estou aqui...”.
Se não está ali, por onde andará? Essa foi a pergunta que Cecília Meireles fez à sua avó morta: “Onde ficou o teu outro corpo? Na parede? Nos móveis? No teto? Inclinei-me sobre o teu rosto, absoluta como um espelho. E tristemente te procurava. Mas também isso foi inútil, como tudo o mais”.
Também o olhar, para onde foi? O velho Bachelard também procurava sem encontrar a resposta: “A luz de um olhar, para onde ela vai quando a morte coloca seu dedo frio sobre os olhos de um morto?”.
Por não saberem a resposta, os amigos conversam. Falam sobre memórias de alegria que um dia foram a substância de uma amizade. Falam procurando o sentido da ausência. Para exorcizar o medo...
O Waldo amava a vida. Amava a vida porque conhecia a morte. Já a experimentara na morte trágica da Ana Cristina, sua filha poeta, e de sua companheira Maria Luiza. Mas ele triunfava sobre o horror da morte pela magia da música. Assentava-se ao órgão e tocava seu coral favorito: “Todos os homens devem morrer”, de Bach.
De todas as artes, a música é a que mais se parece conosco. Para existir, ela tem de estar sempre a morrer. Nesse preciso momento fez-se silêncio no meu apartamento. Antes havia música, a Sonata ao Luar. Mas, uma vez realizada a sua perfeição, Beethoven a matou com dois acordes definitivos. Tudo o que é perfeito precisa morrer. Creio que foi dessa proximidade musical com a morte que o Waldo encontrou o seu desejo de viver intensamente.
O corpo morto do meu amigo me fez pensar sobre a beleza da vida. Por isso, como ele, volto-me para Bach. E é isso que vou fazer: vou ouvir o cd “Bach”, que o Grupo de Dança “O Corpo” dançou. Se o Waldo estiver por perto, ele parará para ouvi-lo e conversaremos em silêncio...
Quanto à organização das idéias do texto, é correto afirmar que
Provas
Questão presente nas seguintes provas
O _______________ consiste em um importante registrador da Unidade Central de Processamento, o qual contém o endereço de memória da instrução subseqüente que deverá ser lida e executada pelo microprocessador.
Provas
Questão presente nas seguintes provas
Calcule a corrente instantânea quando o ângulo θ = 210° para a onda de corrente CA da figura abaixo.

Provas
Questão presente nas seguintes provas
Cadernos
Caderno Container