Foram encontradas 100 questões.
Todos os homens devem morrer – Rubem Alves
A notícia da morte voa rápido, ignorando o espaço. Chega dura como golpe de ferro que migalha o tempo. As agendas, mensageiras do tempo, dissolvem-se no ar. Aquele dia não lhes pertence. Naquele dia somente uma coisa faz sentido: chorar.
O poeta W. H. Auden chorou: “Que os relógios sejam parados, que os telefones sejam desligados, que se jogue um osso ao cão para que não ladre mais, que o piano fique mudo e o tambor anuncie a vinda do caixão e seu cortejo atrás. Que os aviões, gemendo acima em alvoroço, escrevam contra o céu o anúncio: ele morreu. Que as pombas guardem luto — um laço no pescoço — e os guardas usem finas luvas cor-de-breu. É hora de apagar as estrelas — são molestas —, hora de guardar a lua, desmontar o sol brilhante, de despejar o mar e jogar fora as florestas...”.
A notícia chegou e me faz chorar. O Waldo César morreu. A morte há muito já se anunciara. Não sei os detalhes. Sei que há cerca de três anos ele se recolheu em um lugar que muito amava, na companhia de árvores, riachos e bichos.
Será que ele já sabia?
Os que ainda não sabem que vão morrer falam sobre as banalidades do cotidiano. Mas aqueles que sabem que vão morrer vêem as coisas do cotidiano como “brumas e espumas”. Por isso preferem a solidão. Não querem que o seu mistério seja profanado pela tagarelice daqueles que ainda não sabem.
O corpo de um morto: presença de uma ausência. Mário Quintana brincou com sua própria morte dizendo o epitáfio que deveria ser escrito no seu túmulo: “Eu não estou aqui...”.
Se não está ali, por onde andará? Essa foi a pergunta que Cecília Meireles fez à sua avó morta: “Onde ficou o teu outro corpo? Na parede? Nos móveis? No teto? Inclinei-me sobre o teu rosto, absoluta como um espelho. E tristemente te procurava. Mas também isso foi inútil, como tudo o mais”.
Também o olhar, para onde foi? O velho Bachelard também procurava sem encontrar a resposta: “A luz de um olhar, para onde ela vai quando a morte coloca seu dedo frio sobre os olhos de um morto?”.
Por não saberem a resposta, os amigos conversam. Falam sobre memórias de alegria que um dia foram a substância de uma amizade. Falam procurando o sentido da ausência. Para exorcizar o medo...
O Waldo amava a vida. Amava a vida porque conhecia a morte. Já a experimentara na morte trágica da Ana Cristina, sua filha poeta, e de sua companheira Maria Luiza. Mas ele triunfava sobre o horror da morte pela magia da música. Assentava-se ao órgão e tocava seu coral favorito: “Todos os homens devem morrer”, de Bach.
De todas as artes, a música é a que mais se parece conosco. Para existir, ela tem de estar sempre a morrer. Nesse preciso momento fez-se silêncio no meu apartamento. Antes havia música, a Sonata ao Luar. Mas, uma vez realizada a sua perfeição, Beethoven a matou com dois acordes definitivos. Tudo o que é perfeito precisa morrer. Creio que foi dessa proximidade musical com a morte que o Waldo encontrou o seu desejo de viver intensamente.
O corpo morto do meu amigo me fez pensar sobre a beleza da vida. Por isso, como ele, volto-me para Bach. E é isso que vou fazer: vou ouvir o cd “Bach”, que o Grupo de Dança “O Corpo” dançou. Se o Waldo estiver por perto, ele parará para ouvi-lo e conversaremos em silêncio...
A idéia de que o momento da morte precisa ser sentido, chorado e vivido está expressa em:
Provas
Questão presente nas seguintes provas
Leia:
Muitos historiadores de literatura consideram que o conto de Machado de Assis era um laboratório de técnicas e inovações da narrativa.
Em qual das alternativas a seguir o trecho em negrito possui o mesmo valor sintático do que se destaca acima?
Provas
Questão presente nas seguintes provas
Assinale a alternativa correspondente ao máximo número que pode ser representado com 11 bits, escrito no sistema de numeração octal.
Provas
Questão presente nas seguintes provas
Leia as afirmações:
Quem nasce em
I – Belém (Pará) é belenense.
II – São Luís é são-luisense.
III – Manaus é manauano.
Está(ão) correta(s) a(s) afirmação(ões)
Provas
Questão presente nas seguintes provas
Assinale a alternativa correspondente à saída do MUX abaixo em função dos bits de seleção \( S_2 , S_1 , S_0 \).

Provas
Questão presente nas seguintes provas
Marque a alternativa em que há a mesma figura de linguagem presente em “O vento está dormindo na calçada”.
Provas
Questão presente nas seguintes provas
1767664
Ano: 2007
Disciplina: Engenharia de Telecomunicações
Banca: DIRENS Aeronáutica
Orgão: EEAr
Disciplina: Engenharia de Telecomunicações
Banca: DIRENS Aeronáutica
Orgão: EEAr
Provas:
Assinale Verdadeiro (V) ou Falso (F) e a seguir escolha a alternativa que apresenta a seqüência correta.
( ) Polarização da onda eletromagnética é a posição do campo magnético em relação à superfície da Terra.
( ) O princípio da propagação das ondas espaciais encontra-se na reflexão da onda nas camadas ionosféricas.
( ) A onda terrestre aproveita a condutividade da superfície terrestre para se propagar, dando excelentes resultados em termos de penetração na superfície, especialmente para as faixas de freqüências de 300KHz até 30MHz.
Provas
Questão presente nas seguintes provas
Qual é a alternativa que apresenta somente dispositivos ópticos eletrônicos?
Provas
Questão presente nas seguintes provas
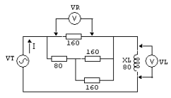
Para o circuito RL abaixo, determine o valor de pico de \( V_T \) e o ângulo de fase θ entre \( V_T \) e \( V_R \) , sabendo que o valor de pico da corrente I = 2A. Obs.: valores das resistências e de \( X_L \) em OHMS.

Provas
Questão presente nas seguintes provas
Assinale a alternativa que completa correta e respectivamente o texto a seguir.
A unidade de controle busca uma instrução na memória enviando um __________ e um comando de _____________ para a unidade de _____________.
Provas
Questão presente nas seguintes provas
Cadernos
Caderno Container