Foram encontradas 100 questões.
Relacione as colunas e escolha a alternativa com a sequência correta.
1- Barramento de endereço ( ) Unidade Lógica e Aritmética
2- Barramento de dados ( ) Unidirecional
3- Execução de instruções ( ) Controle de fluxo de informações
4- Bloco de Temporização e ( ) Bidirecional controle
2- Barramento de dados ( ) Unidirecional
3- Execução de instruções ( ) Controle de fluxo de informações
4- Bloco de Temporização e ( ) Bidirecional controle
Provas
Questão presente nas seguintes provas
1386346
Ano: 2008
Disciplina: Engenharia de Telecomunicações
Banca: DIRENS Aeronáutica
Orgão: EEAr
Disciplina: Engenharia de Telecomunicações
Banca: DIRENS Aeronáutica
Orgão: EEAr
Provas:
De acordo com a forma de guiar os raios de luz, a fibra óptica será denominada como
Provas
Questão presente nas seguintes provas
O ponto onde a reta de carga intercepta a região de saturação das curvas do coletor de um transistor denomina-se ponto de
Provas
Questão presente nas seguintes provas
Identifique os terminais 1 e 2, respectivamente, do diodo abaixo e marque a alternativa correta.

Provas
Questão presente nas seguintes provas
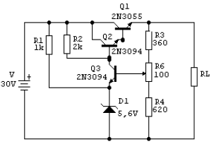
Calcule a dissipação de potência do transistor 2N3055 no circuito abaixo, para uma tensão de carga de 12V e uma corrente de carga de 3A.
Obs.: Valores das resistências em OHMS.

Provas
Questão presente nas seguintes provas
Um amplificador de baixa frequência tem uma impedância de saída de 25KΩ. Deseja-se fornecer a máxima potência para uma carga de 10Ω, conforme figura abaixo. Qual deve ser a relação de transformação do transformador de acoplamento?

Provas
Questão presente nas seguintes provas
1384944
Ano: 2008
Disciplina: Engenharia de Telecomunicações
Banca: DIRENS Aeronáutica
Orgão: EEAr
Disciplina: Engenharia de Telecomunicações
Banca: DIRENS Aeronáutica
Orgão: EEAr
Provas:
Relacione a coluna da esquerda com a da direita e em seguida assinale a seqüência correta nas opções abaixo.
1- linhas bifilares ( ) balanceadas
2- linhas coaxiais ( ) impedância em torno de 300 Ω
( ) desbalanceadas
( ) baixa irradiação do sinal conduzido
( ) bastante sujeitas ao ruído
2- linhas coaxiais ( ) impedância em torno de 300 Ω
( ) desbalanceadas
( ) baixa irradiação do sinal conduzido
( ) bastante sujeitas ao ruído
Provas
Questão presente nas seguintes provas
Qual dos dispositivos citados abaixo utiliza os princípios básicos do eletromagnetismo para o seu funcionamento?
Provas
Questão presente nas seguintes provas
A aplicação de luz na junção p-n provoca uma transferência de energia das ondas de luz incidentes à estrutura atômica, aumentando o número de portadores minoritários e consequentemente o nível da corrente reversa. Trata-se do(a)
Provas
Questão presente nas seguintes provas
Calcule a tensão de saída (Vout) no circuito abaixo.

Provas
Questão presente nas seguintes provas
Cadernos
Caderno Container