Foram encontradas 100 questões.
O Multivibrador monoestável que tem o tempo de permanência no estado quase estável (tp), reiniciado a cada disparo é o
Provas
Questão presente nas seguintes provas
Leia:
“Espia a barriga estufada dos meninos,
A barriga cheia de vazio, de Deus sabe o quê.”
A barriga cheia de vazio, de Deus sabe o quê.”
O termo destacado, no texto acima, exerce a função sintática de
Provas
Questão presente nas seguintes provas
Leia:
Foi tal o atrevimento, que os amigos afastaram-se dele.
Em qual alternativa encontra-se uma oração subordinada com a mesma classificação da oração em destaque acima?
Provas
Questão presente nas seguintes provas
Qual é a Taxa de Onda Estacionária para um conjunto composto por uma antena de 200 Ω alimentada por um cabo balanceado de 50 Ω, em uma torre de 10 metros ?
Provas
Questão presente nas seguintes provas
Calcule o valor da impedância total para o circuito abaixo.

Provas
Questão presente nas seguintes provas
Leia:
I- Não contem com a ajuda do diretor.
II- O livro contem páginas rasgadas.
III- Amanhã, a secretaria do colégio estará fechada.
IV- A secretaria do novo diretor não será promovida este ano.
II- O livro contem páginas rasgadas.
III- Amanhã, a secretaria do colégio estará fechada.
IV- A secretaria do novo diretor não será promovida este ano.
Acentuam-se os termos destacados acima apenas em
Provas
Questão presente nas seguintes provas
No vocábulo fiéis, ocorrem simultaneamente dois tipos de encontro vocálico: um hiato e um ditongo. Assinale a alternativa em cuja palavra se verifica o mesmo fenômeno.
Provas
Questão presente nas seguintes provas
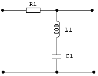
Qual é o tipo de filtro da figura abaixo?

Provas
Questão presente nas seguintes provas
Calcule o valor da reatância indutiva total entre os pontos A e B do circuito abaixo, na freqüência de 50 Hz.

Provas
Questão presente nas seguintes provas
Assinale a alternativa que mostra o sinal visto no osciloscópio para o índice de modulação unitário.
Provas
Questão presente nas seguintes provas
Cadernos
Caderno Container