Foram encontradas 100 questões.
A área do sistema computacional responsável pela execução de funções aritméticas como ADD (adição), e SUB (subtração), assim como operações lógicas tais como NOT, NAND e XOR é conhecida pela sigla
Provas
Questão presente nas seguintes provas
Em qual alternativa o acento grave foi empregado corretamente?
Provas
Questão presente nas seguintes provas
Indique a opção que completa corretamente as lacunas da assertiva a seguir.
Para o arranjo opto- eletrônico a seguir, podemos afirmar que o alarme RL quando a chave S1 for .

Provas
Questão presente nas seguintes provas
Dos componentes listados abaixo qual é o único que não pode ser classificado como um Tiristor ?
Provas
Questão presente nas seguintes provas
Assinale a alternativa que apresenta a correta classificação da oração em negrito do seguinte período:
A chama de um amor que chegou ao fim jamais se acende novamente.
Provas
Questão presente nas seguintes provas
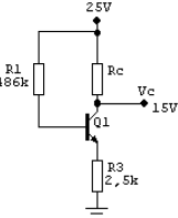
Dado o circuito abaixo, determine o valor de RC.
Dado: !$ IC_Q =\,^1/_2 IC_{sat} !$,
!$ IC_{sat} = 10 mA !$, e
!$ \beta = 100 !$.
Obs.: Valores das resistências em OHMS.

Provas
Questão presente nas seguintes provas
Em qual das alternativas o pronome destacado foi empregado incorretamente?
Provas
Questão presente nas seguintes provas
Leia:
“Os refugiados afegãos já são um terço de todos os expatriados miseráveis do mundo. O desafio humanitário para o Ocidente é monumental.”
(Veja, outubro de 2001, p. 41)
Os dois períodos acima poderiam ser unidos num único período explicitando-se o nexo entre eles pela seguinte conjunção coordenativa:
Provas
Questão presente nas seguintes provas
Assinale a alternativa em que a intercalação compreendida entre parênteses confere à frase um sentido oposto.
Provas
Questão presente nas seguintes provas
1395130
Ano: 2008
Disciplina: Engenharia de Telecomunicações
Banca: DIRENS Aeronáutica
Orgão: EEAr
Disciplina: Engenharia de Telecomunicações
Banca: DIRENS Aeronáutica
Orgão: EEAr
Provas:
A relação que expressa o desvio máximo de fase que sofre o sinal modulado é chamado de índice de
Provas
Questão presente nas seguintes provas
Cadernos
Caderno Container