Foram encontradas 100 questões.
Em qual das alternativas abaixo a flexão dos verbos está de acordo com a norma culta?
Provas
Questão presente nas seguintes provas
Qual tipo de memória apresenta as seguintes características?
“Não volátil, com capacidade de apagamento elétrico no próprio circuito, possui alta densidade.”
Provas
Questão presente nas seguintes provas
Marque V (verdadeiro) ou F (falso) e, em seguida, assinale a alternativa que contém a seqüência correta.
( ) Em um JFET, quando a VGS=0, temos o menor valor de ID.
( ) Mantendo-se a variação de VGS constante, quanto maior a variação de ID maior é o valor da transcondutância em um JFET.
( ) Os pontos de intersecção entre a curva de transcondutância de um JFET e os eixos cartesianos da sua curva característica de transferência são IDSS e VP.
Provas
Questão presente nas seguintes provas
Marque V (verdadeiro) ou F (falso) e assinale a alternativa com a seqüência correta.
( ) O aumento da tensão reversa aumenta a capacitância de um Varicap.
( ) O Varicap pode ser utilizado em circuitos de sintonia de receptores de TV.
( ) O Varicap é um semicondutor feito inteiramente de silício tipo N.
Provas
Questão presente nas seguintes provas
Um transistor NPN tem a sua junção base-emissor polarizada de forma direta e a sua junção base-coletor polarizada de forma reversa.
Considerando este fato, podemos afirmar que
Provas
Questão presente nas seguintes provas
ESTUDAR A ÉTICA
“Ética a gente traz do berço.”
Você já deve ter ouvido essas palavras mais de uma vez. Elas não são exatamente falsas, mas são parciais e, por isso, enganosas e traiçoeiras. Até certo ponto, não resta a menor dúvida, parte dos valores e princípios éticos que trazemos conosco vem, mesmo, do que se chama berço. Aliás, de onde mais poderia vir? Ocorre que essa carga moral que trazemos da nossa formação familiar dá conta apenas de uma parte dos padrões de conduta que seguiremos ao longo da vida. Se dependesse do berço de cada um, nenhum brasileiro teria conhecido os valores republicanos – e ainda estaríamos no regime da colônia. Esses valores republicanos, que incidem sobre a ética individual de muitos de nós, foram aprendidos, sem nenhuma ofensa ao berço de cada um, na escola.
E na escola eles não foram recebidos como pacotes fechados, prontos, acabados. Ao contrário, foram e são assimilados como parâmetros em mutação, passíveis de sucessivas renovações. De um lado, os mitos gregos; de outro lado, a sabedoria mitológica de ancestralidades africanas. De um lado, os pais da democracia norte-americana; de outro, a miscigenação brasileira, os índios e suas lendas. De um lado
Portugal; de outro, o Brasil, país que segue – ainda bem – se reinventando. Ir à escola estudar filosofia e ética supõe a capacidade de reescrever os conhecimentos que lá se encontram. É um processo que não tem ponto de chegada e que nos abre muitas portas ao mesmo tempo.
Guia do estudante & Atualidades Vestibular 2009.
Considerando as ideias gerais do texto, assinale a alternativa que condiz com as declarações ali expostas.
Provas
Questão presente nas seguintes provas
Considerando a forma de onda apresentada abaixo, podemos afirmar que a tensão média sobre a carga é igual a

Provas
Questão presente nas seguintes provas
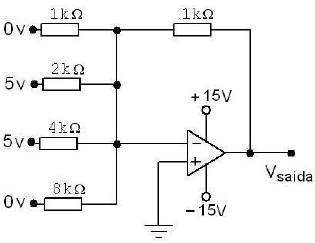
Analise o circuito abaixo e assinale a alternativa que completa correta e respectivamente as lacunas da afirmativa.

O circuito representa um conversor que apresenta em sua saída uma tensão de V.
Provas
Questão presente nas seguintes provas
Qual a melhor classe de operação para um sistema amplificador quando necessitamos de uma amplificação de sinais digitais?
Provas
Questão presente nas seguintes provas
Assinale a alternativa em que o termo destacado sofre derivação imprópria.
Provas
Questão presente nas seguintes provas
Cadernos
Caderno Container