Foram encontradas 100 questões.
Assinale a alternativa em que a concordância nominal está incorreta.
Provas
Questão presente nas seguintes provas
2267025
Ano: 2010
Disciplina: Engenharia de Telecomunicações
Banca: DIRENS Aeronáutica
Orgão: EEAr
Disciplina: Engenharia de Telecomunicações
Banca: DIRENS Aeronáutica
Orgão: EEAr
Provas:
O termo FM significa modulação de
Provas
Questão presente nas seguintes provas
O CI regulador de tensão 7915 foi utilizado em uma fonte reguladora de tensão. Um voltímetro medindo a tensão na carga indica
Provas
Questão presente nas seguintes provas
A conjunção e pode assumir valores variados de acordo com a relação que estabelece entre os termos ou orações coordenados. Assinale a alternativa em que a conjunção e tem valor de conclusão.
Provas
Questão presente nas seguintes provas
Qual é o código Gray equivalente ao número binário (1101)2?
Provas
Questão presente nas seguintes provas
2266987
Ano: 2010
Disciplina: Engenharia de Telecomunicações
Banca: DIRENS Aeronáutica
Orgão: EEAr
Disciplina: Engenharia de Telecomunicações
Banca: DIRENS Aeronáutica
Orgão: EEAr
Provas:
A figura abaixo mostra o espectro de freqüência de um sinal modulado,

onde
Ec é o valor da tensão de pico da portadora.
Em é o valor da tensão de pico do sinal modulador.
fc é a freqüência da portadora
fm é a freqüência do sinal modulador
Qual o tipo de modulação aplicado à portadora?
Provas
Questão presente nas seguintes provas
Determine o atraso de tempo (valor aproximado) para um ângulo de fase de 60° numa freqüência de 1KHz.
Provas
Questão presente nas seguintes provas
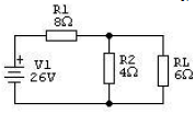
No circuito abaixo, calcule a corrente IN.

Provas
Questão presente nas seguintes provas
O circuito abaixo é um flip-flop disparado por borda .

Provas
Questão presente nas seguintes provas
Qual das portas lógicas abaixo pode ter mais de duas entradas?
Provas
Questão presente nas seguintes provas
Cadernos
Caderno Container