Foram encontradas 100 questões.
Determine o valor do ganho de corrente fornecido por uma conexão Darlington, sabendo que o !$ \beta !$ de um transistor é igual a 200 e o do outro transistor é igual a 300.
Provas
Questão presente nas seguintes provas
Qual dos dispositivos abaixo tem como denominação de seus terminais: anodo 2, anodo1 e porta?
Provas
Questão presente nas seguintes provas
Considerando o circuito abaixo, quais são os valores de VGSQ e IDQ, respectivamente?
Dados: IDSS = 12 mA e Vp = -5 V.

Provas
Questão presente nas seguintes provas
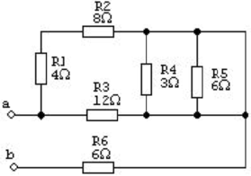
Dado o circuito abaixo, calcule a resistência total entre os pontos a e b.

Provas
Questão presente nas seguintes provas
Considere o seguinte período:
O Ministério da Alegria adverte:
Mau humor é prejudicial à saúde.
É incorreto afirmar que
Provas
Questão presente nas seguintes provas
Leia o período abaixo e assinale a alternativa que completa corretamente as lacunas.
Ela está espera da correção do valor de sua aposentadoria há muito tempo. Pediu advogada que ajudasse, mas competência dessa profissional é muito duvidosa.
Provas
Questão presente nas seguintes provas
Qual o valor mínimo teórico que a Relação de Onda Estacionária (ROE) pode atingir?
Provas
Questão presente nas seguintes provas
Dois CI’s são funcionalmente equivalentes quando
Provas
Questão presente nas seguintes provas
Para implementar um contador módulo 24, são necessários flip-flops.
Provas
Questão presente nas seguintes provas
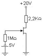
Sabendo que o !$ \beta !$ do transistor do circuito abaixo é igual a 60 e que a VBE é igual a 0,7 V, determine o valor de VCEQ.

Provas
Questão presente nas seguintes provas
Cadernos
Caderno Container