Foram encontradas 100 questões.
No esquema do Voltímetro de escalas múltiplas abaixo, calcule o valor do resistor multiplicador para a escala de 50 V, e assinale a alternativa que apresenta o valor correto.

Provas
Questão presente nas seguintes provas
Considere que o contador abaixo esteja inicialmente com as entradas J e K= 1 e o flip flop D é o MSB. Analise e, em seguida, assinale a alternativa que indica corretamente a condição do contador após o 13º pulso de clock.

Provas
Questão presente nas seguintes provas
Em qual alternativa o termo destacado classifica-se como agente da passiva?
Provas
Questão presente nas seguintes provas
1389927
Ano: 2013
Disciplina: Engenharia de Telecomunicações
Banca: DIRENS Aeronáutica
Orgão: EEAr
Disciplina: Engenharia de Telecomunicações
Banca: DIRENS Aeronáutica
Orgão: EEAr
Provas:
O diagrama em blocos abaixo representa o 3º estágio de um amplificador de potência em cascata. Qual o ganho de potência oferecido por esse estágio?

Provas
Questão presente nas seguintes provas
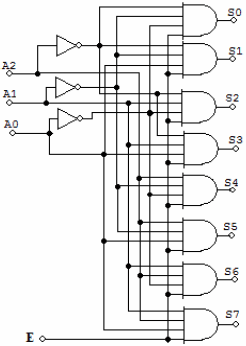
No circuito abaixo, determine para qual saída S serão transferidos os dados da entrada E, quando A0 = 1, A1 = 0 e A2 = 1, e assinale a alternativa correta.

Provas
Questão presente nas seguintes provas
Com base nas informações abaixo, analise o circuito e, em seguida, assinale a alternativa correta.
Dados:
- Tabela com informações sobre as entradas do conversor.
- D é a entrada MSB e A é a entrada LSB.
- Vout é a tensão de saída do conversor.
- Resolução do conversor = 1,0 V.
- O diodo é ideal.
- Tabela com informações sobre as entradas do conversor.
- D é a entrada MSB e A é a entrada LSB.
- Vout é a tensão de saída do conversor.
- Resolução do conversor = 1,0 V.
- O diodo é ideal.

Provas
Questão presente nas seguintes provas
Leia:
I- Primeiro iremos ao Japão, depois nos dirigiremos à Curitiba.
II- Pode me procurar na empresa à partir do meio-dia, todos os dias.
III- Os motoristas estavam cheirando à álcool quando foram parados.
IV- O gato fujão retornou à casa do seu dono na manhã do dia seguinte.
Em qual(ais) período(s) acima está(ão) correto(s) o emprego do acento grave indicador de crase?
Provas
Questão presente nas seguintes provas
OS NOVOS TRATAMENTOS E A AIDS
Nas últimas semanas, comemorou-se o sucesso das políticas de prevenção à Aids em boa parte do mundo. Dados do Programa das Nações Unidas para o combate à Aids revelam que a redução de novas infecções foi de 20% na década. Houve também queda significativa da mortalidade. Os trabalhos de prevenção e a distribuição de medicamentos em países em desenvolvimento explicam o resultado.
Desenvolver uma vacina eficaz é uma promessa distante. Mas as tecnologias para tratar a doença e diminuir o risco de transmissão do vírus estão surtindo efeito. Hoje se sabe que pessoas que tomaram medicação regularmente e mantêm carga viral indetectável têm expectativa de vida longa e de qualidade e chance reduzida de transmitir o HIV. Esse é um dos motivos que levam muitos especialistas a defender medicação precoce e maciça aos portadores do vírus. Menos vírus circulando pode diminuir o número de infecções. [...]
Por um lado, essas tecnologias contribuem para um menor risco de infecção. Por outro, podem reforçar a sensação de que “se proteger não é tão importante assim”. Para muitos jovens, que tendem a achar que remediar é mais fácil que se cuidar, esse recado equivocado pode complicar a vida. [...] Mesmo com todas essas tecnologias, ainda há muito trabalho de conscientização a fazer.
(BOUER, Jairo – Revista Época, dezembro de 2012 – texto adaptado.)
Podemos inferir que no texto
Provas
Questão presente nas seguintes provas
Leia:
Suas atitudes inescrupulosas eram criticadas pelos colegas de trabalho.
Transpondo a oração acima para a voz ativa, obtém-se, segundo a norma culta, a forma verbal
Provas
Questão presente nas seguintes provas
Assinale a alternativa incorreta.
Provas
Questão presente nas seguintes provas
Cadernos
Caderno Container