Foram encontradas 100 questões.
Sabendo que o fluxo de um condutor é de 16Wb e que ele aumenta uniformemente até 24Wb num intervalo de 4s, qual é a tensão induzida numa bobina que contém 20 espiras?
Provas
Questão presente nas seguintes provas
Assinale a alternativa na qual o que introduz oração subordinada adjetiva.
Provas
Questão presente nas seguintes provas
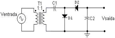
Em relação a tensão aplicada em sua entrada, o circuito abaixo, fornece em sua saída o .

Provas
Questão presente nas seguintes provas
Assinale a alternativa que completa correta e respectivamente as lacunas abaixo.
A capacidade de corrente dos diodos de potência pode ser ampliada colocando-se dois ou mais em e a especificação do valor de PIV pode ser elevada colocando-se os diodos em .
Provas
Questão presente nas seguintes provas
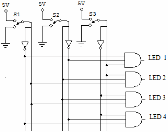
Analise o circuito lógico abaixo e assinale a alternativa correta.

Provas
Questão presente nas seguintes provas
Assinale a alternativa que contém o par de palavras cujas sílabas tônicas estão corretamente destacadas.
Obs.: O acento gráfico de algumas palavras foi tirado propositadamente.
Provas
Questão presente nas seguintes provas
Determine o valor de ID, e assinale a alternativa que apresenta o valor correto. Dado: D1 , D2 , D3 = silício.

Provas
Questão presente nas seguintes provas
Resolva a operação abaixo e, em seguida, assinale a alternativa que apresenta o resultado correto.
!$ \dfrac{57_8+27_{16}-101_2}{1001_2}= !$
Provas
Questão presente nas seguintes provas
Assinale a alternativa que preenche corretamente a lacuna da frase a seguir.
O circuito abaixo pode ser utilizado como .

Provas
Questão presente nas seguintes provas
Subtraia 4AC16 de EB716. Em seguida, assinale a alternativa que apresenta o resultado correto.
Provas
Questão presente nas seguintes provas
Cadernos
Caderno Container