Magna Concursos

Foram encontradas 100 questões.

1380038 Ano: 2013
Disciplina: Português
Banca: DIRENS Aeronáutica
Orgão: EEAr
Provas:
Leia:
As inundações provocadas pelas fortes chuvas foram o assunto do debate dos candidatos à prefeitura.
Em qual alternativa as palavras são formadas, respectivamente, pelo mesmo processo encontrado nas palavras destacadas no texto acima?
 

Provas

Questão presente nas seguintes provas
1379963 Ano: 2013
Disciplina: Português
Banca: DIRENS Aeronáutica
Orgão: EEAr
Provas:
Em qual das alternativas abaixo o verbo querer é transitivo direto e exprime a ideia de desejar, ter vontade de, cobiçar?
 

Provas

Questão presente nas seguintes provas
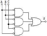
1379651 Ano: 2013
Disciplina: Engenharia Eletrônica
Banca: DIRENS Aeronáutica
Orgão: EEAr
Provas:
Escolha a alternativa que representa um circuito com três entradas A, B e C, e cuja saída será nível alto, apenas quando a maioria das entradas for nível baixo.
 

Provas

Questão presente nas seguintes provas
1379342 Ano: 2013
Disciplina: Engenharia Eletrônica
Banca: DIRENS Aeronáutica
Orgão: EEAr
Provas:
Com base nas saídas QA e QB, onde QA refere-se à saída do multivibrador A e QB é a saída do multivibrador B, assinale a alternativa correta.
Enunciado 1379342-1
 

Provas

Questão presente nas seguintes provas
1378929 Ano: 2013
Disciplina: Português
Banca: DIRENS Aeronáutica
Orgão: EEAr
Provas:
Complete a frase abaixo com o termo que tem função de complemento nominal:
“As críticas surtiram efeitos quase que imediatos na revisão do projeto orçamentário.”
 

Provas

Questão presente nas seguintes provas
1378562 Ano: 2013
Disciplina: Português
Banca: DIRENS Aeronáutica
Orgão: EEAr
Provas:
Relacione as colunas e, em seguida, assinale a alternativa com a sequência correta.
(1) Eufemismo ( ) Um frio inteligente percorria o jardim.
(2) Prosopopeia ( ) Onde queres prazer eu sou o que dói.
(3) Antítese ( ) Ele vivia de caridade pública.
(4) Metáfora ( ) Teu corpo é brasa do lume.
 

Provas

Questão presente nas seguintes provas
1378521 Ano: 2013
Disciplina: Português
Banca: DIRENS Aeronáutica
Orgão: EEAr
Provas:
OS NOVOS TRATAMENTOS E A AIDS
Nas últimas semanas, comemorou-se o sucesso das políticas de prevenção à Aids em boa parte do mundo. Dados do Programa das Nações Unidas para o combate à Aids revelam que a redução de novas infecções foi de 20% na década. Houve também queda significativa da mortalidade. Os trabalhos de prevenção e a distribuição de medicamentos em países em desenvolvimento explicam o resultado.
Desenvolver uma vacina eficaz é uma promessa distante. Mas as tecnologias para tratar a doença e diminuir o risco de transmissão do vírus estão surtindo efeito. Hoje se sabe que pessoas que tomaram medicação regularmente e mantêm carga viral indetectável têm expectativa de vida longa e de qualidade e chance reduzida de transmitir o HIV. Esse é um dos motivos que levam muitos especialistas a defender medicação precoce e maciça aos portadores do vírus. Menos vírus circulando pode diminuir o número de infecções. [...]
Por um lado, essas tecnologias contribuem para um menor risco de infecção. Por outro, podem reforçar a sensação de que “se proteger não é tão importante assim”. Para muitos jovens, que tendem a achar que remediar é mais fácil que se cuidar, esse recado equivocado pode complicar a vida. [...] Mesmo com todas essas tecnologias, ainda há muito trabalho de conscientização a fazer.
(BOUER, Jairo – Revista Época, dezembro de 2012 – texto adaptado.)
O sucesso das políticas de prevenção à Aids tem sido comemorado em boa parte do mundo, porque
 

Provas

Questão presente nas seguintes provas
1377698 Ano: 2013
Disciplina: Engenharia Eletrônica
Banca: DIRENS Aeronáutica
Orgão: EEAr
Provas:
Relacione as colunas, e, em seguida, assinale a alternativa com a sequência correta.
1- Acopladores direcionais ( ) É o método mais usado para caracterizar redes e dispositivos de microondas.
2- Parâmetro S
( ) É extremamente importante para medidas de microondas, e permite a amostragem
contínua de sinal, injeção de sinal e a medida de potência incidente e refletida.
( ) Sua definição baseia-se em excitar e terminar as portas da rede com dispositivos de
impedância de !$ 50~\Omega !$ em lugar de circuitos abertos ou curtos.
 

Provas

Questão presente nas seguintes provas
1377604 Ano: 2013
Disciplina: Português
Banca: DIRENS Aeronáutica
Orgão: EEAr
Provas:
Leia:
Deixa-me, fonte! Dizia
A flor, tonta de terror.
O termo destacado classifica-se como
 

Provas

Questão presente nas seguintes provas
1377474 Ano: 2013
Disciplina: Engenharia Eletrônica
Banca: DIRENS Aeronáutica
Orgão: EEAr
Provas:
Analise as afirmativas a seguir, sobre amplificadores de potência.
I- A principal vantagem da operação classe D é que o amplificador está ligado (utilizando potência) durante curtos intervalos, e a eficiência global pode, na prática, ser muito alta.
II- A saída de um amplificador classe AB é polarizada para uma operação em menos de 180º do ciclo. Opera apenas com circuitos sintonizados (ressonantes), os quais fornecem um ciclo completo de operação para a frequência sintonizada ou ressonante.
III- Um circuito classe B fornece um sinal de saída que varia sobre metade do ciclo da entrada, ou por 180º de sinal. São necessários dois amplificadores classe B, um para fornecer saída durante o semiciclo positivo e outro para operar no semiciclo negativo.
IV- O amplificador classe A possui um estágio de saída que conduz por 360º completos e uma alta eficiência, tipicamente de 75% (teoricamente).
Está(ão) correta(s), apenas
 

Provas

Questão presente nas seguintes provas