Foram encontradas 100 questões.
Assinale a alternativa em que a vírgula foi emprega adequadamente, em função do que se apresenta entre parênteses.
Provas
Questão presente nas seguintes provas
Em “Transportamos então nós dois, privilegiadas criaturas, as preciosidades de uma vida humana”, a função sintática do termo sublinhado é
Provas
Questão presente nas seguintes provas
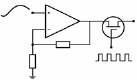
O circuito transistorizado apresentado na figura abaixo é muito utilizado na eletrônica. Para que possa funcionar corretamente, em qual classe de operação o transistor desse circuito deve operar?

Provas
Questão presente nas seguintes provas
1402580
Ano: 2018
Disciplina: Engenharia de Telecomunicações
Banca: DIRENS Aeronáutica
Orgão: EEAr
Disciplina: Engenharia de Telecomunicações
Banca: DIRENS Aeronáutica
Orgão: EEAr
Provas:
Em telecomunicação, as informações de áudio e/ou vídeo são transmitidas através da inserção desses sinais em uma portadora de alta frequência num processo denominado modulação. Isto permite que várias fontes de informação possam utilizar frequências portadoras diferentes utilizando o mesmo meio. Esse processo de transmissão na qual cada fonte utiliza uma frequência portadora particular para transmitir sua informação é denominado:
Provas
Questão presente nas seguintes provas
Coloque V para Verdadeiro e F para Falso e selecione a alternativa que contém a sequência correta.
( ) A saída de uma porta NOR é sempre 1.
( ) A porta NOT é também denominada Inversor.
( ) Se todas as entradas da porta NOR forem 1, a saída será 1.
( ) A saída de uma porta NAND é 0 quando todas as entradas forem 1.
( ) A saída de uma porta AND é 1 sempre que pelo menos uma entrada for 1.
( ) A porta NOT é também denominada Inversor.
( ) Se todas as entradas da porta NOR forem 1, a saída será 1.
( ) A saída de uma porta NAND é 0 quando todas as entradas forem 1.
( ) A saída de uma porta AND é 1 sempre que pelo menos uma entrada for 1.
Provas
Questão presente nas seguintes provas
Uma estufa tem sua temperatura monitorada continuamente. O valor da temperatura é convertido em sinal elétrico por um transdutor e é transmitido a uma central por meio da técnica de modulação PWM. Qual dos circuitos abaixo executa a modulação PWM?
Provas
Questão presente nas seguintes provas
Assinale a alternativa que não apresenta a correta classificação da oração subordinada.
Provas
Questão presente nas seguintes provas
Poesia do Tempo
O equívoco entre poesia e povo já é demasiadamente sabido para que valha a pena insistir nele. Denunciemos antes o equívoco entre poesia e poetas. A poesia não se “dá”, é hermética ou inumana, queixam-se por aí. Ora, eu creio que os poetas poderiam demonstrar o contrário ao público. De que maneira? Abandonando a ideia de que poesia é evasão. E aceitando alegremente a ideia de que poesia é participação. Não basta dizer que já não há torres de marfim; a torre desmoronou-se pelo ridículo, porém muitos poetas continuam vendo na poesia um instrumento de fuga da realidade ou de correção do que essa realidade ofereça de monstruoso e de errado. Desenvolve-se então entre eles a linguagem cifrada, que nenhum leigo entende, e que suscita o equívoco já célebre entre poesia e povo.
Participação na vida, identificação com os ideais do tempo (e esses ideais existem sempre, mesmo sob as mais sórdidas aparências de decomposição), curiosidade e interesse pelos outros homens, apetite sempre renovado em face das coisas, desconfiança da própria e excessiva riqueza interior, eis aí algumas indicações que permitirão talvez ao poeta deixar de ser um bicho esquisito para voltar a ser, simplesmente, um homem.
(Carlos Drummond de Andrade)
A questão refere-se ao texto acima.
Leia:
“A poesia não se “dá”, é hermética ou inumana.”
De acordo com o fragmento do texto, qual é o significado da palavra “inumana”?
Provas
Questão presente nas seguintes provas
Quantos Flip-Flops são necessários para construir um contador capaz de contar cinco mil itens?
Provas
Questão presente nas seguintes provas
Assinale a alternativa que possui as palavras que completam, correta e respectivamente, as sentenças abaixo.
A diminuição da temperatura a resistência de um termistor com coeficiente de temperatura negativo.
A diminuição da intensidade de luz incidente a resistência de uma célula fotocondutiva.
A diminuição da intensidade de luz incidente a resistência de uma célula fotocondutiva.
Provas
Questão presente nas seguintes provas
Cadernos
Caderno Container