Foram encontradas 100 questões.
A palavra “porque” deveria ter sido grafada separadamente na alternativa:
Provas
Questão presente nas seguintes provas
Selecione a alternativa que contém, respectivamente, as representações nos códigos BCD e GRAY para o hexadecimal !$ { C }_{ 16 } !$.
Provas
Questão presente nas seguintes provas
A figura abaixo ilustra o resultado da modulação de um sinal analógico. Qual o processo utilizado?

Provas
Questão presente nas seguintes provas
Escreva (V) para as afirmativas verdadeiras e (F) para as falsas, e, em seguida, assinale a alternativa com a sequência correta.
( ) Verbos auxiliares são os que se juntam a uma forma nominal de outro verbo para constituir a voz passiva, os tempos compostos e as locuções verbais.
( ) “Não fiquem aqui, sejam prudentes”, os verbos estão, respectivamente, nos modos imperativo e indicativo.
( ) Na frase: “Os pais contemplam-se nos filhos”, o verbo está na voz passiva.
( ) Em “Organizou-se o campeonato”, tem-se voz reflexiva.
Provas
Questão presente nas seguintes provas
Leia:
Os ipês floresceram no período esperado. Eles ofereceram um quadro aos românticos. Na tão esperada estação do ano, todos assistem à cena apaixonados pela vida.
Quanto à predicação dos verbos destacados, pode-se dizer que:
Provas
Questão presente nas seguintes provas
1411053
Ano: 2018
Disciplina: Engenharia de Telecomunicações
Banca: DIRENS Aeronáutica
Orgão: EEAr
Disciplina: Engenharia de Telecomunicações
Banca: DIRENS Aeronáutica
Orgão: EEAr
Provas:
Qual é o estágio responsável por produzir as bandas laterais com portadora suprimida em um sistema AM-SSB?
Provas
Questão presente nas seguintes provas
Assinale a alternativa que apresenta a colocação pronominal de acordo com a norma padrão.
Provas
Questão presente nas seguintes provas
Assinale a alternativa que apresenta a classificação incorreta da oração subordinada destacada.
Provas
Questão presente nas seguintes provas
Com relação às regras de crase, marque a alternativa que completa, correta e respectivamente, as lacunas.
Dedico-me sua lei, meu Deus! Cumpro suas regras. Apresento-me vós, sensível minha fé.
Provas
Questão presente nas seguintes provas
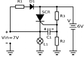
Analisando o circuito apresentado na figura abaixo, é possível afirmar que o SCR dispara quando a tensão

Provas
Questão presente nas seguintes provas
Cadernos
Caderno Container