Foram encontradas 395 questões.
Provas
- EletrotécnicaCircuitos Elétricos em Eletricidade
- EletrotécnicaCircuitos de Corrente Contínua e de Corrente Alternada

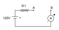
Se R2 for inserido entre A e B, a leitura no amperímetro será de 12 A. Se R3 for inserido entre A e B, a leitura será de 15 A. Sabe-se que R2 é o dobro de R3. Sobre os valores dos resistores, é correto afirmar que
Provas

Neste multiteste,
Provas
Provas
Com relação à Andragogia, teoria de Malcolm Knowles, considere:
I. Visa à construção do conhecimento, onde o próprio indivíduo o busca e o constrói de maneira científica e instigante.
II. É um processo onde o aprendiz e o professor estão em uma única pessoa, podendo ser o professor um facilitador do processo educacional. O indivíduo busca o conhecimento, sendo ele responsável em buscar o conteúdo a ser aprendido e a traçar sua própria metodologia.
III. É um processo ensino-aprendizagem dos adultos.
IV. Cabe ao professor somente conduzir o processo selecionando o conteúdo a ser aprendido e a metodologia a ser aplicada, pois cabe à criança e o jovem construí-lo e jamais impor o conteúdo a ser desenvolvido como ainda, algumas escolas ditas tradicionais o fazem.
Está correto o que se afirma APENAS em
Provas
Disciplina: Segurança e Saúde no Trabalho (SST)
Banca: FCC
Orgão: ELETROSUL
Um técnico de segurança foi designado para formar a brigada de incêndio de uma empresa que atua na área de geração, transmissão e comercialização de energia elétrica. A empresa possui 90 funcionários em uma das unidades descentralizadas e o nível do treinamento é intermediário. De acordo com a NBR-14276 − Brigada de Incêndio, são pontos importantes a serem considerados:
I. Se o funcionário já foi um brigadista da empresa por mais de um ano, para reciclagem, ele pode ser dispensado de participar da parte teórica do treinamento e/ou primeiros-socorros, desde que seja aprovado em pré-avaliação em que obtenha 70% de aproveitamento.
II. No caso de uma situação real, simulado de emergência ou eventos, os brigadistas devem usar somente um botton ou broche visível para facilitar sua identificação e auxiliar na sua atuação.
III. A carga horária mínima (em horas), para o nível de treinamento intermediário, da parte teórica de combate e incêndio e primeiros socorros é de 4 horas e para a parte prática é de 4 horas.
IV. Para o dimensionamento de instrutores e auxiliares (treinamento intermediário), na parte teórica de incêndio será 1 instrutor para um grupo de 30 alunos e para a parte prática de incêndio será 1 instrutor e 2 auxiliares do instrutor para o grupo de 30 alunos.
Está correto o que se afirma APENAS em
Provas
Disciplina: Segurança e Saúde no Trabalho (SST)
Banca: FCC
Orgão: ELETROSUL
Segundo a RTP 05 da Fundacentro, nas instalações temporárias em canteiros de obras é necessário utilizar plugues e tomadas blindadas. Tal orientação visa diminuir os riscos de acidentes com choque elétricos, oriundos principalmente de instalações improvisadas e fora de padrões normativos. A norma relaciona um padrão de cores com os níveis de tensão elétrica “voltagem”, que são:
I. 20 a 25 V
II. 40 a 50 V
III. 110 a 130 V
IV. 220 a 240 V
V. 380 a 440 V
As cores de acordo com a tensão elétrica apresentada na sequência de I, II, III, IV e V, são correta e respectivamente:
Provas
Disciplina: Segurança e Saúde no Trabalho (SST)
Banca: FCC
Orgão: ELETROSUL
Márcia trabalha em avaliações de vibrações de corpo inteiro. Ela realizará as medições e fará os cálculos manualmente, com o intuito de conferir os valores gerados pelo equipamento de medição. Segundo a NHO 09, existem diferentes definições para aceleração. A norma estabelece: valor da aceleração ponderada em frequência, no instante de tempo “t”, expressa em m/s², segundo um determinado eixo de direção “j”, sendo que “j” corresponde aos eixos ortogonais “x”,”y” ou “z”.
Trata-se da definição de aceleração
Provas
Disciplina: Segurança e Saúde no Trabalho (SST)
Banca: FCC
Orgão: ELETROSUL
Provas
Disciplina: Segurança e Saúde no Trabalho (SST)
Banca: FCC
Orgão: ELETROSUL
Provas
Caderno Container