Foram encontradas 395 questões.
É comum prever a instalação em vasos de pressão de aberturas fechadas por meio de tampas removíveis, permitindo somente
a inspeção visual do interior do referido vaso de pressão mediante a retirada dessa tampa. A denominação desta abertura é
Provas
Questão presente nas seguintes provas
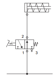
Considere a figura abaixo.

O acionamento do atuador pneumático simples é feito através de uma válvula de

O acionamento do atuador pneumático simples é feito através de uma válvula de
Provas
Questão presente nas seguintes provas
Quando existe a necessidade de fazer a pilotagem (mudança de posição) de uma válvula hidráulica ou pneumática à distância,
utiliza-se comumente um dispositivo composto de uma bobina eletromagnética que, quando energizada, gera um campo
magnético que atrai elementos ferrosos, comportando-se como imã permanente.
Esta bobina é enrolada no magneto fixo e este conjunto é fixado à carcaça da válvula, seja ela hidráulica ou pneumática
(eletroválvula). O magneto móvel é fixado diretamente na extremidade de seu carretel. No momento em que a corrente elétrica
percorre a bobina, é gerado um campo magnético que atrai os magnetos e empurra o carretel da válvula na direção oposta à do
solenoide que foi energizado, mudando a posição do carretel no interior da válvula e provocando a sua abertura ou fechamento.
Este dispositivo recebe o nome de
Provas
Questão presente nas seguintes provas
Considere a figura abaixo.

De acordo com as normas ABNT/DIN/IEC, o símbolo acima quando utilizado em um esquema elétrico, representa

De acordo com as normas ABNT/DIN/IEC, o símbolo acima quando utilizado em um esquema elétrico, representa
Provas
Questão presente nas seguintes provas
Em um motor de combustão interna do ciclo Otto, os dispositivos que permitem ou bloqueiam a entrada ou saída de gases ou
combustível dos cilindros recebem o nome de
Provas
Questão presente nas seguintes provas
Um motor de 4 polos, frequência de 60 Hz e rotação de 1.200 rpm precisa acionar uma carga com conjugado de 10 N.m
utilizando acoplamento por polia com correia em V (escorregamento 98%).
A potência mínima desse motor deve ser Dado:
Rotação Nominal do Motor (Nn) = 1.800 rpm
Provas
Questão presente nas seguintes provas
As duas polias do esquema abaixo estão ligadas por correias de Diâmetros d1 e d2 (assumir escorregamento desprezível)

Sabendo que a primeira polia (1) possui frequência de 80 rpm, a frequência da polia (2) e a velocidade linear da correia serão, respectivamente, iguais a

Sabendo que a primeira polia (1) possui frequência de 80 rpm, a frequência da polia (2) e a velocidade linear da correia serão, respectivamente, iguais a
Provas
Questão presente nas seguintes provas
O acoplamento adequado para uma laminadora acionada por um motor de combustão interna com 15 CV e 1432 rpm, que opera
16 horas por dia, deve suportar o torque mínimo de Dados:
Fc = 3,6
Provas
Questão presente nas seguintes provas
Considere o desenho abaixo.

O desenho representa duas peças unidas por um parafuso do tipo:

O desenho representa duas peças unidas por um parafuso do tipo:
Provas
Questão presente nas seguintes provas
Utilizado para transmitir potência entre eixos, na maioria dos casos com ângulo de 90° entre os eixos, quando se necessita de
uma grande redução de velocidade e aumento de momento torsor. Pode ter uma ou mais entradas, sendo que o avanço é a
distância axial com que ele se desloca a cada volta completa. Trata-se do elemento de máquinas:
Provas
Questão presente nas seguintes provas
Cadernos
Caderno Container