Foram encontradas 395 questões.
Um transformador monofásico ideal possui relação de transformação 0,22:13,64 [kV]. O lado de alta tensão desse transformador
é conectado a uma fonte de tensão monofásica, que possui tensão eficaz de 13,2 [kV] e alimenta uma carga resistiva
conectada ao lado de baixa tensão, que consome potência ativa 1.320 [W]. Nesse contexto, a corrente que circula no secundário
desse transformador é de
Provas
Questão presente nas seguintes provas
- EletrotécnicaCircuitos Elétricos em Eletricidade
- EletrotécnicaCircuitos de Corrente Contínua e de Corrente Alternada
Considere a figura abaixo. ,
Três resistências de 20 Ω cada, são ligadas em triângulo a uma linha de 3 − ∅ de 240 V funcionando com um FP de uma
unidade.
A potência consumida pelas três resistências é igual a
Três resistências de 20 Ω cada, são ligadas em triângulo a uma linha de 3 − ∅ de 240 V funcionando com um FP de uma
unidade.
A potência consumida pelas três resistências é igual a Provas
Questão presente nas seguintes provas
- EletrotécnicaCircuitos Elétricos em Eletricidade
- EletrotécnicaCircuitos de Corrente Contínua e de Corrente Alternada
Considere o circuito abaixo.

Dados: E1 = 20 V, E2 = 10 V, R1 = 50 Ω e R2 = 150 Ω
A tensão Diferença De Potencial − DDP entre os pontos A e B é
Provas
Questão presente nas seguintes provas
- EletrotécnicaCircuitos Elétricos em Eletricidade
- EletrotécnicaCircuitos de Corrente Contínua e de Corrente Alternada
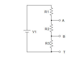
No circuito elétrico abaixo sabe-se que: V1 = 60 V, R1 = 45 Ω, R2 = 30 Ω e R3 = 15 Ω.

Sobre o circuito é correto afirmar que a
Provas
Questão presente nas seguintes provas
O Sistema Internacional de Unidades convencionou algumas grandezas físicas definidas como básicas. Apresenta apenas essas
grandezas:
Provas
Questão presente nas seguintes provas
Uma máquina síncrona trifásica com 8 Polos opera como gerador, sendo o seu eixo acionado por um motor de combustão
estacionário com velocidade de rotação de 1500 rpm. Nessas condições, a frequência da tensão gerada no estator é, em [Hz],
Provas
Questão presente nas seguintes provas
O circuito integrado cujo processo de fabricação se dá baseando-se na técnica planar é denominado circuito integrado
Provas
Questão presente nas seguintes provas
Um fluxo magnético Φ atinge perpendicularmente duas superfícies planas S1 e S2. Sabendo-se que a densidade de fluxo B1, na
superfície S1, é 4.10−2T, e que a área de S2 é o dobro da área de S1, tem-se que a densidade de fluxo B2, na superfície S1 é
Provas
Questão presente nas seguintes provas
O Balanced Scorecard − BSC é um conhecido modelo de gestão estratégica e avaliação de desempenho organizacional que
apresenta, entre suas características,
Provas
Questão presente nas seguintes provas
A controladoria de uma empresa possui 27 funcionários, numerados de 1 até 9, três de cada número. Em certo dia, x desses
funcionários foram alocados ao acaso para serviço externo da empresa. O menor valor de x para que se tenha certeza de que,
dentre os funcionários da controladoria alocados para o serviço externo, haja pelo menos uma dupla de funcionários com o
número 1 e uma com o número 2 é igual a
Provas
Questão presente nas seguintes provas
Cadernos
Caderno Container