Foram encontradas 40 questões.
Disciplina: Legislação Específica das Agências Reguladoras
Banca: FUNDATEC
Orgão: Eletrocar
Conforme a Resolução nº 1.000/2021 da ANEEL, o Contrato de Uso do Sistema de Distribuição (CUSD) deve conter algumas cláusulas. Com base nessa informação, analise as assertivas a seguir, assinalando V, se verdadeiras, ou F, se falsas.
( ) Aplicação da tarifa e dos tributos.
( ) Data de início do faturamento e prazo de vigência.
( ) Condições para efetuar o desligamento da rede.
( ) Forma e periodicidade de reajuste da tarifa.
( ) Condições de acréscimo e redução do montante contratado.
A ordem correta de preenchimento dos parênteses, de cima para baixo, é:
Provas
Disciplina: Legislação Específica das Agências Reguladoras
Banca: FUNDATEC
Orgão: Eletrocar
Conforme a Resolução nº 1.000/2021 da ANEEL, quando o consumidor solicitar a alteração de titularidade, a distribuidora poderá solicitar os seguintes documentos do novo titular:
I. Declaração descritiva da carga instalada.
II. Endereço ou meio de comunicação para entrega da fatura, das correspondências e das notificações.
III. Identificação do consumidor e demais usuários.
IV. Certidão de inteiro teor do imóvel.
V. Apresentação de documento, com data, que comprove a propriedade ou posse do imóvel em que se localizam as instalações do consumidor e demais usuários.
Quais estão corretos?
Provas
Disciplina: Legislação Específica das Agências Reguladoras
Banca: FUNDATEC
Orgão: Eletrocar
Conforme a Resolução nº 1.000/2021 da ANEEL, a distribuidora deve organizar e manter atualizado o cadastro de todos os consumidores e demais usuários do serviço público de distribuição de energia elétrica, que deve conter, entre outras, as seguintes informações, EXCETO:
Provas
O esquema de ligação a seguir representa um aterramento do tipo:

Provas
Sabendo que o prédio a seguir requer nível de proteção II, determine o número mínimo de condutores de descida para atender o SPDA conforme norma NBR 5419.

Provas
Nos projetos elétricos, existem alguns símbolos que são usualmente adotados em função de que eram previstos na NBR. Na tabela a seguir, estão enumerados de I a IV alguns dos símbolos utilizados em interruptores. Assinale a alternativa que apresenta, correta e respectivamente, a descrição dessa sequência de símbolos.

Provas
Nos projetos elétricos, existem alguns símbolos que são usualmente adotados em função de que eram previstos na NBR. Na tabela a seguir, estão enumerados de I a IV alguns dos símbolos utilizados em pontos de iluminação. Assinale a alternativa que apresenta, correta e respectivamente, a descrição dessa sequência de símbolos.

Provas
Um cliente precisou viajar por 30 dias e deixou duas lâmpadas da área externa da casa ligadas na fotocélula que aciona às 7h da noite e desliga às 5h30min da manhã do outro dia. Determine a leitura do medidor de energia elétrica do período da viagem, sabendo que as demais cargas da casa foram desligadas.

Provas
Para o circuito a seguir, determine a resistência equivalente medida pelo ohmímetro.

Provas
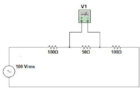
Para o circuito a seguir, determine a tensão medida pelo voltímetro V.

Provas
Caderno Container