Foram encontradas 60 questões.

Na Figura acima encontra-se ilustrado um sistema discreto, modelado por meio da função de transferência de 3a ordem apresentada.
No que se refere à posição dos polos e à estabilidade, esse sistema é
Provas

Na Figura (X), encontra-se um circuito alimentado por uma fonte senoidal de amplitude Vi. Aplicando-se o teorema de Thevenin na parte do circuito dentro do retângulo tracejado, é possível substituir esse circuito por uma fonte de tensão senoidal de amplitude VTh em série com um resistor RTh, conforme a Figura (Y).
Nesse caso, qual será a resistência, em ohms, de RTh?
Provas

Na Figura acima, encontra-se apresentado um circuito alimentado por uma fonte de tensão DC e cujos componentes são considerados ideais. Suponha, inicialmente, que o capacitor esteja descarregado e que a chave S esteja aberta. Em t = 0, a chave S é fechada.
Considerando o tempo t em segundos, qual deverá ser a expressão da tensão v2(t), em volts, para t ≥ 0?
Provas

O circuito ilustrado na Figura acima contém um amplificador operacional, considerado ideal.
Se no instante t = 0 for aplicado o sinal de tensão senoidal Vi(t) = 3 sen(ωt) na entrada desse circuito, com ω = 1.000 rad/s, qual deverá ser a resposta Vo(t) do circuito em regime permanente?
Provas

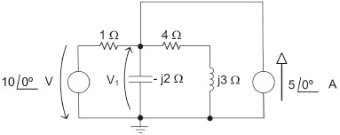
A Figura acima apresenta uma representação no domínio da frequência de um circuito composto por uma fonte de tensão, uma fonte de corrente, dois resistores, um indutor e um capacitor, todos considerados ideais.
A expressão que fornece o valor da tensão V1, em volts, é dada por
Provas
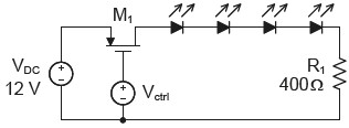
Com o objetivo de controlar a luminosidade produzida por um conjunto de quatro LED’s, foi empregado o circuito mostrado na Figura abaixo, onde o MOSFET M1 atua como uma chave controlada pela fonte de tensão Vctrl.

Nesse circuito, considere que M1 apresenta uma tensão de limiar Vth = - 5,0 V e exibe uma resistência equivalente desprezível entre os terminais de fonte e dreno, quando em condução. Além disso, considere que a curva característica dos LED’s adotados nesse circuito possui uma tensão de joelho VD = 2,0 V.

Dessa forma, qual será a potência média consumida pelo conjunto de quatro LED’s, expressa em miliwatts, quando a tensão de controle Vctrl assume a forma de onda exibida no gráfico acima?
Provas
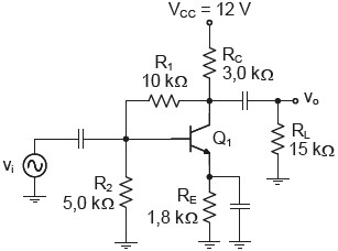
No diagrama esquemático, mostrado na Figura a seguir, está representado um circuito amplificador, onde o transistor bipolar de junção Q1 apresenta uma tensão VBE = 0,7 V, quando em condução, e um ganho de corrente β elevado o suficiente para tornar a sua corrente de base desprezível.

Nesse circuito amplificador, qual é a corrente de polarização, expressa em miliamperes, observada no coletor do transistor Q1?
Provas
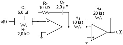
Em sistemas de controle lineares e contínuos no tempo, o controlador PID produz o sinal de controle u(t), a partir do sinal de erro e(t), através da seguinte equação:
!$ u(t) = K_p e(t) + K_i \int_{0}^{t} e (\tau) d \tau + K_d {\large{de(t) \over dt}} !$
Uma forma prática de se construir um controlador eletrônico do tipo PID é mostrada no diagrama de circuito abaixo.

Considerando-se os amplificadores operacionais ideais, o ganho integral Ki desse controlador PID, expresso em s-1, é igual a
Provas
O diagrama esquemático da Figura abaixo mostra o circuito de um amplificador de áudio com dois estágios, onde os capacitores de acoplamento foram dimensionados de modo a apresentarem impedâncias desprezíveis na faixa de frequências do sinal de entrada vi.

Considerando-se que o módulo do ganho de tensão para pequenos sinais do primeiro estágio é dado por !$ A_{V1} = \biggl | {\large {V_{o1} \over V_i}} \biggr | !$ e que o módulo do ganho do segundo estágio é !$ A_{V2} = \biggl | {\large {V_{o2} \over V_{o1}}} \biggr | !$, conclui-se que, se o capacitor
Provas
O circuito elétrico representado no diagrama esquemático da Figura abaixo é excitado com uma fonte de tensão alternada senoidal vS(t) e uma fonte de tensão de corrente contínua VDC.

Usando-se o canal CH1 de um osciloscópio para medir a tensão VCH1 sobre o resistor R1, obtém-se a forma de onda exibida na Figura abaixo, onde as escalas de tensão e de tempo estão exibidas na parte inferior da Figura.

A partir da medição de tensão apresentada acima, qual é a potência média, expressa em watts, dissipada pelo resistor R1?
Provas
Caderno Container