Foram encontradas 1.565 questões.
Julgue o seguinte item, relativo aos equipamentos do tipo resfriador de líquido.
O evaporador do resfriador de líquido deve ser isolado termicamente para evitar troca de calor com o ambiente.
Provas
Acerca das características dos componentes básicos de dispositivos eletrônicos e circuitos elétricos, julgue o seguinte item.
Diodo é um componente usado como chave: a corrente elétrica somente passa por ele quando entra pela camada N e sai pela camada P.
Provas
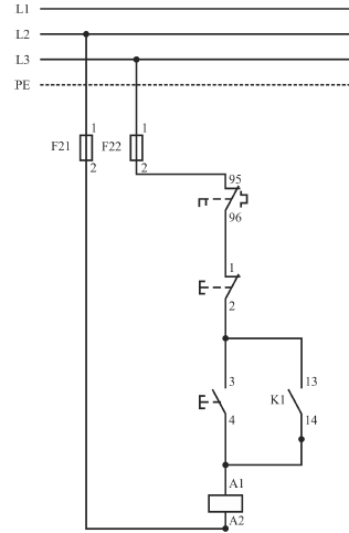
Acerca do comando e proteção de motores, julgue o item seguinte.
No esquema de comando seguinte, o relé térmico de terminais 95 e 96 desliga o motor por meio da dilatação de suas lâminas bimetálicas, em situações como sobrecorrente gerada por travamento do rotor.

Provas
Acerca do comando e proteção de motores, julgue o item seguinte.
A utilização da chave compensadora reduz a corrente de partida mediante a redução da tensão aplicada ao motor.
Provas
A utilização de soft starters gera a redução da corrente de partida com mínimo prejuízo no torque.
Provas
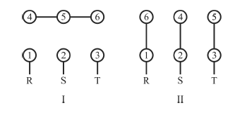
Acerca do comando e proteção de motores, julgue o item seguinte.
Na figura a seguir, o motor está ligado em delta no esquema I, e em estrela no esquema II.

Provas
Acerca do comando e proteção de motores, julgue o item seguinte.
Para se obter êxito na utilização de uma chave estrela-triângulo, um dos parâmetros que devem ser monitorados é o tempo de aceleração do motor.
Provas
- Gerenciamento, Planejamento e Controle de Obras
- Orçamento no Planejamento e Controle de Obras na Engenharia Civil
Ao analisar as métricas de desempenho do projeto de construção de determinada edificação, para uma data de status, o servidor público se deparou com a seguinte situação:
• valor agregado = R$ 150.000,00;
• valor planejado = R$ 250.000,00;
• custo real = R$ 225.000,00.
Com base nas informações coletadas pelo servidor, julgue o próximo item.
O projeto está atrasado, com índice de variação de prazo (IVP) igual a 0,60.Provas
- Gerenciamento, Planejamento e Controle de Obras
- Orçamento no Planejamento e Controle de Obras na Engenharia Civil
Ao analisar as métricas de desempenho do projeto de construção de determinada edificação, para uma data de status, o servidor público se deparou com a seguinte situação:
• valor agregado = R$ 150.000,00;
• valor planejado = R$ 250.000,00;
• custo real = R$ 225.000,00.
Com base nas informações coletadas pelo servidor, julgue o próximo item.
O projeto está dentro do orçamento previsto, pois o custo real é inferior ao valor previsto na data de status.
Provas
Provas
Caderno Container