Foram encontradas 458 questões.
As figuras indicam um clipe de arame e suas medidas.

Desprezando-se a espessura do arame, quando esticado, o comprimento do segmento de arame utilizado para fazer esse clipe mede, em cm,
Provas
As expressões numéricas !$ {\large{3 \over 2}} \Delta {\large{5 \over 6}} = 1,8 !$ e !$ \sqrt{6} \ \nabla \sqrt{\large{1 \over 12}} = {\large{\sqrt{2} \over 2}} !$ tornam-se verdadeiras se os símbolos !$ \Delta !$ e !$ \nabla !$ forem substituídos, respectivamente, por símbolos de
Provas
Sendo x e y dois números inteiros positivos e sabendo que mmc(x,y) = 60 e mdc(x,y) = 3, dos números indicados a seguir, o único que necessariamente é um inteiro positivo é
Provas
Considerando uma imagem RGB com 256 níveis por canal, assinale a alternativa correta.
Provas
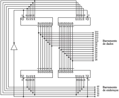
O banco de memórias apresentado tem um arranjo equivalente a uma memória total de

Provas
Dizer que o sinal do CCD foi quantizado significa que
Provas
Dado o número de entradas de endereços e de dados do diagrama da memória, a sua organização é

Provas
Um conversor Analógico Digital (ADC) de 12 bits converte um sinal de entrada em uma resolução de até
Provas
Um conversor Analógico Digital (ADC) tem um tempo de conversão de 100 μs. O número de amostras do sinal de entrada em um segundo será de
Provas
Um conversor Digital Analógico (DAC) com 8 bits de entrada tem valor de tensão de saída máximo de 5,1 V e mínimo de 0 V. Portanto, cada combinação binária de entrada representa um tamanho de degrau de tensão de saída correspondente a
Provas
Caderno Container