Foram encontradas 458 questões.
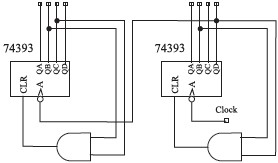
O circuito contador realiza a contagem de

Provas
O circuito lógico é de um

Provas
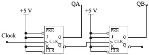
Um contador síncrono é caracterizado por ter
Provas
Observe o circuito.

A cada transição de descida do sinal de “Clock” para o circuito, a saída
Provas
Observe o circuito.

Analisando o comportamento das saídas S1 e S2 para as possíveis combinações binárias nas entradas A e B, pode-se afirmar que se trata de um circuito
Provas
A expressão lógica referente ao mapa de Karnaugh é:
| AB\CD | 00 | 01 | 11 | 10 |
| 00 | 0 | 0 | 1 | 0 |
| 01 | 1 | 1 | 1 | 0 |
| 11 | 0 | 1 | 1 | 1 |
| 10 | 0 | 1 | 0 | 0 |
Provas
A expressão lógica que determina o comportamento do circuito é:

Provas
A expressão simplificada do circuito é

Provas
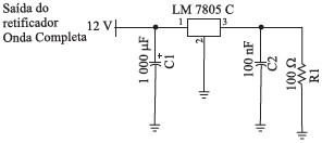
No circuito com o regulador de tensão, a corrente de saída (em R1) e a potência dissipada no circuito integrado 7805 são, respectivamente,

Provas
Considere o circuito.

No circuito regulador de tensão série, a tensão de saída e a potência dissipada em Q1 aproximada são, respectivamente,
Provas
Caderno Container