Foram encontradas 50 questões.
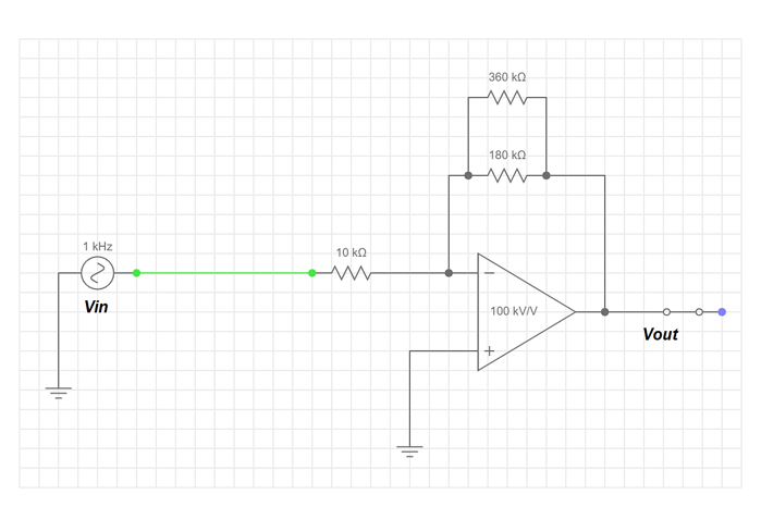
Observe a Figura 9 abaixo e determine o valor de Rf2 para que o ganho do circuito seja de 30dB.

Figura 9
Provas
Sabendo que a tensão de entrada no circuito da Figura 8 é Vin = 1V (Vp) ou 2V (Vpp), a saída Vout será:

Figura 8
Provas
Você necessita determinar a potência consumida por um equipamento que está ligado a uma fonte de tensão de 20V de Corrente Contínua (CC). Você tem à disposição um multímetro e material básico de bancada (ferramentas, fios, conectores, entre outros). Qual o procedimento adequado para realizar a medida?
Provas
Um equipamento possui duas fontes independentes, uma para o circuito eletrônico, outra para energizar um motor CC de 6V de alimentação. Durante a montagem do equipamento, notou-se a falta da fonte DC do motor, e então, foi utilizada uma fonte disponível de 12V. Nessas condições, assinale a alternativa correta.
Provas
Disciplina: Segurança e Saúde no Trabalho (SST)
Banca: FUNDATEC
Orgão: GHC
Sobre as orientações básicas de segurança em laboratório, pode-se afirmar que:
I. Não existe nenhuma recomendação ou norma que estabeleça o tipo de calçado a ser utilizado no laboratório, permitindo-se inclusive sandálias, contanto que estejam sendo usadas meias longas e grossas.
II. É proibido comer, beber ou fumar no interior dos laboratórios.
III. Durante realização de atividade em laboratório, é vedado o uso de adornos pessoais (relógio, aliança, correntes, piercing, etc.).
Quais estão corretas?
Provas
Observe o circuito da Figura 5, que se encontra incialmente descarregado e com a chave S1 aberta e analise as assertivas abaixo:

Figura 5
I. Trata-se de um circuito oscilador, aplicando sinal senoidal sobre a carga.
II. Trata-se de um retificador de meia onda.
III. A chave S1, quando fechada, irá reduzir o ripple de tensão sobre a carga.
IV. Trata-se de um retificador de onda completa em ponte.
Quais estão corretas?
Provas
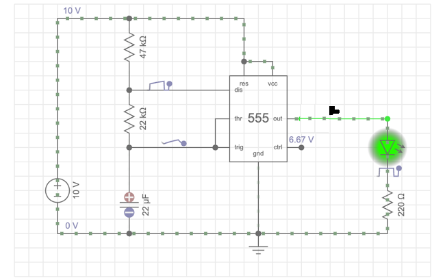
O circuito da Figura 3 é uma típica aplicação em eletrônica e utiliza um CI conhecido há décadas.

Figura 3

Figura 4
Assinale a alternativa na qual consta a aplicação do circuito e a forma de onda de saída, ilustrada na Figura 4.
Provas
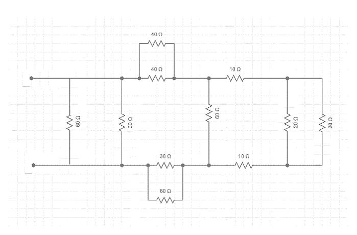
Determine a resistência equivalente no circuito da Figura 1.

Figura 1
Provas
- EscritórioMicrosoft OfficeExcelVersões do ExcelExcel 2016
- EscritórioMicrosoft OfficeExcelFórmulas e Funções do Excel
Analise a Figura 1, que mostra uma tabela feita no Excel 2016 e, após, preencha as lacunas dos trechos abaixo:
◢ | A | B | C | D |
1 | 102 | 110 | 105 | |
2 | 105 | 120 | 107 | |
3 | 103 | 106 | 103 | |
4 | 110 | 102 | 115 | |
5 | ||||
6 |
Figura 1 – Tabela no Excel 2016
1. Se na célula A5 for digitada a fórmula =SOMA(A1:C4), o resultado apresentado será .
2. Se na célula B5 for digitada a fórmula =CONT.NÚM(A1:C1;A4:C4), o resultado apresentado será .
3. Se na célula C5 for digitada a fórmula =MÁXIMO(A1:C4), o resultado apresentado será .
Assinale a alternativa que preenche, correta e respectivamente, as lacunas do trecho acima.
Provas
Para agilizar nossa utilização das ferramentas, é muito comum a utilização de atalhos de teclado. Considerando o navegador Google Chrome, relacione a Coluna 1 à Coluna 2, associando o comando de teclado à sua respectiva função.
Coluna 1
1. Ctrl+T
2. Ctrl+F
3. Ctrl+N
Coluna 2
( ) Abrir uma nova guia.
( ) Abrir uma nova janela.
( ) Abrir a barra localizar/buscar para pesquisar na página atual.
A ordem correta de preenchimento dos parênteses, de cima para baixo, é:
Provas
Caderno Container