Foram encontradas 399 questões.
Numere a segunda coluna de acordo com a primeira, associando os traumatismos dentários às suas respectivas características.
(1) Luxação lateral
(2) Avulsão
(3) Subluxação
(4) Luxação intrusiva
(2) Avulsão
(3) Subluxação
(4) Luxação intrusiva
( ) Ocorre a ruptura total do ligamento periodontal, porém com células viáveis na maior parte da superfície radicular.
( ) Apresenta som metálico ao teste de percussão vertical e encontra-se em infraoclusão.
( ) Após o trauma, normalmente a coroa encontra-se palatinizada e o ápice radicular vestibularizado.
( ) Leve mobilidade dentária, apresentando sinais clínicos de sangramento ao nível do sulco gengival.
( ) Apresenta som metálico ao teste de percussão vertical e encontra-se em infraoclusão.
( ) Após o trauma, normalmente a coroa encontra-se palatinizada e o ápice radicular vestibularizado.
( ) Leve mobilidade dentária, apresentando sinais clínicos de sangramento ao nível do sulco gengival.
A sequência correta de preenchimento dos parênteses da segunda coluna, de cima para baixo, é
Provas
Questão presente nas seguintes provas
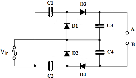
Considere a figura abaixo.

Dados:
C1=C2=C3=C4 = 100uF
Diodos D1 a D4 como ideais
Vin= 100VRMS
C1=C2=C3=C4 = 100uF
Diodos D1 a D4 como ideais
Vin= 100VRMS
Qual a forma de onda da tensão e o valor mais aproximado entre os pontos A e B?
Provas
Questão presente nas seguintes provas
Considere abaixo o gráfico de emissão de fluorescência.

Assinale a afirmativa correta quanto à possibilidade de uso de quatro fluoróforos em uma mesma amostra.
Provas
Questão presente nas seguintes provas
Considere as afirmações abaixo em relação aos testes imunológicos no transplante renal.
I - A prova cruzada por citometria de fluxo positiva para linfócitos T está associada à alta frequência de rejeição hiperaguda, mesmo na concomitância de prova por citotoxicidade dependente de complemento negativa.
II - A reatividade contra painel calculada no teste Luminex fornece a informação da possibilidade de transplante do paciente em uma determinada população.
III - Entre um doador vivo não relacionado e o seu receptor, a compatibilidade em três antígenos nos loci A, B e DR do sistema HLA é denominada de compatibilidade em um haplótipo.
Quais estão corretas?
Provas
Questão presente nas seguintes provas
Ao posicionar o paciente para o tratamento radioterápico, o técnico equivoca-se e coloca uma distância fonte-pele 2cm maior que o planejado, logo:
Provas
Questão presente nas seguintes provas
Considere Bronzino (2015), e associe os sinais biomédicos às suas respectivas faixas de frequência.
(1) EMG captado com eletrodos de superfície
(2) ECG captado com eletrodos de superfície
(3) EEG ondas Delta
(4) EEG ondas Alfa
(2) ECG captado com eletrodos de superfície
(3) EEG ondas Delta
(4) EEG ondas Alfa
( ) 8 – 13 Hz
( ) 2 – 500 Hz
( ) 0,05 – 100 Hz
( ) 0,5 – 4 Hz
( ) 2 – 500 Hz
( ) 0,05 – 100 Hz
( ) 0,5 – 4 Hz
A sequência correta de preenchimento dos parênteses da segunda coluna, de cima para baixo, é
Provas
Questão presente nas seguintes provas
Para qual das situações abaixo NÃO há contraindicação para transplante renal?
Provas
Questão presente nas seguintes provas
Observe as demonstrações de resultado da empresa Cia Alfa e da sua concorrente, Cia Beta, nos exercícios sociais de 20X4 e 20X5:
| Cia Alfa | Cia Beta | |||||
| 20X4 | 20X5 | AH* | 20X4 | 20X5 | AH* | |
| Receitas | 90.000 | 105.000 | 16,7% | 85.000 | 120.000 | 41,2% |
| Custos | (54.000) | (65.000) | 20,4% | (60.000) | (72.000) | 20,0% |
| Lucro bruto | 36.000 | 40.000 | 11,1% | 25.000 | 48.000 | 92,0% |
| Despesas comerciais | (5.400) | (5.800) | 7,4% | (3.500) | (5.000) | 42,9% |
| Despesas administrativas | (4.900) | (5.100) | 4,1% | (2.800) | (3.000) | 7,1% |
| Despesas financeiras | (3.400) | (6.000) | 76,5% | (1.800) | (1.700) | -5,6% |
| Lucro operacional | 22.300 | 23.100 | 3,6% | 16.900 | 38.300 | 126,6% |
* Análise Horizontal
Considerando a análise horizontal das demonstrações de resultados acima, pode-se afirmar que:
Provas
Questão presente nas seguintes provas
A ação tópica do flúor no ambiente bucal age no processo desmineralização-remineralização (DESXRE) e é efetiva na redução de perda mineral do esmalte na faixa de pH
Provas
Questão presente nas seguintes provas
Sobre o tratamento com iodo 131, assinale a alternativa INCORRETA.
Provas
Questão presente nas seguintes provas
Cadernos
Caderno Container