Foram encontradas 1.792 questões.
A respeito do cronograma de uma obra, julgue os itens a seguir.
O quadro de cálculo do efetivo de mão-de-obra (QCMO) é informação básica para elaboração do cronograma físico de uma obra.
Provas
A respeito do cronograma de uma obra, julgue os itens a seguir.
O levantamento da quantidade de serviços é atividade que deve ser desconsiderada na elaboração do cronograma de empreendimento, porque este procedimento já faz parte do projeto básico da obra.
Provas
Nos dias atuais, empreendimentos de grande porte, os denominados projetos complexos, não podem ser levados a bom termo sem um planejamento formal. De um modo geral, os projetos industriais são executados obedecendo a seqüenciação:
estudo de viabilidade técnico-econômica; desenvolvimento de engenharia básico; projeto de engenharia detalhado para execução; suprimento dos insumos; e construção.
Provas

luz da legislação vigente, julgue os itens subseqüentes a respeito da leitura e do faturamento de energia elétrica no Brasil.
Na modalidade de tarifa azul, com relação somente à demanda de potência ativa, existe um preço para o horário de ponta e um preço para o horário fora de ponta.
Provas

luz da legislação vigente, julgue os itens subseqüentes a respeito da leitura e do faturamento de energia elétrica no Brasil.
O faturamento de unidade consumidora do Grupo "B" é realizado com base no consumo de energia elétrica ativa. Mas, quando aplicável, deverá levar em conta, também, o consumo de energia elétrica reativa excedente.
Provas
Disciplina: Legislação Específica das Agências Reguladoras
Banca: CESPE / CEBRASPE
Orgão: HEMOBRÁS

luz da legislação vigente, julgue os itens subseqüentes a respeito da leitura e do faturamento de energia elétrica no Brasil.
A concessionária efetuará leituras, bem como faturamento, em intervalos exatos sempre de trinta dias.
Provas
Considere que a tabela a seguir reproduza o conteúdo que foi digitado, em uma planilha Excel do pacote Office 2007, mas que foi salvo no formato Excel 97-2003. As informações na coluna B referem-se à potência de pico em uma determinada hora do dia, tendo sido medida para cada dia útil da semana, representado na coluna A.
| A |
B |
|
| 1 | dia |
P(kW) |
| 2 | 2a |
11 |
| 3 | 3a |
13 |
| 4 | 4a | 8 |
| 5 | 5a | 5 |
| 6 | 6a | 12 |
Com base nessas informações, julgue o item que se segue.
Suponha que um usuário abra a planilha e execute os seguintes passos: marca as duas colunas A e B, (da linha de 1 a 7) e clica sempre uma vez em 1) inserir, 2) gráficos em colunas e 3) gráficos na forma de cilindro. Então, ao final deste procedimento, o gráfico resultante é o mostrado na figura a seguir, na cor apropriada selecionada pelo usuário.
Provas
Um transformador de força trifásico de dois enrolamentos é submetido aos ensaios de curto-circuito e de circuito aberto para levantamento dos parâmetros principais do seu circuito equivalente. Com relação a esta situação, julgue os itens subseqüentes.
Os únicos instrumentos de medidas utilizados nos dois tipos de ensaio são o voltímetro e o amperímetro para medição de grandezas CA (corrente alternada).
Provas
Um transformador de força trifásico de dois enrolamentos é submetido aos ensaios de curto-circuito e de circuito aberto para levantamento dos parâmetros principais do seu circuito equivalente. Com relação a esta situação, julgue os itens subseqüentes.
A relação de transformação do transformador é obtida do ensaio em curto-circuito.
Provas
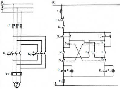
Considere a figura a seguir, referente a um circuito de força e de controle de um motor de indução trifásico.

C. M Franchi. Acionamentos Elétricos. Érica, 2.ª Ed., p. 222.
A partir das informações acima, julgue o item que se segue.
A proteção contra sobrecarga do motor é realizada pelos fusíveis existentes no circuito de força.
Provas
Caderno Container