Foram encontradas 1.792 questões.
Com respeito às características e propriedades dos materiais condutores, isolantes e magnéticos, julgue os itens que se seguem.
Em temperatura ambiente, constata-se que a diferença de energia entre as bandas de condução e valência dos materiais condutores é superior àquela dos materiais isolantes, resultando em um número maior de elétrons livres para estabelecimento do fluxo de corrente.
Provas
Referente ao processo de conversão analógica-digital, julgue os itens subseqüentes.
Para que um sinal analógico senoidal de freqüência f = 5 MHz possa ser devidamente digitalizado, deve-se utilizar um conversor A/D com taxa de amostragem de seis milhões de amostras por segundo.
Provas
Referente ao processo de conversão analógica-digital, julgue os itens subseqüentes.
Um sinal analógico com valores compreendidos entre 0 e 1 [V] é convertido quantizado por um conversor A/D de 8 bits. A resolução dessa conversão é de (1/256) [V].
Provas

O sinal onda quadrada v(t), ilustrado acima, é sintetizado por um circuito gerador de funções. A análise de Fourier aplicada a esse sinal revela a existência somente de harmônicos ímpares. Com respeito ao processamento do sinal v(t), julgue os itens a seguir.
Para fins de análise, o sinal v(t) é acoplado a um osciloscópio digital de 100 MHz através de um cabo de baixa blindagem. O sinal medido possui uma relação sinal-ruído (SNR) baixa devido ao mascaramento por ruído branco. Nessa situação específica, uma técnica eficiente para minimização do ruído poderia ser a aplicação da função média (averaging) sobre o sinal mascarado.
Provas

O sinal onda quadrada v(t), ilustrado acima, é sintetizado por um circuito gerador de funções. A análise de Fourier aplicada a esse sinal revela a existência somente de harmônicos ímpares. Com respeito ao processamento do sinal v(t), julgue os itens a seguir.
Com base na transformada de Fourier, o sinal v(t) possui componentes espectrais não-nulas apenas na freqüência f = 0,5 MHz e suas harmônicas ímpares (1,5 MHz, 2,5 MHz, 3,5 MHz, 4,5 MHz etc.).
Provas

O slew-rate (SR) de um amplificador operacional é definido como a taxa máxima de variação de seu sinal de saída \( (SR = { \large DV_o(t) \over dt} |_{max}) \), para que não ocorra distorção não-linear. Assim, se um determinado sinal de saída demandar uma taxa máxima de variação superior ao valor SR, esse sinal será distorcido e o amplificador operacional não funcionará satisfatoriamente. Com relação ao circuito ilustrado acima, em que o amplificador operacional possui SR = 15 V/ :s, julgue o item seguinte.
Acoplando-se o sinal \( v_i (t) 25 cos( 4x 10^6 t + 150^{ \circ}) \) [mV] à entrada do circuito, e substituindo-se Z1(s) e Z2(s) por \( 100 \Omega \) e R2, respectivamente, o valor máximo de R2 para que o sinal de saída vo(t) não seja distorcido pelo efeito slew-rate é \( R_{2max} = 5 K \Omega \).
Provas

O slew-rate (SR) de um amplificador operacional é definido como a taxa máxima de variação de seu sinal de saída \( (SR = { \large DV_o(t) \over dt} |_{max}) \), para que não ocorra distorção não-linear. Assim, se um determinado sinal de saída demandar uma taxa máxima de variação superior ao valor SR, esse sinal será distorcido e o amplificador operacional não funcionará satisfatoriamente. Com relação ao circuito ilustrado acima, em que o amplificador operacional possui SR = 15 V/ :s, julgue o item seguinte.
Admitindo-se que o amplificador operacional possa ser aproximado pelo seu modelo ideal, a função de transferência do circuito é dada por \( H(s) = { \large V_o(s) \over V_i(s)} = { \large Z_2(s) \over Z_1(s)} \).
Provas

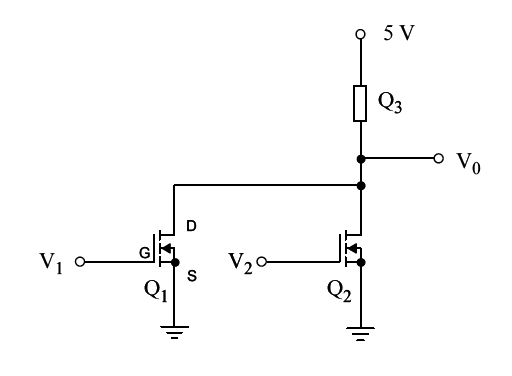
O circuito digital ilustrado acima é constituído por dois transistores NMOS do tipo enriquecimento (Q 1 e Q 2 ), idênticos, e por um transistor NMOS do tipo depleção (Q 3 ), que desempenha a função de resistor não linear. O circuito é projetado para trabalhar com dois níveis de tensão de entrada: 0,2 V (nível lógico 0) e 4,0 V (nível lógico 1). Quando Q 1 é alimentado com 4,0 V, a corrente de dreno e a potência estática dissipada correspondentes são 555 µA e 166,5 µW, respectivamente. Com base nessas informações, e sabendo-se que a tensão de limiar de Q 1 é dada por V t = 2,0 V, julgue os próximos itens.
A máxima potência estática dissipada pelo circuito digital é P max = 5,55 mW.
Provas

O circuito digital ilustrado acima é constituído por dois transistores NMOS do tipo enriquecimento (Q1 e Q2), idênticos, e por um transistor NMOS do tipo depleção (Q3), que desempenha a função de resistor não linear. O circuito é projetado para trabalhar com dois níveis de tensão de entrada: 0,2 V (nível lógico 0) e 4,0 V (nível lógico 1). Quando Q1 é alimentado com 4,0 V, a corrente de dreno e a potência estática dissipada correspondentes são 555 :A e 166,5 :W, respectivamente. Com base nessas informações, e sabendo-se que a tensão de limiar de Q1 é dada por Vt = 2,0 V, julgue o próximo item.
O circuito acima implementa uma porta lógica do tipo NOR (não-ou), e os níveis de tensão de saída (V0) são indicados na tabela verdade a seguir.
| ENTRADA | SAÍDA | ||||
|
V1 |
V2 | V0 | |||
|
nível de |
nível lógico |
nível de tensão [V] |
nível lógico |
nível de tensão [V] |
nível |
| 0,2 | 0 | 0,2 | 0 | 5,0 | 1 |
| 0,2 | 0 | 4,0 | 1 | 0,1 | 0 |
| 4,0 | 1 | 0,2 | 0 | 0,1 | 0 |
| 4,0 | 1 | 4,0 | 1 | 0,1 | 0 |
Provas

A figura acima mostra um impulso unitário X(s) = 1 [V] aplicado nos terminais de entrada de um sistema dinâmico cuja função de transferência é H(s). A transformada de Laplace Y(s) do sinal observado nos terminais de saída possui um zero em s = !2, e pólos em s1 = 0, s2 = - 1 e s3 = -3. Sabendo-se que Y(1) = 3/4 [V], julgue o item subsequente.
As constantes de tempo do sistema dinâmico são \( \tau_1 = [s] \) e \( \tau_2 = 1/3[s] \).
Provas
Caderno Container