Foram encontradas 639 questões.
A figura a seguir representa dois sistemas elétricos “A” e “B”, conectados através de dois condutores com resistência desprezível e percorridos pela corrente “I”.

Considerando que Va seja tensão aplicada, a fim de que a energia flua do sistema “B” para o sistema “A”, é necessário que
Provas
O ciclo de refrigeração compreende a sequência de operações onde ocorre a troca de calor pelo líquido refrigerante no sistema.
Com respeito a este ciclo, verifica-se que o mesmo apresenta lados de baixa e alta pressão, dependendo de sua posição no sistema.
Assinale a alternativa que indica os dispositivos que estão localizados no lado de alta pressão.
Provas
Os refrigerantes são meios pelo qual o calor é transportado no ciclo de refrigeração.
Assinale a alternativa que indica uma exigência para aplicação da substância refrigerante, para uso comercial.
Provas
O princípio da transmissão de calor baseia-se no fluxo de calor de um corpo de temperatura mais alta para outro que apresenta um calor sensível mais baixo. Conhecida a capacidade de isolamento térmico do ar, considere que o mesmo esteja contido entre as paredes duplas de um determinado equipamento de refrigeração.
Neste caso, o calor transmitido pelo ar ocorrerá pelo princípio da
Provas
Os trocadores de calor aplicados em sistemas de refrigeração, seja em média ou baixa temperaturas, desempenham funções de grande importância considerando-se o desempenho global do sistema.
Os condensadores são um dos elementos trocadores de calor, podendo ser de vários tipos.

A figura apresenta o esquema de um condensador resfriado do tipo
Provas
O circuito apresentado a seguir foi projetado para obter o valor de uma resistência Rx em função da leitura de Vab.

A função Rx(Vab), em k\( \Omega \), é dada por:
Provas
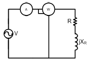
O circuito a seguir apresenta um circuito RL alimentado por uma fonte de tensão de 150 V (valores eficazes) de 60 Hz.

As leituras do amperímetro e do wattímetro são, respectivamente, 10 A e 500 W.
Os valores de R e XR da impedância, em \( \Omega, \) são, respectivamente, iguais a
Provas
O instrumento utilizado para medir a potência reativa consumida por uma carga é o
Provas
O circuito apresentado a seguir é alimentado por uma fonte senoidal, cuja frequência é a frequência de ressonância do sistema.

A impedância vista pela fonte de tensão é
Provas
Um gerador de corrente contínua, com excitação independente de 1 KW e 100 V, tem sua curva de característica terminal levantada a 1.800 rpm apresentada na figura a seguir.

O gerador é acionado por uma força motriz a uma velocidade de 1.800 rpm e sua resistência de armadura é 1\( \Omega \).
A corrente de campo, em A, necessária para que o gerador atenda uma carga com as suas características nominais, é
Provas
Caderno Container