Foram encontradas 86 questões.
Com relação ao EPI (equipamento de proteção individual), utilizado em serviços em eletricidade, é correto afirmar-se que
Provas
Questão presente nas seguintes provas
A figura abaixo mostra um circuito com portas lógicas.

É um circuito equivalente ao da figura:
Provas
Questão presente nas seguintes provas
Considere o circuito mostrado na figura abaixo.

O valor da tensão entre o coletor e o emissor VCE e a região de operação do transistor são, respectivamente,
Provas
Questão presente nas seguintes provas
A figura apresenta um transformador monofásico de 20 kVA, 500/100 V, 60 Hz. Em um laboratório, um técnico decide fazer um experimento: curto-circuitar os terminais A e C e conectar uma carga de impedância Z aos terminais B e D. Os terminais de tensão superior são alimentados por uma fonte de tensão alternada senoidal com a tensão nominal do transformador. Assim sendo, durante o experimento, o valor da corrente nominal, em A, absorvida da fonte, é
(Considere o transformador ideal.)

Provas
Questão presente nas seguintes provas
O motor monofásico de indução não possui conjugado motor de partida, portanto, para tornar o campo estatórico girante e solucionar este problema, ele é provido de um circuito de partida ou auxiliar composto por
Provas
Questão presente nas seguintes provas
Um motor de indução trifásico é acionado por um inversor de frequência. O eixo é acoplado a uma carga, cujo torque é constante para qualquer velocidade de operação do motor. Em uma determinada velocidade de operação, o valor eficaz, rms, e a frequência da tensão de fase aplicada ao motor são 200 V e 50 Hz, respectivamente. Sabe-se que, para elevar a velocidade de operação, a frequência da tensão foi elevada para 60 Hz, então, para manter o torque aplicado à carga, o valor, em Volts, da tensão gerada pelo inversor é
Provas
Questão presente nas seguintes provas
Texto 1
A dieta ideal
Sempre estive dividido entre a volúpia de comer bem e a necessidade de me alimentar com saúde. A gula venceu boa parte das batalhas. Nunca hesitei entre um camarão ao alho e óleo e um chuchu refogado. Mas a idade aumenta e o desejo de cuidar da saúde cresce. Aboli a carne de porco há anos, depois de ter lido que era a mais prejudicial. Se algum cientista dizia, devia estar certo. Abandonei os torresminhos, as linguiças, os pernis! Em minha recente viagem ao Japão, soube que pesquisadores do mundo todo estão estudando a dieta de Okinawa. É o lugar onde mais se vive no mundo. Há gente com mais de 100 anos, andando de bicicleta na rua. O que eles comem rotineiramente? Carne de porco! Quase chorei de tristeza pelo tempo perdido! Lamentei-me por todos os lombos assados que desdenhei! E os ovos? Garantiam que a gema era um veneno para o colesterol. Eu adoro ovo. Mas passei a evitar. Com a maior cara de pau, o mundo científico, há algum tempo, anunciou o contrário: ovo faz bem! Quem me devolve as omeletes não comidas?
Durante algum tempo, para melhorar o colesterol, eu tomava “água de berinjela”. Deixa-se a berinjela na água durante a noite e bebe-se em jejum. Não há maneira mais horrenda de começar o dia. No exame seguinte, meu colesterol continuava igual. Óbvio, o culpado era eu:
— Você deve ter exagerado em outras coisas. Se não fosse a berinjela, teria piorado! — acusou-me o médico alternativo.
(...)
E a história dos radicais livres? Partem do pressuposto de que cada célula é uma “fábrica”, cujo funcionamento deixa resíduos. É preciso eliminá-los com uma boa alimentação. A tese é ótima. A vilã sempre é a carne vermelha. Aconselha-se a substituição pela soja! Assim, tentei viver à base de carne de soja! Era tão gostosa como mastigar isopor! Também incorporei leite de soja. (...) Depois soube que o cálcio do leite animal é importante para os ossos! Em quem acredito?
A última moda em alimentação é a quinoa. Provém dos Andes e é considerada completa em termos nutricionais. Tem sabor de nada. Achava impossível algo ter sabor de coisa nenhuma, mas é o caso da quinoa. Dia desses, estava com um amigo em uma lanchonete. Ele vive de regime. Viu no menu: sanduíche de quinoa. Aconselhei:
— É um alimento maravilhoso que não engorda.
Agi com boa intenção. Talvez ele gostasse. Veio um hambúrguer de quinoa frita. Duas desvantagens de uma vez: engordava por causa da fritura e só tinha gosto do óleo em que mergulhara! Quase perdi o amigo!
Tudo o que é delicioso parece fazer mal: batatas fritas, hambúrgueres, refrigerantes, hot-dogs, bacon e, claro, qualquer delícia feita de açúcar!
Penso na minha avó, que cozinhava com banha de porco e quase chegou aos 90. E em outras velhas que conheci. Talvez o povo do passado soubesse algo sobre alimentação que o tempo esqueceu. No mínimo, eles não viviam estressados com tantas dietas e informações. Sentiam-se felizes por desfrutar a comida. Dietas são boas. Mas acredito que o principal ingrediente para a boa saúde é a paz de espírito.
CARRASCO, Walcyr. Revista Veja. São Paulo, 5maio 2010.
O verbo “mergulhar” está empregado no pretérito mais-que-perfeito do indicativo e assinala
Provas
Questão presente nas seguintes provas
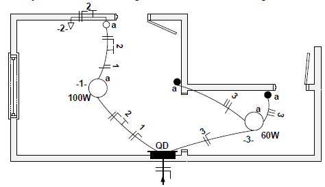
As funções dos circuitos do diagrama unifilar, mostrado na figura abaixo, estão corretamente reveladas na opção

Provas
Questão presente nas seguintes provas
Caso o rotor gaiola de um motor de indução fosse capaz de atingir sua velocidade síncrona, é correto afirmar-se que
Provas
Questão presente nas seguintes provas
São critérios que devem ser atendidos no dimensionamento da seção dos condutores de uma instalação elétrica de baixa tensão:
Provas
Questão presente nas seguintes provas
Cadernos
Caderno Container