Foram encontradas 86 questões.
Por motivo da escassez de chuvas na região Nordeste do Brasil, as usinas termoelétricas vêm sendo cada vez mais empregadas, para compor a matriz energética. O tipo de agrupamento, nas saídas dessas usinas, normalmente utilizado na transformação em subestações elevadoras trifásicas, é
Provas
Questão presente nas seguintes provas
Considere o circuito com o regulador de tensão variável LM317 mostrado na figura abaixo.

O valor da tensão de saída VS é
Provas
Questão presente nas seguintes provas
O valor correto, em W, da potência elétrica total dissipada pelo circuito da figura abaixo, é

Provas
Questão presente nas seguintes provas
O programa, na linguagem Ladder, que permite energizar a bobina S, quando o botão B1 for pressionado, mesmo que momentaneamente, está revelado na alternativa (A bobina S permanece energizada até que B2 seja pressionado)
Provas
Questão presente nas seguintes provas
Considerando-se que, em um laboratório de eletrotécnica, 2 (dois) condicionadores de ar, com consumo de energia de 2,6 kWh e 20 lâmpadas cada uma com especificação 220 V – 40 W permanecem ligados 10 h por dia, e que a concessionária de energia elétrica local cobra um valor de R$ 0,50 por kWh, o valor a ser pago, em R$, pelo consumo diário do laboratório é igual a
Provas
Questão presente nas seguintes provas
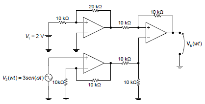
No circuito a seguir, considere que os amplificadores são ideais e que estão alimentados com VCC = !$ \pm !$15 V.

A tensão de saída VS(!$ \omega !$t) é igual a
Provas
Questão presente nas seguintes provas
São características ideais dos amplificadores operacionais:
Provas
Questão presente nas seguintes provas
O mapa de Karnaugh, mostrado na figura abaixo, foi preenchido com dados de uma tabela verdade com saída S.

A expressão lógica simplificada da saída S é
Provas
Questão presente nas seguintes provas
Texto 2
Um país de analfabetos científicos (Camila Guimarães)
A maioria da população brasileira(c) não domina a linguagem científica(b) necessária para lidar com situações cotidianas, tais como ler resultados de exames de sangue, calcular se o tanque tem gasolina suficiente para uma viagem, compreender o impacto de ações no meio ambiente ou entender a cobrança da conta de luz(d).
Essa é a conclusão(a) da primeira pesquisa nacional(e) que mede o índice de letramento científico (ILC) do brasileiro, feita pelo Instituto Abramundo, em parceria com o Instituto Paulo Montenegro, do Grupo IBOPE, e a ONG Ação Educativa.
Quase 65% da população metropolitana entre 14 e 50 anos, com mais de quatro anos de estudos, têm um ILC, no máximo, rudimentar. Pouco menos de um terço (31%) consegue entender textos com um grau um pouco maior de dificuldade, como interpretar a tabela de nutrientes em rótulos de produtos e especificações técnicas de produtos eletroeletrônicos. A maioria absoluta, 79%, além de não conseguir entender os termos científicos que lê, é incapaz de aplicar esse conhecimento a situações cotidianas, como ler um manual de instrução para usar um aparelho doméstico.
Entre os que fazem ou fizeram curso superior, apenas 11% podem ser considerados proficientes. Há uma parcela significativa, de 37%, que não passa do nível rudimentar. Entre os que estudaram até o ensino médio, a situação é ainda mais crítica: apenas 1% é proficiente e mais da metade (52%) tem domínio rudimentar.
"Nós já esperávamos um resultado ruim, mas o que veio foi péssimo”, afirma Ricardo Uzal, presidente do Abramundo. “Nós sabemos o quanto a ausência do domínio científico impede o exercício da cidadania. Quem tem esse domínio se coloca de forma diferente diante de problemas do dia a dia, sabe questionar, propor soluções, testar alternativas”. Uzal diz ainda que a pesquisa mostra que faltam políticas públicas adequadas, para melhorar o ensino de ciências nas escolas. Os resultados da pesquisa da Abramundo evidenciam ainda a falta de habilidade matemática aplicada ao dia a dia. “A Matemática serve como base para todas as outras ciências”, afirma Uzal.
Para os organizadores da pesquisa do ILC, o resultado mostra a urgência de se criar políticas públicas de educação, para melhorar a eficiência do ensino da disciplina no ensino fundamental e médio.
Disponível em:< http://epoca.globo.com/vida/noticia/2014/09/um-pais-de-banalfabetos-cientificosb.html>. Acesso em: 2 nov. 2016. Adaptado.
No segundo parágrafo do texto, o pronome demonstrativo “Essa” faz alusão ao segmento
Provas
Questão presente nas seguintes provas
Texto 2
Um país de analfabetos científicos (Camila Guimarães)
A maioria da população brasileira não domina a linguagem científica necessária para lidar com situações cotidianas, tais como ler resultados de exames de sangue, calcular se o tanque tem gasolina suficiente para uma viagem, compreender o impacto de ações no meio ambiente ou entender a cobrança da conta de luz.
Essa é a conclusão da primeira pesquisa nacional que mede o índice de letramento científico (ILC) do brasileiro, feita pelo Instituto Abramundo, em parceria com o Instituto Paulo Montenegro, do Grupo IBOPE, e a ONG Ação Educativa.
Quase 65% da população metropolitana entre 14 e 50 anos, com mais de quatro anos de estudos, têm um ILC, no máximo, rudimentar. Pouco menos de um terço (31%) consegue entender textos com um grau um pouco maior de dificuldade, como interpretar a tabela de nutrientes em rótulos de produtos e especificações técnicas de produtos eletroeletrônicos. A maioria absoluta, 79%, além de não conseguir entender os termos científicos que lê, é incapaz de aplicar esse conhecimento a situações cotidianas, como ler um manual de instrução para usar um aparelho doméstico.
Entre os que fazem ou fizeram curso superior, apenas 11% podem ser considerados proficientes. Há uma parcela significativa, de 37%, que não passa do nível rudimentar. Entre os que estudaram até o ensino médio, a situação é ainda mais crítica: apenas 1% é proficiente e mais da metade (52%) tem domínio rudimentar.
"Nós já esperávamos um resultado ruim, mas o que veio foi péssimo”, afirma Ricardo Uzal, presidente do Abramundo. “Nós sabemos o quanto a ausência do domínio científico impede o exercício da cidadania. Quem tem esse domínio se coloca de forma diferente diante de problemas do dia a dia, sabe questionar, propor soluções, testar alternativas”. Uzal diz ainda que a pesquisa mostra que faltam políticas públicas adequadas, para melhorar o ensino de ciências nas escolas. Os resultados da pesquisa da Abramundo evidenciam ainda a falta de habilidade matemática aplicada ao dia a dia. “A Matemática serve como base para todas as outras ciências”, afirma Uzal.
Para os organizadores da pesquisa do ILC, o resultado mostra a urgência de se criar políticas públicas de educação, para melhorar a eficiência do ensino da disciplina no ensino fundamental e médio.
Disponível em:< http://epoca.globo.com/vida/noticia/2014/09/um-pais-de-banalfabetos-cientificosb.html>. Acesso em: 2 nov. 2016. Adaptado.
Para persuadir o leitor a aceitar o que lhe foi comunicado no texto, a autora
Provas
Questão presente nas seguintes provas
Cadernos
Caderno Container