Foram encontradas 60 questões.
Texto 02 (Página de verso do panfleto da campanha de combate à tuberculose, distribuído pela Prefeitura de Vitória – A numeração foi incluída por nós para facilitar a localização dos itens analisados)

Em “... o tratamento deve ser feito o quanto antes e por um período mínimo de...” (Item 03), o sentido da parte grifada remete a
Provas
Texto 02 (Página de verso do panfleto da campanha de combate à tuberculose, distribuído pela Prefeitura de Vitória – A numeração foi incluída por nós para facilitar a localização dos itens analisados)

Marque a opção em a parte destacada do texto está INCORRETAMENTE analisada.
Provas
Texto 02 (Página de verso do panfleto da campanha de combate à tuberculose, distribuído pela Prefeitura de Vitória – A numeração foi incluída por nós para facilitar a localização dos itens analisados)

Marque a opção em que a reescrita de “A vacina BCG, obrigatória para menores de um ano, só protege as crianças contra as formas mais graves da doença. Adultos NÃO são protegidos por esta vacina.” (Item 02) mantém seu sentido original e obedece à norma padrão.
Provas
Texto 02 (Página de verso do panfleto da campanha de combate à tuberculose, distribuído pela Prefeitura de Vitória – A numeração foi incluída por nós para facilitar a localização dos itens analisados)

Considerando o total das informações dessa parte do panfleto, é CORRETO afirmar que
Provas
Texto 01 (Página frontal do panfleto da campanha de combate à tuberculose, distribuído pela Prefeitura de Vitória)

Considerando-se todo o texto da frente do panfleto, NÃO se pode afirmar que
Provas
Texto 01 (Página frontal do panfleto da campanha de combate à tuberculose, distribuído pela Prefeitura de Vitória)

Em “O tratamento foi o maior sucesso de minha vida.” é feita uma comparação entre o resultado do tratamento, a cura, e o sucesso da carreira do cantor e de suas composições. Aí, portanto, existem informações subentendidas, que formam o par de elementos comparados. A palavra que determina a presença de uma comparação na frase é
Provas
Texto 01 (Página frontal do panfleto da campanha de combate à tuberculose, distribuído pela Prefeitura de Vitória)

A campanha traz a imagem do cantor e compositor Thiaguinho, que recentemente foi vítima da tuberculose. A veiculação da história de Thiaguinho na campanha NÃO pode ser entendida como
Provas
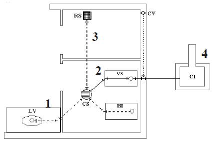
Marque a opção em que os elementos indicados pelos números no esquema hidráulico abaixo estão corretamente referenciados, seguindo-se a ordem crescente.

Provas
Para o controle da resistência à compressão do concreto usinado, é necessária a moldagem de corpos-de-prova cilíndricos e posterior rompimento em idades críticas. São cuidados a serem observados nesse processo, EXCETO:
Provas
No mercado brasileiro, existem cinco tipos de cimento Portland, que diferem entre si em função da sua composição e de suas características químicas, físicas e mecânicas. A respeito desse assunto, leia e julgue falsas ou verdadeiras as afirmativas a seguir:
( ) CP I – S possui adições com teor total não superior a 5% em massa, podendo ser de escória granulada de alto-forno, material pozolânico ou material carbonático (fíler).
( ) CP II – E é o tipo de cimento Portland com a maior porcentagem de adição de escória granulada de alto-forno.
( ) CP III é o cimento Portland com alta resistência inicial.
( ) CP IV é o cimento com maior adição de material pozolânico, o que gera um produto com características semelhantes ao CP III.
( ) CP V deve ser usado em concretos nos quais existe a necessidade de resistência mecânica elevada nas primeiras idades.
Marque a opção que contém a sequência obtida.
Provas
Caderno Container