Foram encontradas 50 questões.
A granulometria é a característica de um agregado de maior aplicação na prática e pode ser determinada pelo Ensaio de Composição Granulométrica regulamentado na ABNT NBR 17054:2022. No que diz respeito às curvas granulométricas ilustradas na figura a seguir, assinale a alternativa CORRETA.

Fonte: www. suportesolos.com.br
Provas
O principal objetivo da sondagem de solos é fornecer dados com maior precisão possível sobre as camadas de solo, sua composição, resistência, permeabilidade, capacidade de suporte, entre outras propriedades. Com essas informações julgue como VERDADEIRAS (V) ou FALSAS (F) as seguintes afirmações, e assinale a alternativa com a sequência CORRETA, de cima para baixo.
( ) As escavações manuais ou por meio de escavadeiras são alguns dos métodos diretos de investigação das características dos solos. Nesse processo, não é possível a coleta de amostras indeformadas, pois a perturbação do solo durante a escavação modifica as características naturais do solo.
( ) A sondagem a trado é um processo rápido e econômico que permite a obtenção de amostras indeformadas dos solos ao longo de uma profundidade de metro em metro. Esse método é muito empregado na prospecção de solos em obras rodoviárias, na determinação do nível d´água e na perfuração inicial de sondagens mecânicas.
( ) Nos métodos semi-diretos, tais como os ensaios de cone, pressiométrico e de palheta são realizados, em geral, nos furos de sondagem e são destinados a medir diretamente as propriedades específicas do solo. Nesses métodos não há coleta de amostras.
( ) O ensaio CPT (Cone Penetration Test) mede o esforço total necessário para cravação no solo de uma ponteira cônica solidária a um conjunto de hastes. O princípio do ensaio de cone é similar ao ensaio CBR de campo e fornece adicionalmente a expansibilidade do solo.
( ) O método SPT (Standard Penetration Test) tem como principais vantagens um custo relativamente baixo, facilidade de execução, possibilidade de trabalho em locais de difícil acesso, além de fornecer um índice de resistência à penetração correlacionável com a compacidade ou a consistência dos solos.
Provas
O método PERT/CPM (Program Evaluation and Review Techique – Critical Path Method) é uma abordagem de gerenciamento de projetos amplamente utilizada na construção civil para planejar, programar e controlar atividades complexas. Considerando a rede CPM esquematizada na figura a seguir, julgue como VERDADEIRAS (V) ou FALSAS (F) as seguintes afirmações, e assinale a alternativa com a sequência CORRETA, de cima para baixo:

( ) O gráfico representa um projeto com 5 tarefas a serem executadas e deve ser interpretado da esquerda para direita.
( ) A seta pontilhada indica que, para executar a tarefa E, é preciso que a tarefa B e a tarefa C estejam finalizadas.
( ) A seta pontilhada marca um ajuste na programação da obra conhecida como atividade imaginária ou fantasma.
( ) O caminho crítico para execução do projeto é o A, C, E e F, pois é o que leva menos tempo para ser finalizado e não permite folgas no planejamento.
( ) Após o término da atividade C é preciso esperar 2 dias para que a atividade B fique pronta e, só então, é possível realizar a atividade E.
Provas
Sempre que um solo ou rocha é removido de sua posição original, que é do terreno in natura, ocorre um rearranjo na posição relativa das partículas, acarretando um acréscimo de volume de vazios na massa. Do mesmo modo, quando uma quantidade de solo é lançada em um aterro e compactada mecanicamente, o volume final é geralmente inferior ao que a mesma massa ocupava no corte. Com base nessas informações, analise as afirmativas a seguir acerca de um volume de solo, medido na jazida de corte, necessário para produzir um aterro compactado de 1 m3, sabendo-se que esse solo tem uma redução volumétrica de 10% e um empolamento de 30%.
I. Se a redução volumétrica do solo é de 10%, a contração é de 90%.
II. Será necessário escavar 1,43 m3 de solo na jazida.
III. O volume a ser transportado é de 1,22 m3.
Está(ão) CORRETA(S) apenas:
Provas
Sobre a previsão de pontos de iluminação e de tomadas de uso geral e específico em projetos de instalações elétricas residenciais, julgue as seguintes afirmações:
I. Em cômodos ou dependências com área igual ou inferior a 6 m2 deverá ser prevista uma carga de iluminação de, pelo menos, 100 VA.
II. Em cozinhas, copas, áreas de serviço, lavanderias e locais análogos, deve ser previsto, no mínimo, um ponto de tomada para cada 3,5 m, ou fração de perímetro, sendo que, acima de cada bancada com largura igual ou superior a 0,30 m, deve ser previsto, pelo menos, um ponto de tomada.
III. Para os pontos de tomadas de uso específico deverá ser atribuída uma potência igual à potência do equipamento a ser alimentado. Quando a potência do equipamento não for conhecida deverá ser atribuída ao ponto de tomada uma potência nominal referente ao equipamento mais potente com possibilidade de ser ligado.
IV. Em cada cômodo ou dependência deverá ser previsto, pelo menos, um ponto de luz fixo no teto, com potência mínima de 100 VA.
Estão CORRETAS apenas as afirmações:
Provas
A NBR 12655:2015 estabelece os requisitos para propriedades, composição, preparo, aceitação e recebimento do concreto de cimento Portland para estruturas moldadas na obra e componentes pré-fabricados. Acerca desse assunto, julgue como VERDADEIRAS (V) ou FALSAS (F) as assertivas que seguem, e assinale a alternativa com a sequência CORRETA, de cima para baixo.
( ) Cabem ao profissional responsável pelo projeto estrutural a escolha da modalidade de preparo do concreto, escolha do tipo de concreto a ser empregado e sua consistência, seu recebimento e aceitação, e os cuidados requeridos pelo processo construtivo e pela retirada do escoramento.
( ) Ao profissional responsável pela execução da obra cabem o registro do fck do concreto, a especificação do fckj para etapas construtivas e a dos requisitos correspondentes à durabilidade da estrutura.
( ) O cimento deve ser armazenado separadamente de outros materiais, de acordo com marca, tipo e classe. Deve ser guardado em pilhas, em local fechado e empilhado em altura de, no máximo, 15 unidades, quando fornecido em sacos e ficar retido por um período inferior a 15 dias no canteiro de obras.
( ) Para concretos classe C20 e não estruturais é permitido que os materiais sejam medidos em massa ou em massa combinada com volume. Por outro lado, os materiais para concretos classe C25 e superiores devem ser obrigatoriamente medidos em volume.
( ) Para o controle de recebimento e aceitação do concreto, é necessária a realização de ensaios de consistência pelo abatimento do tronco de cone, sempre que ocorrem alterações na umidade dos agregados.
Provas
- Normas e LegislaçõesNBRsNBR 8.800: Projeto de Estruturas de Aço e de Estruturas Mistas de Aço e Concreto de Edifícios
A NBR 8800:2008 trata de projetos de estruturas de aço e de estruturas mistas de aço e concreto de edifícios. Sobre os aços para construção civil, assinale a sequência CORRETA de associação, de cima para baixo, entre as propriedades desses materiais e suas respectivas definições.
1. Ductilidade
2. Fragilidade
3. Tenacidade
4. Fadiga
5. Corrosão
( ) É a energia total, elástica e plástica que o material pode absorver por unidade de volume até a sua ruptura. Em tração simples, é representada pela área total do diagrama s, e.
( ) Denomina-se a capacidade do material se deformar sob ação das cargas. Os aços, quando sujeitos a tensões locais elevadas, sofrem deformações plásticas capazes de redistribuir as tensões. Essa capacidade pode ser medida pela deformação unitária residual após ruptura do material.
( ) Refere-se à capacidade do material de suportar carregamentos cíclicos ao longo do tempo sem falhar. Isso ocorre quando um componente ou material está sujeito a repetidas variações de carga, o que pode levar à falha estrutural mesmo quando as cargas individuais estão abaixo do limite de resistência do material.
( ) É o processo de reação do aço com alguns elementos presentes no ambiente em que se encontra exposto, sendo o produto dessa reação muito similar ao minério de ferro. Promove a perda de seção das peças de aço, podendo se constituir em causa principal de colapso.
( ) Ocorre nos aços por ação de diversos agentes, como baixas temperaturas e efeitos térmicos locais. O estudo dessa propriedade nos materiais metálicos tem grande importância, uma vez que o aço pode romper bruscamente.
Provas
A viga simplesmente apoiada, mostrada na figura a seguir, possui um vão de 600 cm, e está submetida a uma carga concentrada de 20 kN/m.

Se a seção transversal da viga retangular possui largura b = 10 cm e altura h = 30 cm, qual é o deslocamento vertical máximo da viga? Dado: Eaço = 21000 kN/cm².
Provas
Sobre a viga isostática ilustrada a seguir, analise as afirmações:

I. As reações RA e RB nos apoios da viga têm valores iguais.
II. O momento máximo da viga é \( M \)\( m \)á\( x \) = \( \dfrac{qa\left(L-a\right)}{2} \).
III. Em uma situação em que a carga distribuída nessa viga é igual a 2 t/m e os comprimentos a e L são iguais a 2 e 10 m, respectivamente, pode-se dizer que o valor do momento fletor no ponto C é igual a 8 tf/m2.
IV. O esforço cortante na distância L/2 dos apoios da viga é igual a zero.
Estão CORRETAS apenas as afirmações:
Provas
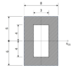
Para a superfície hachurada a seguir determinou-se o momento de inércia em relação ao eixo x que passa pelo centro de gravidade (medidas em centímetros). O valor do momento de inércia está CORRETAMENTE indicado na alternativa

Provas
Caderno Container