Foram encontradas 50 questões.
Sobre os Sistemas SCADA (Supervisory Control and Data Acquisition) é INCORRETO afirmar:
Provas
A Norma IEC 61131 define cinco linguagens de programação. Marque a opção que correlaciona CORRETAMENTE o trecho de código a sua respectiva linguagem de programação.

Provas
Estando as botoeiras B1 e B2, do tipo pulsante, ligadas normalmente fechadas ao CLP, marque a alternativa responsável por acender a lâmpada L1, somente se a botoeira B1 estiver pressionada e se a botoeira B2 não estiver pressionada.

Provas
A Norma IEC 61131 estabelece o desenvolvimento de programas a partir da abordagem de cima para baixo e de baixo para cima, fundamentada por três princípios. Marque a opção que apresenta esses princípios:
Provas
Analisando o código, em linguagem C, pode-se afirmar que após a execução do código, os valores de a, b e c, serão respectivamente:
#include<stdio.h>
int main(void)
{
int a = 10;
int b = 15;
int c = 20;
if (a != b && c > a || !(b > a))
{
b = 80;
}
else
{
c = 0;
}
a = 40;
}
Provas
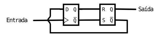
Deseja-se implementar um circuito digital para ligamento e desligamento de uma saída utilizando apenas uma entrada. Quando a entrada gerar um pulso, a saída ligará. Quando um novo pulso for gerado pela entrada, a saída desligará. O circuito que apresenta essa implementação é:
Provas
O circuito lógico combinacional mostrado na figura pode ser simplificado e, desta forma, representado por qual das equações algébricas mostradas nas alternativas abaixo?

Provas
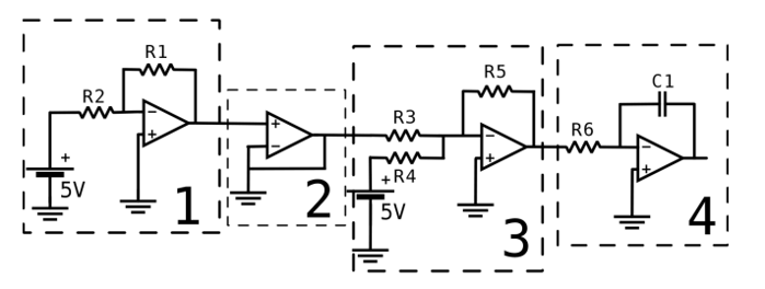
Dado o circuito abaixo, marque a opção que apresenta a identificação CORRETA dos tipos de montagens com os amplificadores operacionais.

Provas
Para responder à questão, considere o Amplificador Operacional ideal. Sobre o circuito abaixo, é CORRETO afirmar que:

Provas
Considere o diodo ideal, e com queda de tensão de 0,7 V e sentido convencional da corrente. Sendo assim, analisando o circuito abaixo, determina-se que o valor de “Va” é de aproximadamente:

Provas
Caderno Container