Foram encontradas 50 questões.
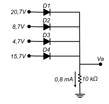
Para responder à questão, considere que a queda de tensão no diodo é de 0,7 V. Agora, verificando o circuito, pode-se afirmar que:

Provas
Considere a tensão da fonte em regime permanente \( V\left(t\right)=250\ \cos\left(2000t\right)mV \) para o circuito mostrado abaixo. Qual o valor da impedância entre os pontos a e b, denotados na mesma figura?

Provas
Considere o sentido convencional da corrente, sabendo que o circuito está em regime permanente, pode-se concluir que o potencial do ponto A é:

Provas
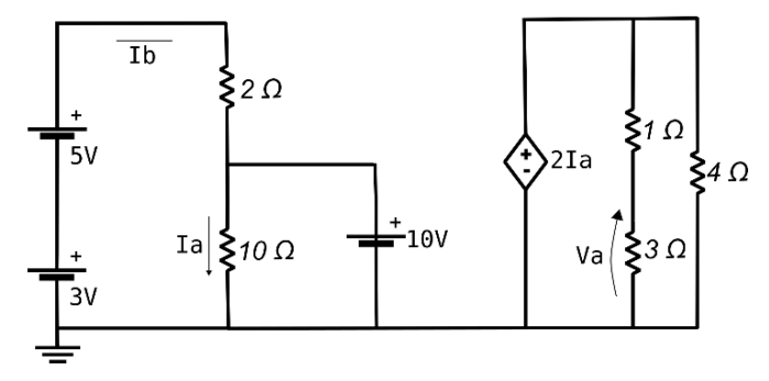
Considerando o sentido convencional da corrente, após analisar o circuito em questão, pode-se afirmar que:

Provas
A Lei nº 11.892/2008 instituiu a Rede Federal de Educação Profissional, Científica e Tecnológica e criou os Institutos Federais de Educação, Ciência e Tecnologia. Sobre as finalidades e características dos Institutos Federais, analise as assertivas abaixo:
I Ofertar educação profissional e tecnológica, em todos os seus níveis e modalidades, formando e qualificando cidadãos com vistas à atuação profissional nos diversos setores da economia, com ênfase no desenvolvimento socioeconômico local, regional e nacional.
II Desenvolver a educação profissional e tecnológica como processo educativo e investigativo de geração e adaptação de soluções técnicas e tecnológicas às demandas sociais, desconsiderando as peculiaridades regionais.
III Realizar e estimular a pesquisa aplicada, a produção cultural, o empreendedorismo, o cooperativismo e o desenvolvimento científico e tecnológico.
IV Promover a produção, o desenvolvimento e a transferência de tecnologias sociais, com exceção daquelas voltadas à preservação do meio ambiente.
São finalidades e características dos Institutos Federais CORRETAMENTE indicadas as constantes nas assertivas:
Provas
- UniãoExecutivoDecreto 1.171/1994: Código de Ética do Servidor Público Civil do Poder Executivo Federal
Acerca do que consta no Código de Ética Profissional do Servidor Público Civil do Poder Executivo Federal (Decreto nº 1.171/1994) e no Sistema de Gestão da Ética do Poder Executivo Federal (Decreto nº 6.029/2007), assinale a alternativa INCORRETA:
Provas
De acordo com a Lei 9.394/1996, que estabelece as diretrizes e bases da educação nacional, assinale a alternativa CORRETA:
Provas
- Lei 8.112/1990: RJUDos Direitos e VantagensDas Vantagens
- Lei 8.112/1990: RJUDo Regime DisciplinarDas Penalidades
Acerca da Lei 8.112/1990, que dispõe sobre o regime jurídico dos servidores públicos civis da União, das autarquias e das fundações públicas federais, assinale a alternativa INCORRETA:
Provas
De acordo com a Constituição da República Federativa do Brasil de 1988, assinale a alternativa INCORRETA:
Provas
ATENÇÃO: As questões de números 01 a 04 referem-se ao texto a seguir, que trata do desenvolvimento histórico da crônica no Brasil.
A crônica moderna, tida como um gênero fluído e permeável, situado na fronteira entre jornalismo e literatura, surgiu em meados do século XIX e se consolidou no Brasil ao longo do século XX, com a modernização da imprensa nacional. Nessa nova perspectiva, crônica refere-se a um texto em prosa curto, publicado em jornais e revistas. Apesar de ser uma espécie literária contingente e de consumo imediato, diferencia-se de outras modalidades jornalísticas. Em linhas gerais, reportagens, matérias e artigos constroem um ponto de vista objetivo e distanciado, o qual seria exigido pelas normas específicas de composição de tais narrativas que privilegiam certo recorte dos assuntos tidos como mais importantes e urgentes.
Já o cronista, sobretudo após o modernismo, procura trabalhar com imagens prosaicas da vida cotidiana, imaginando um outro tipo de interlocutor mais afeito a uma leitura rápida e prazerosa, que, por sua vez, não deixa de ser séria e instrutiva. Ele pretende também construir uma relação próxima e íntima com tal leitor, com privilégio para o narrador participante e para o narrador testemunha, abdicando da posição da terceira pessoa.
Por outro lado, as atribuições semióticas de novidade e urgência, caracterizadoras do discurso jornalístico, fazem com que a crônica privilegie a ficcionalização do presente, aproximando-se, por esse aspecto, dos textos que lhe são vizinhos. Na verdade, o cronista seleciona e extrai temas associados a eventos ou incidentes ocorridos recentemente, tratando o passado como coisa atual. Tal processo faz com que a memória presentifique o que interessa ao jornal como contínua contemporaneidade. [...]
(Adaptado de SALLA, Thiago Mio. O desenrolar da crônica no Brasil: história da permeabilidade de um gênero. Quadrant, v. 27, n. Montpellier III, p. 127-128, 2010.)
O texto abaixo serve de reflexão para a questão que se segue.
Contra as "chinesices" dos parnasianos, contra a literatura como "sorriso da sociedade" (Afrânio Peixoto), contra o beletrismo artificial e até contra o artesanato purista de Machado [de Assis] ou de Raul Pompéia, Lima [Barreto] vai iniciar sua busca eclética, adotando um realismo trágico e introspectivo, formulando uma estética da sinceridade, que fosse ao mesmo tempo um compromisso com a verdade e com o princípio utópico de libertação. Policarpo Quaresma, seu herói (ou anti-herói) mais emblemático, construído a partir das ideias nacionalistas apaixonadas, é um personagem lírico e trágico que revela, ao final, o desencanto com o projeto de Brasil proposto pelos republicanos.
VELOSO, Mariza; MADEIRA, Angélica. Leituras brasileiras: itinerários no pensamento social e na literatura. São Paulo: Paz e Terra, 1999, p.85.
Considerando-se o engajamento de literatos brasileiros no século XX na formulação de uma obra renovada e que traduzisse um projeto de Brasil, assinale a opção INCORRETA.
Provas
Caderno Container