Foram encontradas 50 questões.
No Linux, qual comando pode ser utilizado para preceder outros comandos a fim de executá-los com privilégios de superusuário?
Provas
- LinuxRedirecionamento I/O no Linux
- LinuxShell no LinuxShell Script
- WindowsLinha de Comando (Windows)PowerShell
Qual cmdlet ou operador é utilizado para redirecionar a saída de um comando para um arquivo, sobrescrevendo o conteúdo, nas linguagens de Shell script e PowerShell, RESPECTIVAMENTE?
Provas
Das opções apresentadas, qual NÃO corresponde a uma característica dos sistemas operacionais da família Windows?
Provas
Disciplina: TI - Organização e Arquitetura dos Computadores
Banca: IF-ES
Orgão: IF-ES
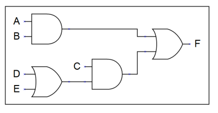
Com base no circuito de portas lógicas ilustrado na figura a seguir, considerando que as entradas são A, B, C, D e E, e a saída final é F, identifique qual alternativa descreve CORRETAMENTE a função booleana equivalente ao circuito:

Provas
Disciplina: TI - Organização e Arquitetura dos Computadores
Banca: IF-ES
Orgão: IF-ES
Qual nível de RAID distribui uniformemente os bits de paridade em todos os discos, evitando que apenas um disco fique responsável pela paridade e cause lentidão nas escritas?
Provas
Disciplina: TI - Organização e Arquitetura dos Computadores
Banca: IF-ES
Orgão: IF-ES
Qual a principal função do Contador de Programa (PC – Program Counter) no contexto da CPU durante a execução de um programa?
Provas

Com base na estrutura do banco de dados anteriormente apresentada, qual das alternativas apresenta uma consulta SQL que adiciona uma nova coluna chamada "DataNascimento" à tabela Aluno, para armazenar a data de nascimento de cada aluno, sendo que deve permitir valores nulos e ser do tipo DATE?
Provas

Com base na estrutura do banco de dados anteriormente apresentada, qual das alternativas apresenta uma consulta SQL utilizando a função SUM() que retorna o total da carga horária das disciplinas ministradas pelo professor "Alberto Santos Dumont" ?
Provas

Com base na estrutura do banco de dados apresentada na figura anterior, marque a alternativa que contém um comando SQL que retorna o nome dos alunos matriculados na disciplina "Matemática" e o nome do professor que ministra a disciplina, ordenando os resultados pelo nome do aluno em ordem alfabética crescente:
Provas
De acordo com o Decreto nº 11.072/2022, qual é o principal objetivo do Programa de Gestão e Desempenho (PGD) no âmbito da administração pública federal?
Provas
Caderno Container