Foram encontradas 355 questões.
É comum, em sistemas elétricos de potência, a instalação em paralelo de transformadores para atender aumento de demanda. No entanto, deve-se observar determinadas condições, antes de efetuar o paralelismo. Uma deles é a igualdade de deslocamentos angulares entre os enrolamentos de alta e de baixa tensão. A figura a seguir representa os diagramas fasoriais dos enrolamentos de alta e de baixa tensão de um transformados trifásico com ligação estrela- triângulo. Ela é usada para a identificação do deslocamento angular do transformador.

A partir da análise dos diagramas fasoriais, conclui-se que o ângulo de deslocamento entre os enrolamentos de alta e de baixa tensão é:
Provas
Questão presente nas seguintes provas
A constituição da máquina elétrica de corrente contínua compreende os seguintes enrolamentos: de armadura; de campo série; de campo shunt; compensador; e de interpolos. A função do enrolamento de interpolos é:
Provas
Questão presente nas seguintes provas
Em um circuito elétrico trifásico, efetuaram-se três medições da corrente eficaz de linha de uma das fases com um amperímetro. As medições da corrente foram: 10 A; 11 A; e 12 A. O coeficiente de variação (dispersão) é definido com a razão entre o desvio padrão amostral e a média aritmética, multiplicado por 100%. Qual é o coeficiente de dispersão das medidas realizadas?
Provas
Questão presente nas seguintes provas
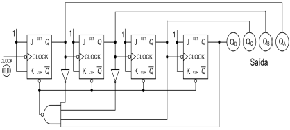
A figura a seguir representa um contador assíncrono de 4 bits e com saída QD, QC, QB e QA.

O contador mostrado na figura é denominado de módulo
Provas
Questão presente nas seguintes provas
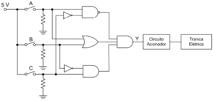
A figura a seguir representa o circuito lógico de acionamento de uma tranca elétrica em que o sinal Y que habilita o circuito acionador da tranca é ativo alto. O sinal Y depende do estado das chaves A, B e C.

Definido o estado das chaves como 1 para chave ligada a 0 para chave desligada, a combinação A, B, C que ativa a tranca elétrica é:
Provas
Questão presente nas seguintes provas
A figura a seguir representa um circuito linear, no qual a tensão de alimentação é !$ v=100 \sqrt{2}sen(100t) !$.

A partir da análise do circuito mostrado, conclui-se que a corrente i, em ampères, é:
Provas
Questão presente nas seguintes provas
A figura a seguir representa um circuito na configuração escada, comum em conversor digital- analógico.

A tensão sobre o resistor R, no circuito é:
Provas
Questão presente nas seguintes provas
Diagramar é explorar as condições que visualmente facilitam o processo comunicativo, organizando e hierarquizando a informação. Considerando que, no Ocidente, a leitura é feita da esquerda para a direita e de cima para baixo, em um folheto impresso, as principais informações devem estar
Provas
Questão presente nas seguintes provas
O uso adequado dos tipos gráficos é essencial para legibilidade e leiturabilidade de um produto gráfico. Para decidir quais elementos gráfico-editoriais devem compor um produto impresso, o diagramador tem de considerar
Provas
Questão presente nas seguintes provas
A marca de uma empresa ou instituição é composta de seus
Provas
Questão presente nas seguintes provas
Cadernos
Caderno Container