Foram encontradas 420 questões.
Um motor assíncrono trifásico com tensão V1 = 400 V, frequência = 50 Hz e 4 polos, possui enrolamento do estator conectado em estrela (Y), potência Ps = 7,5 kW, escorregamento do rotor s = 3%, eficiência respeitando todas as perdas h = 86% e fator de potência = 0,88. Com essas características, qual será o torque que esse motor produzirá?
Provas
Um gerador síncrono trifásico de 450 volts, 50 Hz, conectado em Δ, 4 pólos, tem reatância de eixo direto de 0,15Ω e reatância de eixo de quadratura de 0,07Ω. Sua resistência de armadura pode ser desprezada. Em plena carga, o gerador fornece \( 150\sqrt{3} \) A com fator de potência atrasado de 0,8. Nessas condições, qual é o valor da corrente de armadura?
Provas
Todas as atividades biológicas desenvolvidas pelo corpo humano são resultantes de impulsos enviados pelo cérebro na forma de corrente elétrica de baixíssimo valor. Porém, quando o indivíduo entra em contato com qualquer parte viva de um circuito elétrico, uma corrente passa a circular por esse indivíduo juntamente com a corrente fisiológica própria. O resultado é uma alteração nas funções vitais do indivíduo que pode levá-lo à morte (Mamede, 2015). Sobre o uso do DR, podemos afirmar que:
Referência: Mamede Filho, João. Instalações elétricas industriais : de acordo com a norma brasileira NBR 5419:2015 / João Mamede Filho. 9. ed. Rio de Janeiro : LTC, 2017.
Provas
- Transformadores e Máquinas ElétricasMáquinas EstáticasTransformadores Trifásicos e Autotransformadores
Um transformador é um dispositivo que converte, por meio da ação de um campo magnético, a energia elétrica CA de uma dada frequência e nível de tensão em energia elétrica CA de mesma frequência, mas outro nível de tensão. Ele consiste em duas ou mais bobinas de fio enroladas em torno de um núcleo ferromagnético comum (CHAPMAN, 2013). A respeito do núcleo, qual é a finalidade da laminação do núcleo em transformadores?
Provas
Dado o circuito a seguir, qual será a tensão de saída?

Provas
Considere o circuito mostrado na figura a seguir.

Considerando R1 = R2 = R3 e que os elementos são ideais (não possuem perdas), após estabelecido o regime permanente, pode-se afirmar que:
Provas
Em um determinado campus do IFMT, foi constatado um gasto elevado com energia elétrica. Para entender quais motivos levaram à conta de energia estar tão cara, um professor pediu para que os alunos estudassem as modalidades e postos tarifários.
Os estudantes apresentaram as seguintes informações:
I - Posto Tarifário Intermediário é o período de duas horas, sendo uma hora imediatamente anterior e outra imediatamente posterior ao posto ponta.
II - A modalidade tarifária horária branca é aplicada às unidades consumidoras do grupo B, caracterizada por tarifas diferenciadas de consumo de energia elétrica, de acordo com as horas de utilização do dia, sendo que o posto tarifário fora da ponta possui o menor valor da tarifa de consumo de energia elétrica.
III - A tarifa horária verde é aplicada às unidades consumidoras do grupo A, caracterizada por tarifas diferenciadas de consumo de energia elétrica, de acordo com as horas de utilização do dia, assim como de tarifas diferenciadas de demanda de potência.
IV - A tarifa horária azul se caracteriza por ter dois postos tarifários (ponta e fora de ponta), tanto na demanda quanto no consumo.
V - A modalidade tarifária convencional binômia é aplicada às unidades consumidoras do grupo A, caracterizada por tarifas de consumo de energia elétrica e demanda de potência, independentemente das horas de utilização do dia.
Verifica-se que estão CORRETAS:
Provas
Considere a planta da figura a seguir como parte de um projeto elétrico residencial:

Avalie as informações sobre o projeto:
I - O ponto de luz no teto é acionado por interruptores paralelos do circuito 12.
II - Os condutores que devem passar no eletroduto E1 necessários para completar as ligações existentes são, respectivamente, para o circuito 10: fase, neutro e terra; e para o circuito 12: retorno, retorno e retorno.
III - O neutro do circuito 12 precisa obrigatoriamente passar pelo eletroduto E1 para que ponto de luz no teto funcione corretamente.
IV - No eletroduto E2, deverão passar pelo menos três condutores fase.
Está CORRETO apenas o que se afirma em:
Provas
Uma planta industrial alimenta 200 kVA de motores de indução que possuem um fator de potência atrasado igual a 0,7. Se a fonte é trifásica ligada em estrela com tensão entre fases de 380 V e frequência de 60 Hz, determine a potência reativa capacitiva necessária para aumentar o fator de potência da instalação para 0,92.
Dados: sen (45,57º) = 0,71; cos (45,57º) = 0,70; tg (45,57º) = 1,02; sen (23,07º) = 0,39; cos (23,07º) = 0,92; tg (23,07º) = 0,43
Provas
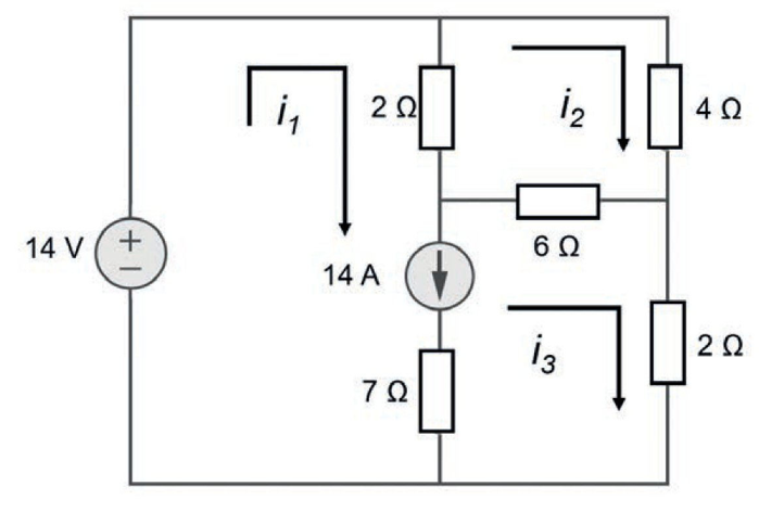
Considere o circuito elétrico mostrado

Assinale a alternativa que apresenta os valores das correntes i1, i2 e i3 respectivamente.
Provas
Caderno Container