Foram encontradas 910 questões.
A evapotranspiração acumulada de uma cultura de ciclo de 100 dias é 600 mm. Sabendo que a irrigação real necessária é igual a 42 mm, o Turno de Rega para essa cultura será:
Provas
Questão presente nas seguintes provas
Sobre o marketing social nas organizações, analise as afirmativas.
-
I - Utiliza conceitos de segmentação de mercado em favor de causas sociais.
II - Utiliza técnicas de marketing para estimular a promoção de bens simbólicos.
III - Visa ao interesse comum, estimulando mudanças de comportamento.
Está correto o que se afirma em
Provas
Questão presente nas seguintes provas
A coluna da esquerda apresenta os níveis da pirâmide que representa a arquitetura da automação industrial e a da direita, a composição de cada um. Numere a coluna da direita de acordo com a da esquerda.
1 - Nível Chão de Fábrica
2 - Nível Controle do Processo
3 - Nível Supervisão e Monitoramento
4 - Gerenciamento de Planta – MES
5 - Gerenciamento Corporativo – ERP
( ) Os sistemas que permitem integrar as diferentes informações de uma produção, tais como financeiras, logísticas e comerciais.
( ) O controle remoto da planta, constituído por interfaces homem-máquinas e banco de dados.
( ) Os sistemas focados no gerenciamento das atividades de produção que estabelecem uma ligação direta entre o planejamento e o chão de fábrica.
( ) Os controladores digitais, dinâmicos e lógicos permitindo um controle centralizado ou não das atividades da planta industrial.
( ) Os sensores discretos, as bombas, as válvulas, os contadores e equipamentos que executam um controle automático.
Assinale a sequência correta.
Provas
Questão presente nas seguintes provas
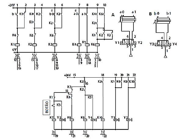
Em relação aos sistemas eletropneumáticos, analise os diagramas abaixo.

Assinale a alternativa que corresponde à indicação algébrica da sequência executada pelos atuadores pneumáticos A e B quando for pressionado o BOTÃO.
Provas
Questão presente nas seguintes provas
Sobre os números quânticos e as informações acerca das propriedades do elétron em um determinado orbital que estes fornecem, assinale a afirmativa INCORRETA.
Considere que o primeiro elétron a ocupar um orbital possui número quântico de spin igual a -1/2.
Provas
Questão presente nas seguintes provas

A Economia Orçamentária é:
Provas
Questão presente nas seguintes provas
Sobre as máscaras de rede no IPv4, marque a alternativa que apresenta a máscara de sub-rede /26 .
Provas
Questão presente nas seguintes provas

A imagem acima representa qual importante teste de aplicação para a identidade visual de uma marca?
Provas
Questão presente nas seguintes provas
Nascemos e vivemos sob o jugo do sol e da lua presentes em nossas vidas. Ao alternar dia e noite, notam-se as alterações de luz em nosso cotidiano. Em relação às características da Luz (direção, natureza e intensidade), marque V para as afirmativas verdadeiras e F para as falsas.
( ) O Sol, por ser nossa principal fonte de luz, funciona como Luz de Ataque.
( ) A atmosfera terrestre reflete a luz do sol, de tal forma que a transforma em Luz de Compensação.
( ) A luz presente nas luas crescente e minguante corresponde a uma Luz de Ataque.
( ) A atmosfera lunar reflete a luz do sol, criando o fenômeno do Contraluz.
Assinale a sequência correta.
Provas
Questão presente nas seguintes provas
Analise o diagrama FBD.

Baseado no diagrama FBD, assinale a alternativa que representa a mesma lógica em Lista de Instrução (IL).
Provas
Questão presente nas seguintes provas
Cadernos
Caderno Container