Foram encontradas 910 questões.
Condições de ambiente inadequadas afetam consideravelmente a produção de suínos. Com temperatura ambiente muito baixa, abaixo das temperaturas de conforto, o crescimento dos animais torna-se lento e, com o decréscimo das temperaturas, a eficiência da conversão alimentar é reduzida.
(MANGOLD, 1967.)
Sobre os efeitos da baixa temperatura em leitões, analise as assertivas.
I - O efeito das temperaturas baixas sobre o leitão recém-nascido resulta na redução da ingestão de colostro que determinará baixa concentração de anticorpos sanguíneos, concorrendo para maior susceptibilidade do leitão às doenças.
II - A pouca habilidade de pequenos animais, comparados aos grandes, em manter o balanço homeotérmico durante a exposição ao frio, é explicada pela sua menor taxa de massa corporal ou de superfície, a qual contribui para aumentar as perdas de calor.
III - A resistência ao frio é em alguns casos dependente do genótipo do animal. Isso tem sido demonstrado quando comparados leitões selvagens e domésticos. A resistência dos leitões selvagens é maior devido ao bom isolamento da pelagem e à mais pronunciada habilidade em utilizar a gordura.
IV - A hipotermia aumenta o metabolismo dos carboidratos nos leitões recém-nascidos através da retenção na liberação de insulina, levando a um aumento na taxa de utilização da glicose. Essa retenção na liberação da insulina pode ser revertida pelo reaquecimento dos animais hipotérmicos.
Está correto o que se afirma em
Provas
Questão presente nas seguintes provas
O conceito de alienação se encontra presente em diversas obras de Karl Marx, e é considerado central para a compreensão das relações sociais e de produção no modo de produção capitalista. Porém esse autor apresenta dimensões diferentes da alienação. Sobre essas dimensões, marque V para as assertivas verdadeiras e F para as falsas.
( ) Alienação do trabalhador em relação ao produto do seu trabalho - o trabalho torna-se um simples objeto e assume uma existência externa e estranha ao trabalhador.
( ) O trabalho torna-se algo alheio ao trabalhador - por consequência, este trabalhador vê-se forçado a fazê-lo apenas para satisfazer suas necessidades materiais, não tendo sentimento de prazer e realização.
( ) Alienação do homem em relação ao próprio homem - o homem se sente separado dos seus semelhantes. O trabalho que é um tormento para o trabalhador que é explorado e é a fonte de gozo e prazer do outro que explora.
( ) A alienação do homem do seu trabalho - ao separar o homem do trabalho manual, permite que os trabalhadores se realizem em trabalhos intelectuais.
Assinale a sequência correta.
Provas
Questão presente nas seguintes provas
Read the following text.
The new frontier for Business: work-life Integration
The days of clear separation between work and home are a thing of the past, and we´re still trying to figure out how to integrate life and work in a healthy way. In a recent Advise America survey, 87 percent of respondents felt they overwork – but at the same time, more than a third also said they don´t feel overloaded by work. Work-life integration is different than simply trying to find balance and separation, however. Let´s take a look.
GO HOME
For many, the key to integration has been leaving the office all together and working remotely. Esna, a provider of embedded real-time communication and collaboration solutions, reports that 20 percent of the 4.6 billion people that make up the global workforce telecommute. That´s 920 million people who have left the traditional office and integrated their work and home lives.
Chances are, if you’ve ever been to any coffee shop ever, you´ve been in someone´s office. Creative professionals often do their best work when inspiration strikes, and getting out of the “be here work here” mentality frees them to be more productive as well as live their own lives. Flexible employers recognize that employees working from home not only save money for the organization, but it produces a sense of fulfillment for staff that is hard to match. If you are struggling to find an integration between work and home, consider approaching your employer about working remotely, even if it is just for a fraction of your work week. Being able to wake up, have coffee in your own living room and work in a space that is comfortable and private can make a world of a difference.
(Available at www.officedynamics.com. Access 2015/07/02.)
According to the text, it is INCORRECT to say:
Provas
Questão presente nas seguintes provas
Em relação aos mecanismos que favorecem a alogamia em plantas, assinale a afirmativa correta.
Provas
Questão presente nas seguintes provas
Quetzalcóatl
La creación había terminado y los dioses y los humanos vivían en paz. Todos parecían satisfechos, menos el dios Quetzalcóatl, que pensaba que los humanos no eran tratados dignamente por los dioses.
- ¿Qué te pasa, hermano? - le preguntó Huitzilopochtli.
- Miro a los humanos y veo que están contentos, pero viven en la ignorancia, sin conocimientos… - respondió Quetzalcóatl.
- ¿Y qué harás? ¿Piensas darles el conocimiento, que es algo propio de los dioses? Ya sabes que mis otros dos hermanos no te permitirían hacer eso - dijo refiriéndose a Tezcatlipoca y a Xipe Topec.
- Eso mismo es lo que haré - replicó Quetzalcóatl - . Bajaré a la Tierra y enseñaré a los hombres una vida diferente y, si para eso tengo que renunciar a ser dios, lo haré.
Y así hizo. Bajó a la tierra y, convertido en hombre, Quetzalcóatl sintió por primera vez el hambre, el frío y el cansancio. Como estaba agotado, se sentó a la sombra de un árbol y se durmió. Quetzalcóatl soñó entonces con una fila de hormigas en la que cada una llevaba un grano de maíz, así que decidió hacerse del tamaño de ellas y seguirlas para saber de dónde habían sacado aquellos granos maravillosos. En sueños, trabajó con las hormigas y, cuando despertó, a su lado había un montón de maíz. Lo metió en un saco y se encaminó hacia la ciudad más importante de aquel tiempo: Tollán. Cuando Quetzalcóatl llegó a la ciudad, se estaba celebrando un sacrificio humano en honor a Tezcatlipoca. Quetzalcóatl paró el sacrificio y ordenó:
- Nunca más se realizarán sacrificios humanos.
- ¿Cómo te atreves a desafiar a los dioses? - preguntó el sacerdote - . Vas a traernos la ira de Tezcatlipoca.
- No tengáis miedo. Confiad en mí - respondió Quetzalcóatl.
Desde ese día, Tollán prosperó enormemente. Quetzalcóatl enseñó a los toltecas a cultivar el maíz, a trabajar el oro y mil cosas más. Prohibió los sacrificios humanos, impulsó el culto al sol y creó una orden de sacerdotisas que mantenían los templos. Al principio, los hombres lo querían adorar, pero Quetzalcóatl no aceptó y rechazó todos los lujos y privilegios.
(In: CORPAS, Jaime, et al. Aula internacional 3. Barcelona: Difusión, 2010.)
Se observa en el relato anterior un predominio de formas verbales en Pretérito Indefinido, cuya función textual es la de
Provas
Questão presente nas seguintes provas
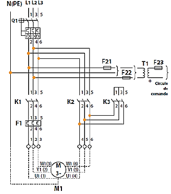
Analise o diagrama elétrico abaixo.

Com base no diagrama elétrico, assinale qual o ponto adequado para instalação das entradas L1, L2 e L3 de um relé de falta de fase que visa à proteção do motor.
Provas
Questão presente nas seguintes provas
Para uma função contínua !$ f:[a,b] \rightarrow \mathbb{R} !$ o valor médio de !$ f !$, denotado por !$ M_f !$, é definido por
!$ M_f=\dfrac{\int^b_a f(x) dx}{b-a} !$
Suponha que a concentração de uma determinada droga no sangue, em miligramas por mililitro, horas após ser administrada na corrente sanguínea de um paciente seja modelada pela expressão !$ f(t)=500e^{-0,4t} !$. O valor médio da concentração da droga no corpo do paciente durante as 5 primeiras horas após a administração é:
Provas
Questão presente nas seguintes provas
Jogo de panelas
Panelas são muitas e têm muita serventia. Cada qual com sua tampa, seu cabo e seu papel. Para o arroz, uma exclusiva. Casa com dois, panela de um litro, casa com quatro, a de dois litros; e assim por diante. Para o feijão, de pressão; para o angu, de pedra-sabão. Para curar anemia, panela de ferro. Depois de lavada, para não enferrujar, chama do fogo para ela secar. Para fazer pratos com história, panelas herdadas. Para o doce ficar com brilho, tacho de cobre, e para o cobre ficar brilhante, esfrega limão e sal.
[...]
Para a comida do bebê, as pequeninas, de ágata e de vidro. Para brincar de casinha, lata de sardinha. Para morador de rua, a que tiver – se tiver. Para exibir, Le Creuset. Para a moqueca, panela de barro. As mais certeiras? Capixabas, de Goiabeiras.
Para o panelaço, batam nelas com carinho. E pensem bem se a causa é justa. Afinal, panela não tem ideologia. A panela pode ser velha, mas a comida tem que ser boa. Sempre.
A respeito dos sinais de pontuação empregados no texto, assinale a afirmativa correta.
Provas
Questão presente nas seguintes provas
A Semântica é a área dos estudos linguísticos que se debruça sobre o estudo do significado das línguas naturais. Uma das formas de realizar esse estudo é analisando as relações de sentido. Nesse tocante, marque V para as afirmativas verdadeiras e F para as falsas.
( ) O trecho “Quem fala retrato já confessou idade. É velho. Hoje se diz ‘foto’” (Rubem Alves) é um exemplo de sinonímia.
( ) No trecho “No local, cães e gatos, adultos e filhotes, poderão ser adotados por maiores de 18 anos. Os animais foram resgatados das ruas. ” (Notícia, G1, 17/07/2015), cães e gatos é hiperônimo enquanto animais é hipônimo.
( ) Em “Não existiria som se não/ Houvesse o silêncio” (Lulu Santos e Nelson Mota), há uma relação de antonímia.
( ) No trecho “O número de casos confirmados de dengue neste ano no Rio Grande do Sul subiu para 1.235, segundo boletim divulgado nesta terça-feira (21) pela Secretaria Estadual da Saúde. [...] No estado, conforme o boletim, o maior registro de casos da doença ocorreu no sexo feminino” (Notícia, G1, 21/07/2015), dengue é hipônimo e doença é hiperônimo.
Assinale a sequência correta.
Provas
Questão presente nas seguintes provas
Observe as condições de solo, planta e irrigação apresentadas abaixo.
Dados:
- Umidade do solo na capacidade de campo: 35% (base em volume);
- Umidade do solo no ponto de murcha permanente: 17% (base em volume);
- Densidade do solo: 1,25 !$ g.cm^{-3} !$;
- Profundidade do sistema radicular: 40 cm;
- Usar 50 % da água disponível no solo;
- Eficiência de irrigação: 90 %.
O valor das lâminas líquida e bruta de irrigação é, respectivamente:
Provas
Questão presente nas seguintes provas
Cadernos
Caderno Container