Foram encontradas 70 questões.
Considere o circuito elétrico da Figura abaixo, contendo um conjunto de resistências ideais, R . Uma fonte de tensão contínua com 15 V é conectada ao circuito, conforme ilustrado na Figura abaixo.

Determine o valor da resistência para que a fonte forneça uma corrente de 1 A.
Provas
Questão presente nas seguintes provas
O objetivo dos aterramentos é assegurar sem perigo o escoamento da corrente de falta e fuga para a terra, satisfazendo as necessidades de segurança das pessoas e funcionais das instalações.

O esquema de aterramento acima, é do tipo:
Provas
Questão presente nas seguintes provas
Considere três transformadores monofásicos ideais e iguais, cuja relação de transformação é de N1/N2 = 10 para cada um. Os três transformadores têm seus enrolamentos conectados entre si para suprir uma carga trifásica puramente resistiva (conforme ilustrado na figura abaixo) formando um banco de transformadores.

Quando uma tensão de linha de 2.200 V for conectada no primário e a carga resistiva no secundário do transformador, a corrente na entrada do primário do transformador será de:
Provas
Questão presente nas seguintes provas
Em um sistema elétrico industrial 380 V / 220 V, as cargas são distribuídas nas três fases, conforme ilustrado na Figura abaixo. (considere !$ \sqrt 3 = 1,7 !$ e fator de potência unitário)

As correntes aproximadas nas fases A, B e C serão, respectivamente, de:
Provas
Questão presente nas seguintes provas
Considere um motor de indução trifásico, 4 polos, 380 V (tensão de linha) ligado em estrela (Y), apresentando as seguintes características:
- Potência fornecida pela rede elétrica, !$ P_1 = 32.250 W !$ .
- Potência dissipada no enrolamento do rotor, !$ P_2 = 1.250 W !$ .
- Potência dissipada no enrolamento do estator, !$ P_3 = 550 W !$ .
- Potência dissipada no ferro do estator, !$ P_4 = 450 W !$ .
Em relação ao escorregamento percentual do motor, assinale a alternativa CORRETA:
Provas
Questão presente nas seguintes provas
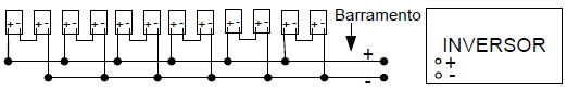
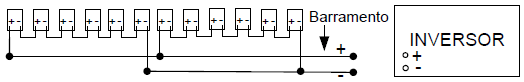
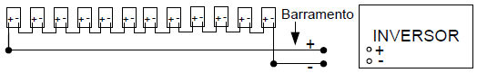
Em uma indústria, pretende-se instalar um sistema fotovoltaico. Para isso, foi adquirido um sistema de inversores trifásicos do tipo GRID TIE (ON GRID) com potência máxima de 3 kVA, 24 V CC de entrada e 380 V CA senoidal pura de 60 Hz na saída. Para a montagem serão utilizados 12 módulos fotovoltaicos, cada um com 250 W e 12 V CC.
Observe a Figura abaixo.

No arranjo do barramento dos módulos fotovoltaicos para a ligação com inversor em corrente contínua, deverão ser colocados:
Provas
Questão presente nas seguintes provas
TEXTO I
Concertos de leitura
Penso que, de tudo o que as escolas podem fazer com as crianças e os jovens, não há nada de importância maior que o ensino do prazer da leitura. Todos falam na importância de alfabetizar, saber transformar símbolos gráficos em palavras. Concordo. Mas isso não basta. É preciso que o ato de ler dê prazer. As escolas produzem, anualmente, milhares de pessoas com habilidade de ler mas que, vida afora, não vão ler um livro sequer. Acredito piamente no dito do evangelho: "No princípio está a Palavra…". É pela palavra que se entra no mundo humano. (...)
As razões por que as pessoas não gostam de ler, eu as descobri acidentalmente muitos anos atrás. Uma aluna foi à minha sala e me disse: "Encontrei um poema lindo!". Em seguida disse a primeira linha. Fiquei contente porque era um de meus favoritos. Aí ela resolveu lê-lo inteiro. Foi o horror. Foi nesse momento que compreendi. Imagine uma valsa de Chopin, por exemplo a vulgarmente chamada "do minuto". Peço que o pianista Alexander Brailowiski a execute. Os dedos correm rápidos sobre as teclas, deslizando, subindo, descendo. É uma brincadeira, um riso. Aí eu pego a mesma partitura e peço que um pianeiro a execute. As notas são as mesmas. Mas a valsa fica um horror: tropeções, notas erradas, arritmias, confusões. O que a gente deseja é que ele pare. Pois a leitura é igual à música. Para que a leitura dê prazer é preciso que quem lê domine a técnica de ler. A leitura não dá prazer quando o leitor é igual ao pianeiro: sabem juntar as letras, dizer o que significam — mas não têm o domínio da técnica. O pianista dominou a técnica do piano quando não precisa pensar nos dedos e nas notas: ele só pensa na música. O leitor dominou a técnica da leitura quando não precisa pensar em letras e palavras: só pensa nos mundos que saem delas; quando ler é o mesmo que viajar. E o feitiço da leitura continua me espantando. Faz uns anos um amigo rico me convidou para passar uns dias no apartamento dele em Cabo Frio. Aceitei alegre, mas ele logo me advertiu: "Vão também cinco adolescentes…". Senti um calafrio. E tratei de me precaver. Fui a uma casa de armas, isto é, uma livraria, escolhi uma arma adequada, uma versão simplificada da Odisséia, de Homero, comprei-a e viajei, pronto para o combate. Primeiro dia, praia, almoço, modorra, sesta. Depois da sesta, aquela situação de não saber o que fazer. Foi então que eu, valendo-me do fato de que eles não me conheciam, e falando com a autoridade de um sargento, disse: "Ei, vocês aí. Venham até a sala que eu quero lhes mostrar uma coisa!". Eles obedeceram sem protestar. Aí, comecei a leitura. Não demorou muito. Todos eles estavam em transe. Daí para a frente foi aquela delícia, eles atrás de mim pedindo que continuasse a leitura. Ensina-se, nas escolas, muita coisa que a gente nunca vai usar, depois, na vida inteira. Fui obrigado a aprender muita coisa que não era necessária, que eu poderia ter aprendido depois, quando e se a ocasião e sua necessidade o exigisse. É como ensinar a arte de velejar a quem mora no alto das montanhas…Nunca usei seno ou logaritmo, nunca tive oportunidade de usar meus conhecimentos sobre as causas da Guerra dos Cem Anos, nunca tive de empregar os saberes da genética para determinar a prole resultante do cruzamento de coelhos brancos com coelhos pretos, nunca houve ocasião que eu me valesse dos saberes sobre sulfetos. Mas aquela experiência infantil, a professora nos lendo literatura, isso mudou minha vida. Ao ler — acho que ela nem sabia disso — ela estava me dando a chave de abrir o mundo. Há concertos de música. Por que não concertos de leitura? Imagino uma situação impensável: o adolescente se prepara para sair com a namorada, e a mãe lhe pergunta: "Aonde é que você vai?". E ele responde: "Vou a um concerto de leitura. Hoje, no teatro, vai ser lido o conto A terceira margem do rio, de Guimarães Rosa. Por que é que você não vai também com o pai?". Aí, pai e mãe, envergonhados, desligam o Jornal Nacional e vão se aprontar…
(Adaptado de: ALVES, R. Entre a ciência e a sapiência: o dilema da educação. São Paulo: Editorial
Loyola, 1996.)
Para o autor do Texto I, o prazer da leitura:
Provas
Questão presente nas seguintes provas
Uma pessoa toca em uma estrutura metálica energizada e fica submetida a um potencial de toque, conforme mostrado na figura abaixo. Considere que a resistência do corpo humano !$ R_{CH} !$ é de !$ 1 k \Omega !$ e que o gradiente de resistência da sola de cada pé é de !$ 12 \Omega / cm^2 !$.Cada pé desta pessoa tem uma área média de !$ 90 cm^2 !$ e, no momento do contato com a estrutura, circula uma corrente de choque de !$ I{choque} = 200 mA !$.

Durante o choque, essa pessoa ficará sujeita a um potencial (em Volts)
Provas
Questão presente nas seguintes provas
Considere um motor de indução monofásico de 1 !$ kVA !$ e tensão de alimentação de 220 V, sabendo-se que o tempo de partida é de 3 s e !$ { \large I_p \over I_n} = 11 !$, acionado em partida direta. As curvas ilustradas na Figura abaixo são típicas de um tipo de fusível que será utilizado para proteção do motor.

Determine o valor nominal da corrente do fusível necessário para proteção do motor.
Provas
Questão presente nas seguintes provas
Em uma residência, foi instalado um sistema eólico e outro fotovoltaico para reduzir o consumo de energia elétrica. Considere as afirmativas sobre a economia de energia para essa residência num período de 30 dias:
- O consumo mensal da casa é de 300 kWh, antes da instalação do sistema eólico e fotovoltaico.
- O painel fotovoltaico tem uma potência média diária de 800 W e funciona durante 6 horas por dia.
- O sistema eólico tem potência média diária de 500 W e funciona por 18 horas por dia.
É CORRETO afirmar que, nessa residência, para o mês seguinte, o consumidor irá
Provas
Questão presente nas seguintes provas
Cadernos
Caderno Container