Foram encontradas 70 questões.
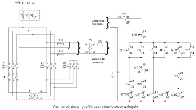
As Figuras abaixo ilustram o diagrama de força e comando para uma partida estrela-triângulo.

Analise os itens a seguir:
I. Ao acionar a botoeira pulsadora SH1 de contatos 13 - 14 NA, fará com que os contatos auxiliares NA (15-16 e 25-26) de KT1 fechem ao mesmo tempo.
II. Os contactores K1 e K3, quando acionados, implementam uma ligação do tipo Y no motor.
III. Os contatos auxiliares 21 - 22 NF de K2 e 21 - 22 NF de K3 configuram um intertravamento entre os contatores K2 e K3.
IV. Quando o motor já estiver acionado em delta, através da chave estrela-triângulo, para iniciar novamente o ciclo de operação, é necessário apenas acionar a botoeira pulsadora SH1, normalmente aberta.
Está CORRETO o que se afirma apenas em:
Provas
Questão presente nas seguintes provas
Em relação aos dispositivos de proteção, é CORRETO afirmar que:
Provas
Questão presente nas seguintes provas
Em um projeto elétrico de iluminação, os pontos de luzes são comandados por quatro interruptores, conforme ilustrado na Figura abaixo.

Para que o circuito de iluminação funcione de forma CORRETA, o conjunto de condutores contidos no eletroduto E deve ser:
Provas
Questão presente nas seguintes provas
Em uma residência foi instalado um sistema eólico e outro fotovoltaico para reduzir o consumo de energia elétrica. Sabendo-se que:
- O consumo mensal médio da casa é de 300 kWh, antes da instalação dos sistemas fotovoltaico e eólico. (Considerando o mês comercial de 30 dias).
- Os módulos fotovoltaicos têm uma potência média diária de 800 W e funcionam durante 6 horas por dia.
- O sistema eólico tem uma potência média diária de 500 W e tem um funcionamento médio de 18 horas por dia.
A redução do consumo de energia implicará
Provas
Questão presente nas seguintes provas
As tensões elétricas típicas que são distribuídas em baixa tensão aos clientes residenciais no território brasileiro, segundo a ANEEL, são de:
Provas
Questão presente nas seguintes provas
Considere o fragmento de um projeto elétrico ilustrado a seguir.

Determine os trechos que apresentam erro na instalação.
Provas
Questão presente nas seguintes provas
TEXTO II

Comparando-se o Texto II com o Texto I, só NÃO se pode afirmar que:
Provas
Questão presente nas seguintes provas
Uma pessoa toca em uma estrutura metálica energizada e fica submetida a um potencial de toque, conforme mostrado na figura abaixo. Considere que a resistência do corpo humano (!$ R_{CH} !$) é de 1 k!$ \Omega !$, que o gradiente de resistência da sola de cada pé é de !$ 10 \Omega/cm^2 !$, que cada pé desta pessoa tem uma área média de 90 !$ cm^2 !$ e que no momento do contato com a estrutura irá circular uma corrente de choque de !$ I_{choque} !$ = 200 mA.

Durante o choque, essa pessoa ficará sujeita a um potencial em Volts
Provas
Questão presente nas seguintes provas
TEXTO I
Concertos de leitura
Penso que, de tudo o que as escolas podem fazer com as crianças e os jovens, não há nada de importância maior que o ensino do prazer da leitura. Todos falam na importância de alfabetizar, saber transformar símbolos gráficos em palavras. Concordo. Mas isso não basta. É preciso que o ato de ler dê prazer. As escolas produzem, anualmente, milhares de pessoas com habilidade de ler mas que, vida afora, não vão ler um livro sequer. Acredito piamente no dito do evangelho: "No princípio está a Palavra…". É pela palavra que se entra no mundo humano. (...)
As razões por que as pessoas não gostam de ler, eu as descobri acidentalmente muitos anos atrás. Uma aluna foi à minha sala e me disse: "Encontrei um poema lindo!". Em seguida disse a primeira linha. Fiquei contente porque era um de meus favoritos. Aí ela resolveu lê-lo inteiro. Foi o horror. Foi nesse momento que compreendi. Imagine uma valsa de Chopin, por exemplo a vulgarmente chamada "do minuto". Peço que o pianista Alexander Brailowiski a execute. Os dedos correm rápidos sobre as teclas, deslizando, subindo, descendo. É uma brincadeira, um riso. Aí eu pego a mesma partitura e peço que um pianeiro a execute. As notas são as mesmas. Mas a valsa fica um horror: tropeções, notas erradas, arritmias, confusões. O que a gente deseja é que ele pare. Pois a leitura é igual à música. Para que a leitura dê prazer é preciso que quem lê domine a técnica de ler. A leitura não dá prazer quando o leitor é igual ao pianeiro: sabem juntar as letras, dizer o que significam — mas não têm o domínio da técnica. O pianista dominou a técnica do piano quando não precisa pensar nos dedos e nas notas: ele só pensa na música. O leitor dominou a técnica da leitura quando não precisa pensar em letras e palavras: só pensa nos mundos que saem delas; quando ler é o mesmo que viajar. E o feitiço da leitura continua me espantando. Faz uns anos um amigo rico me convidou para passar uns dias no apartamento dele em Cabo Frio. Aceitei alegre, mas ele logo me advertiu: "Vão também cinco adolescentes…". Senti um calafrio. E tratei de me precaver. Fui a uma casa de armas, isto é, uma livraria, escolhi uma arma adequada, uma versão simplificada da Odisséia, de Homero, comprei-a e viajei, pronto para o combate. Primeiro dia, praia, almoço, modorra, sesta. Depois da sesta, aquela situação de não saber o que fazer. Foi então que eu, valendo-me do fato de que eles não me conheciam, e falando com a autoridade de um sargento, disse: "Ei, vocês aí. Venham até a sala que eu quero lhes mostrar uma coisa!". Eles obedeceram sem protestar. Aí, comecei a leitura. Não demorou muito. Todos eles estavam em transe. Daí para a frente foi aquela delícia, eles atrás de mim pedindo que continuasse a leitura. Ensina-se, nas escolas, muita coisa que a gente nunca vai usar, depois, na vida inteira. Fui obrigado a aprender muita coisa que não era necessária, que eu poderia ter aprendido depois, quando e se a ocasião e sua necessidade o exigisse. É como ensinar a arte de velejar a quem mora no alto das montanhas…Nunca usei seno ou logaritmo, nunca tive oportunidade de usar meus conhecimentos sobre as causas da Guerra dos Cem Anos, nunca tive de empregar os saberes da genética para determinar a prole resultante do cruzamento de coelhos brancos com coelhos pretos, nunca houve ocasião que eu me valesse dos saberes sobre sulfetos. Mas aquela experiência infantil, a professora nos lendo literatura, isso mudou minha vida. Ao ler — acho que ela nem sabia disso — ela estava me dando a chave de abrir o mundo. Há concertos de música. Por que não concertos de leitura? Imagino uma situação impensável: o adolescente se prepara para sair com a namorada, e a mãe lhe pergunta: "Aonde é que você vai?". E ele responde: "Vou a um concerto de leitura. Hoje, no teatro, vai ser lido o conto A terceira margem do rio, de Guimarães Rosa. Por que é que você não vai também com o pai?". Aí, pai e mãe, envergonhados, desligam o Jornal Nacional e vão se aprontar…
(Adaptado de: ALVES, R. Entre a ciência e a sapiência: o dilema da educação. São Paulo: Editorial
Loyola, 1996.)
Sobre a função da escola no desenvolvimento do prazer de ler, o Texto I assim se posiciona:
Provas
Questão presente nas seguintes provas
Considere uma carga puramente resistiva, formada por um conjunto de resistores, idênticos, tal que !$ R = 100 \Omega !$. A carga pode ser ligada conforme as configurações I e II, ilustradas abaixo. Assim, para uma tensão de linha trifásica !$ (|Vab| = |Vbc| = |Vca| = 220 \sqrt3 ) !$ .

Indique a corrente de linha !$ (I_L) !$ para as configurações I e II, respectivamente.
Provas
Questão presente nas seguintes provas
Cadernos
Caderno Container