Foram encontradas 40 questões.
O homem se tornou lobo para o homem, porque a meta do desenvolvimento industrial está concentrada num objeto e não no ser humano. A tecnologia e a própria ciência não respeitaram os valores éticos e, por isso, não tiveram respeito algum para o humanismo. Para a convivência. Para o sentido mesmo da existência.
Na própria política, o que contou no pós-guerra foi o êxito econômico e, muito pouco, a justiça social e o culto à verdadeira imagem do homem. Fomos vítimas da ganância e da máquina. Das cifras. E, assim, perdemos o sentido autêntico da confiança, da fé e do amor. As máquinas andaram por cima da plantinha sempre tenra da esperança. E foi o caos.
(ARNS, Paulo Evaristo. Em favor do homem.
Rio de Janeiro: Avenir, p.10. Adaptado.)
O núcleo temático do texto está centrado:
Provas
Questão presente nas seguintes provas
Analise as colunas da esquerda e da direita a respeito das válvulas e suas nomenclaturas.
(1) De retenção
(2) De Escape Rápido
(3) De isolamento (Elemento OU)
(4) De simultaneidade (Elemento E)




Marque a alternativa que mostra a correspondência correta entre as válvulas e suas nomenclaturas.
Provas
Questão presente nas seguintes provas
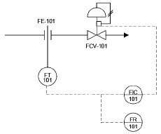
A respeito da malha da figura abaixo, qual a afirmativa ERRADA?

Provas
Questão presente nas seguintes provas
O micrômetro da figura abaixo está indicando a medida de certa peça.

Que valor está sendo medido?
Provas
Questão presente nas seguintes provas
Dado o paquímetro abaixo, indique a opção que representa o valor medido:

Provas
Questão presente nas seguintes provas
Os problemas de controle em malha fechada podem ser classificados em dois principais tipos de aplicações. Esses tipos são:
Provas
Questão presente nas seguintes provas
A operação de desbaste mostrada na figura abaixo (cabeça do peão de xadrez) é possível através da função:

Provas
Questão presente nas seguintes provas
Juliana, instrumentista de certa empresa de extração de petróleo e gás, precisava transportar a leitura da pressão de um vaso, localizado em campo, para uma sala de monitoração. Para isso precisava decidir que sinal deveria ser emitido pelo transmissor.
Levando em consideração a segurança, que tipo de sinal se indicaria?
Provas
Questão presente nas seguintes provas
Após passar pelos processos de produção, tratamento e distribuição, o ar comprimido deve sofrer um último condicionamento.
O responsável por esse último tratamento é a unidade de condicionamento. Marque a alternativa que apresenta os tratamentos realizados nessa unidade:
Provas
Questão presente nas seguintes provas
Analise o circuito mostrado na figura abaixo:

Marque a alternativa que descreve corretamente a seqüência de movimentação das válvulas e pistões:
Provas
Questão presente nas seguintes provas
Cadernos
Caderno Container