Foram encontradas 480 questões.
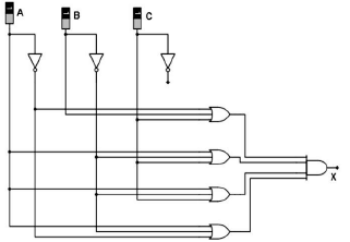
Deseja-se projetar um circuito lógico com três entradas e uma saída. A saída é um alarme que deve ser acionado toda vez que duas ou mais entradas estejam acionadas. Considerando A, B e C as entradas e Y a saída, o circuito que representa o projeto é ilustrado na figura:
Provas
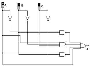
Um técnico decidiu automatizar um sistema de separação de peças de uma indústria qualquer. Ao analisar as possibilidades, encontrou a expressão lógica:
!$ X=ABC+\overline{ABC}+\overline{A}BC+\overline{A}B\overline{C} !$
Simplificando essa expressão ao usar álgebra booleana, o técnico irá encontrar:
Provas
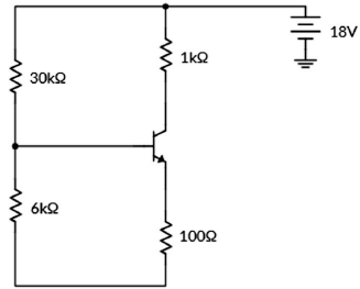
A figura a seguir apresenta um circuito com um transistor bipolar e junção.

Sendo a corrente de base igual a 100 mA, a tensão VBE=0,7 V e considerando IE aproximadamente igual a IC, o ganho de corrente na configuração emissor comum desse transistor é:
Provas
A figura mostra um circuito reguladora zener.

O zener é um diodo especial projetado para funcionar na região reversa. Assim, ele é um excelente regulador de tensão, pois nesta região a tensão pouco varia. Entretanto, para a utilização do zener como regulador precisa-se garantir que ele esteja na região de regulação, ou seja, que a corrente nele esteja entre !$ I_{Zmin} !$ e !$ I_{Zmax} !$. Sendo !$ I_{Zmax} !$ = 131 mA e !$ I_{Zmin} !$ = 5 MA, a resistência RS que garante a regulação para o circuito está entre:
Provas
Em 01/01/2019, a Cia. Infinita adquiriu, à vista, uma máquina pelo valor de R$ 3.400.000,00. Na data da aquisição, a vida útil definida para o equipamento foi 20 anos e o valor residual estimado foi R$ 200.000,00. Em 01/01/2020, a Cia. reavaliou a condição de uso da máquina e estabeleceu a vida útil remanescente em 15 anos e o novo valor residual estimado em R$ 240.000,00.
Sabendo que a Cia. Infinita utiliza o método das cotas constantes para cálculo da despesa de depreciação, o valor contábil do equipamento evidenciado no Balanço Patrimonial de 31/12/2021 foi, em reais, de:
Provas
A Provisão para Devedores Duvidosos (PDD) foi substituída pela Conta Perdas Estimadas para Crédito de Liquidação Duvidosa. Em referência a esta Conta, afirma-se que:
Provas
Basicamente, há duas ramificações da Contabilidade: a Contabilidade Financeira, cujo objetivo principal remete às necessidades de informações de usuários externos da informação contábil, e a Contabilidade Gerencial, com o objetivo principal de atender às necessidades de informações de usuários internos da informação contábil para a tomada de decisões. Dentre as opções a seguir, são considerados como usuários internos:
Provas
- LicitaçõesLei 14.133/2021Das Licitações (arts. 11 ao 87)Contratação Direta, Dispensa e Inexigibilidade (art. 72 ao 75)
A licitação é dispensada:
Provas
O documento oficial cujo prazo de tramitação não pode ultrapassar o período de tempo determinado em lei, regulamentado, regimento ou o fixado por autoridade competente é chamado de:
Provas
O documento oficial cujo trato pede alto grau de segurança e seu teor só deve ser conhecido pelos agentes públicos diretamente ligados ao seu estudo ou manuseio tem grau de sigilo:
Provas
Caderno Container