Foram encontradas 706 questões.
O espelho de corrente, apresentado na figura, é uma alternativa interessante para fazer a injeção de corrente em um resistor a fim de medi-lo. Ou seja, é parte do circuito interno de um ohmímetro digital. Para completar este medidor, seria necessária a utilização de um microcontrolador para converter a tensão entre os pontos A e B em um equivalente digital e assim calcular a relação desta tensão com o valor da resistência. Com relação a esta situação, considere que os transistores sejam idealmente idênticos, identifique as afirmativas CORRETAS.

I. Se considerarmos Vcc = 5 V, VBE = 0,7 V o valor do resistor R1 para que uma corrente de 10 mA flua por algum resistor conectado aos pontos A e B é de 470 !$ Ω !$.
II Se considerarmos VCE_Q2 = 0 V, Vcc=5 V a corrente que flui no ramo de R1 igual a 15μA. A máxima resistência que poderá ser medida entre os pontos A e B é de 500 !$ k Ω !$.
III. A resolução de resistência deste ohmímetro em !$ Ω !$ considerando uma resistência de fundo de escala de 200 !$ k Ω !$ e a utilização de um conversor A/D de 10 bits será de 195,31 !$ Ω !$.
IV. Uma possível fonte de erro sistemático para este instrumento é o chamado descasamento, ligeiras diferenças entre os transistores Q1 e Q2 que resultam numa corrente no ramo de Q2 ligeiramente diferente da corrente projetada para o ramo de Q1.
Assinale a alternativa que contém apenas as afirmativas CORRETAS:
Provas
Leia as afirmativas sobre tratamento terciário de esgoto sanitário.
I. A remoção de nutrientes (nitrogênio e fósforo), assim como a desinfecção, são considerados tratamentos terciários.
II. A remoção de fósforo é realizada principalmente por processos biológicos.
III. A desnitrificação ocorre na presença de oxigênio dissolvido.
IV. A desinfecção pode ser realizada por processos naturais ou artificiais. Os processos artificiais podem ser químicos, como a cloração; ou físicos, como a radiação ultravioleta.
Assinale a alternativa que apresenta somente as afirmativas CORRETAS.
Provas
O regulador linear quadrático LQR, é utilizado para controlar sistemas descritos em espaço de estados, de forma a minimizar a função custo: !$ J= \int_{0}^{∞} (x^T Qx+ u^T Ru)dt !$, , onde Q é um fator de ponderação de estados e R o fator de ponderação do sinal de controle. O objetivo é determinar uma matriz P que satisfaça a Equação Algébrica de Riccati de forma a obter a matriz de realimentação ótima de estados K, dada por !$ K=R^{-1}B^TP !$.
Assinale a alternativa que indica CORRETAMENTE a descrição do sistema em espaço de estados em malha fechada, após a aplicação da matriz de realimentação de estados.
Provas
É de entendimento comum no campo do Design que existem alguns produtos que se encaixam em um contexto diferente. São objetos que foram confeccionados em virtude de um avanço tecnológico ou do uso de um material inovador. Hoje, esses objetos são considerados ícones dentro da área de conhecimento. De certa forma, recebem status diferenciado, em conjunto com o nome do autor. A seguir, são apresentados 4 exemplos:

Considerando os exemplos anteriores, assinale as frases verdadeiras com (V) e as falsas com (F).
( ) A primeira cadeira é a lendária "Chair nº14". Foi desenvolvida na segunda metade do século XIX por Michael Thonet. Ficou conhecida, acima de tudo, pelo processo de produção. Era feita com madeira curvada após o aquecimento das lâminas.
( ) A segunda cadeira é um ícone do design contemporâneo. Foi construída em 1998 por Ross Lovegrove. O designer que fez uso de materiais não convencionais (de alto padrão tecnológico).
( ) A terceira cadeira é a "MB-118 Chair". Foi desenvolvida em 1928 por Marcel Breuer. A cadeira ficou conhecida por utilizar aço tubular e por ser feita com as mesmas técnicas originalmente desenvolvidas para a confecção de quadros de bicicleta.
( ) A quarta cadeira é a famosa "Polyprop". Foi desenvolvida em 1963 por Robin Day. Recebeu esse nome em função do material utilizado (o polipropileno), que recentemente havia sido liberado para a comercialização.
Assinale a alternativa que contém a sequência CORRETA de cima para baixo.
Provas
“Úlcera em olho de pombo”, “passo de bailarina” e “loucura dos chapeleiros” são termos associados a sinais e sintomas de exposição ocupacional a quais substâncias, respectivamente?
Provas
Conhecer o contexto de trabalho em que se está inserido é crucial para o melhor desempenho nas proposituras de ações. Assim, pergunta-se sobre o contexto da política de educação à qual os Institutos Federais de Educação, Ciência e Tecnologia estão inseridos. Assinale a alternativa que apresente alguma informação INCORRETA.
Provas
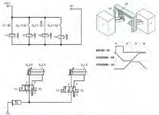
Analisando o diagrama elétrico e pneumático do equipamento de movimentação de peça e acionamento manual mostrado abaixo podemos afirmar para que:

https://www.google.eom.br/search?rlz=1 C1 PRFI enBR726BR726&biw=1366&bih=637&tbm=isch&sa=1 &q=diagrama+elet rov%C3%A 1 lvulas&oq=diagrama+eletrov%C3%A 1 lvulas&gs - - acessado em 09/2017
Assinale a proposição CORRETA quanto ao funcionamento dos circuitos
Provas
Para este autor, o ensino deveria ser feito pela ação e estar voltado para a ação, em que "só fazendo, aprendemos a fazer''. É considerado um dos principais representantes da pedagogia realista e lançou, em 1932, a Didática Magna. Assinale a alternativa CORRETA referente ao autor em questão.
Provas
Assinale a alternativa que indica CORRETAMENTE a função de transferência relativa ao sistema descrito abaixo em espaço de estados:
!$ \begin{matrix} \dot{x}_1 & -1 & 0 & 0 & x_1 & 1 \\ [\dot{x}_2] =& [0&-2&0].& [x_2]+&[1]. \mu \\ \dot{x}_3 & 0 &0 &-3& x_3 &1 \end{matrix} !$
!$ \begin{matrix} & x_1 \\y=[2-43] . & [x_2] \\ & x_3 \end{matrix} !$
Provas
Considere o texto da campanha do agasalho realizada pela empresa de trens urbanos de Porto alegre (Trensurb) em 2008:
“O primeiro passo para ser solidário começa por aqui. Participe doando nas estações da Trensurb sapatos, roupas e qualquer tipo de agasalho. Esse é o caminho da solidariedade.”
Assinale a alternativa CORRETA:
Provas
Caderno Container