Foram encontradas 1.513 questões.
O que é impresso na tela de acordo com programa abaixo?
|
int y = 10, z = 2; for (int x = 0; x<5; x++) { if (x % 2 ==0) y = z + x; else y++; z++; printf ("x:%d y:%d z:%d \n", x, y , z); } |
Provas
Dado um sinal PWM (modulação por largura de pulso) de tensão de entrada 15,0 V tem tempo de chaveamento ligado de 2,0 ms. Determine o tempo de chaveamento desligado Toff para que a tensão média de saída seja 5,0 V:
Provas
A temperatura é uma variável de processo importante e muito utilizada pela indústria, portanto, deve ser bem controlada. Os principais sensores utilizados são: termopares, PT-100, termistor e sensor de temperatura integrado. Assinale a alternativa correta:
Provas
Indique qual a alternativa que apresenta a descrição correta dos símbolos apresentados respectivamente:

Provas
Os tiristores, são dispositivos eletrônicos que possuem 4 ou mais camadas PNPN. Pode-se dividir os tiristores em dois grupos: tiristores de potência e tiristores de disparo. Assinale a alternativa correta:
Provas
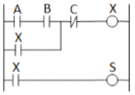
Dado o diagrama LADDER a seguir, pode-se afirmar:

Provas
Considere o seguinte Diagrama Ladder:

A função lógica implementada no circuito é:
Provas
Sobre os padrões de linguagens de programação de Controladores Lógicos Programáveis (CLP), linguagens classificadas como padrões textuais e gráficos, respectivamente, são:
Provas
Considere o circuito da figura a seguir. Sabendo que a tensão entre base e emissor é de 0,7V, a tensão entre coletor e emissor é de 5V. Calcule o ganho de corrente (hfe) no transistor:

Provas
A figura a seguir mostra o símbolo de um dispositivo eletrônico (a) e seu circuito equivalente (b). Ambos correspondem ao dispositivo denominado:

Provas
Caderno Container