Foram encontradas 40 questões.
Considerando os termopares tipos: T, J, E e K. A junção de medição é formada, respectivamente, pelos seguintes materiais:
Provas
Considerando um sistema de automação utilizando um CLP (Controlador Lógico Programável), qual das alternativas abaixo contém somente elementos de saída, digital ou analógico?
Provas
Existem três instruções de temporizadores padrões na norma IEC61131-3 para CLPs. Assinale a alternativa que indica quais são tais instruções.
Provas
Os circuitos tipo selo, com botões independentes “liga” e “desliga”, são usados para acionamento seguro de máquinas, pois na energização do circuito eles sempre retornam em um estado definido. Da mesma forma, é possível atribuir prioridade quando os dois botões são acionados simultaneamente.
Assinale a alternativa que apresenta o circuito que tem prioridade para o botão “liga” e funciona de forma correta.
Provas
Considerando a figura:

Instalando-se um sensor analógico de nível com variação de 0 (zero) a 100%, cuja saída de corrente seja de 4 mA a 20 mA. Assinale a alternativa na qual a equação representa a relação do nível (eixo X) versus corrente (eixo Y).
Provas
Os sistemas de controle são classificados em dois tipos: sistemas de controle em malha aberta e sistemas de controle em malha fechada, sendo que:
Provas
Assinale a alternativa na qual o circuito representa um Buck-Boost.
Provas
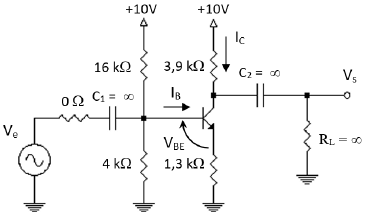
No circuito a seguir, o ganho β = IC/IB do transistor bipolar vale 300 e VBE = 0,7 V. Assinale a alternativa que contém as afirmações corretas:

Provas
No circuito RC, mostrado na figura a seguir, em quanto tempo a tensão VC irá atingir 99% do valor de E?

Provas
Considere um motor de 12 pontas, assinale a alternativa que indique o fechamento para 380 V, trifásico.
Provas
Caderno Container