Foram encontradas 40 questões.
Dado o circuito a seguir, calcule a corrente I do circuito, considerando a rede de alimentação em 60 Hz e valor de !$ \pi 3,14 !$.

Provas
Assinale a alternativa que indicam as sete camadas definidas pelo modelo de interconexão OSI (Open Systems Interconnection) da ISO (International Standardization for Organization), considerando do nível 1 ao nível 7 em ordem crescente.
Provas
Assinale a alternativa que apresenta alguns dos Protocolos Ethernet Industriais.
Provas
Os inversores de frequência permitem a utilização de dois tipos de controle: o escalar e o vetorial. Assinale a alternativa correta para as principais características destes tipos de controle:
Provas
Assinale a alternativa que indica as vantagens no uso da partida estrela- triângulo:
Provas

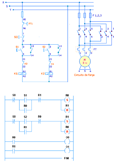
Considerando as figuras de força/comando e o diagrama Ladder a seguir, pode-se afirmar que eles representam um circuito de:
Provas
Provas
- ECAGeralDireitos Fundamentais (art. 7º ao 69)Do Direito à Educação, à Cultura, ao Esporte e ao Lazer (Art. 53 a 59)
Analise o seguinte relato:
Um discente do ensino médio integrado ao curso de informática frequenta de forma irregular o primeiro semestre, apresentando mais de 25% de faltas e baixo rendimento escolar. No segundo semestre os docentes percebem que após três semanas letivas o adolescente ainda não compareceu às aulas.
De acordo com a Lei 8069/90, art. 4º e art. 5º:
Provas
Provas
A Lei nº 8.112, de 11 de dezembro de 1990, apresenta em seu Capítulo V as penalidades disciplinares aplicáveis ao servidor público federal. Considerando o que dispõe os artigos do referido capítulo, faça a correspondência adequada das penalidades disciplinares abaixo relacionadas com suas respectivas infrações:
1- advertência
2- suspensão
3- demissão
( ) ausentar-se do serviço durante o expediente, sem prévia autorização do chefe imediato;
( ) ofensa física, em serviço, a servidor ou a particular, salvo em legítima defesa própria ou de outrem;
( ) recusar-se a atualizar seus dados cadastrais quando solicitado;
( ) insubordinação grave em serviço;
( ) reincidência em cometer a pessoa estranha à repartição, fora dos casos previstos em lei, o desempenho de atribuição que seja de sua responsabilidade ou de seu subordinado.
Assinale a alternativa que apresenta a sequência CORRETA:
Provas
Caderno Container