Foram encontradas 449 questões.
A tabela da verdade a seguir descreve o funcionamento lógico de um determinado sistema implementado num CLP, onde A e B são sinais de entrada, e S é o sinal de saída. Considerar que S’ representa o valor de S no início do ciclo de varredura, e que S’’ é o valor de S no final do ciclo (após a conclusão do ciclo de varredura).

Qual é o diagrama Ladder que traduz a lógica descrita pela tabela da verdade?
Provas
Em instrumentação são utilizados os transmissores que são instrumentos que convertem um sinal qualquer, de um sensor ou transdutor, em um sinal padrão para ser enviado a distância. Quando este sinal padrão é elétrico, ele pode ser transmitido em tensão ou corrente, sendo os padrões de sinais elétricos mais utilizados: as redes analógicas de tensão (padrão 0 a 10V e padrão -10V a +10V) e as redes analógicas de corrente (padrão 0 a 20mA e padrão 4 a 20mA).
Em relação à transmissão do valor de uma variável, através de sinais elétricos entre um transmissor e um controlador, seguindo esses padrões de redes analógicas, indique a afirmativa correta.
Provas
O funcionamento dos computadores digitais é baseado em numeração binária. Além desta, a numeração hexadecimal também é muito utilizada por programadores. Um técnico de laboratório analisa 3 bytes de um arquivo. O primeiro byte é, em hexadecimal, BB. O segundo byte é, em hexadecimal, o número AA. O técnico desconfia que o terceiro byte é a soma dos dois primeiros. O valor da soma desses dois primeiros bytes é, em hexadecimal:
Provas
Dado o circuito com as portas lógicas a seguir:

Admitindo-se que os sinais digitais presentes nas entradas sejam A1=0, B1=1, A2=1 e B2=1, quais serão os sinais digitais que teremos em S1, S2, S3 e S4, respectivamente?
Provas
A figura a seguir apresenta um diagrama de um acionamento via ponte H e modulação tipo PWM, de modo a controlar a velocidade de um motor de corrente contínua. Analise as afirmações a seguir, indicando qual é a alternativa incorreta.

Provas
Dado o diagrama apresentado pela figura a seguir, o qual mostra uma arquitetura típica de um microcontrolador 8051, marque a alternativa que apresenta um componente que NÃO está presente no referido diagrama.

Provas
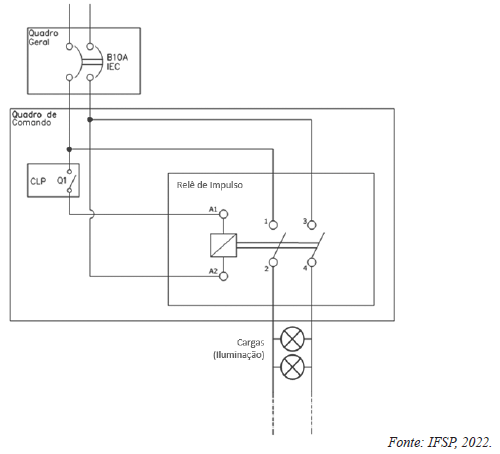
Admitindo o circuito a seguir, ao acionarmos o contato Q1 do CLP numa ação pulsada (fecha e abre na sequência), repetindo a operação diversas vezes, com intervalo de 5 minutos entre os pulsos, o que ocorrerá no circuito de iluminação?

Provas
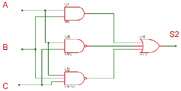
Durante a elaboração de um projeto de automação foi levantada a seguinte equação lógica booleana, que corresponde ao funcionamento do equipamento:
!$ S_2 = A.B + B.\overline C + \overline A. \overline B. \overline C !$
Esta equação foi simplificada, sendo desenvolvido um circuito digital que representa esta automação. Identifique, dentre as alternativas a seguir, qual representa o circuito digital simplificado correto:
Provas
Dado o circuito de alimentação de uma porta de um Microcontrolador (MC) a seguir, determine a principal função do Diodo (D) no circuito:

Provas
A maioria das máquinas operatrizes normalmente possui inúmeros componentes elétricos. Conhecer esses componentes e utilizar equipamentos de medição de grandezas elétricas é fundamental para a manutenção dessas máquinas. No circuito abaixo, qual será o valor de intensidade de corrente elétrica apresentado pelo amperímetro?

Provas
Caderno Container