Foram encontradas 50 questões.
Os processos de tecnologia de montagem
são cruciais para agregação de valor em produtos
acabados. Entretanto, durante o projeto, seja ele de
máquinas, equipamentos ou produtos, devem-se
levar em consideração as manutenções pelas quais
eles passarão, buscando uma forma de otimização
na realização da manutenção e montagem e desmontagem do produto. Na união de elementos e
conjuntos mecânicos, há as uniões permanentes e
móveis. Desse modo, na tecnologia de montagem,
especificamente, pode-se afirmar que:
Provas
Questão presente nas seguintes provas
Os processos de conformação mecânica de
materiais metálicos baseiam-se no emprego de
tensões mecânicas que geram deformação plástica
e, em função disso, mudam a forma do material
trabalhado. Forjamento, laminação, extrusão e trefilação são importantes processos de conformação
de volumes. De forma específica, na laminação
convencional utiliza(m)-se:
Provas
Questão presente nas seguintes provas
A imagem a seguir ilustra a saída de um circuito retificador.

Fonte: IFSP, 2023.
A respeito desse circuito, pode-se dizer que se trata de um circuito retificador do tipo:

Fonte: IFSP, 2023.
A respeito desse circuito, pode-se dizer que se trata de um circuito retificador do tipo:
Provas
Questão presente nas seguintes provas
Os inversores de frequência são usados amplamente na indústria e substituíram variadores de
velocidade mecânicos, eletromagnéticos e hidráulicos. A respeito dos inversores de frequência, são
feitas as seguintes afirmações:
I. Inversores de frequência podem alterar o módulo e a frequência da tensão da rede trifásica de alimentação de um motor trifásico.
II. A tensão de entrada e de saída de um inversor de frequência são sempre ondas senoidais.
III. Inversores de frequência podem trabalhar com entradas monofásicas. No entanto, seu número de fases de saída será sempre igual ao número de fases de entrada.
IV. A aceleração e a frenagem de motores podem ser controladas com inversores de frequência.
Sobre as afirmações apresentadas podemos dizer que são corretas apenas:
I. Inversores de frequência podem alterar o módulo e a frequência da tensão da rede trifásica de alimentação de um motor trifásico.
II. A tensão de entrada e de saída de um inversor de frequência são sempre ondas senoidais.
III. Inversores de frequência podem trabalhar com entradas monofásicas. No entanto, seu número de fases de saída será sempre igual ao número de fases de entrada.
IV. A aceleração e a frenagem de motores podem ser controladas com inversores de frequência.
Sobre as afirmações apresentadas podemos dizer que são corretas apenas:
Provas
Questão presente nas seguintes provas
Assinale a alternativa correta sobre sensores
capacitivos, indutivos e magnéticos.
Provas
Questão presente nas seguintes provas
Um microcontrolador tem conversores analógicos digitais internos. Esses conversores são
responsáveis por transformar uma entrada analógica de tensão externa em um valor digital interno.
Para que essa conversão ocorra de maneira correta,
devem ser obedecidos os valores máximos e mínimos de tensão permitidos pelo microcontrolador e
a quantidade de bits com que esse conversor trabalha. Um microcontrolador que trabalha em uma
faixa de tensão de 0 a 5,0 Volts e com 10 bits faz a
leitura de um sensor de temperatura que consegue
ler temperaturas entre 0 e 100ºC e tem, como saída, tensões de 0 a 5,0 Volts. Pode-se afirmar que:
Provas
Questão presente nas seguintes provas
Os sistemas de medições em máquinas CNC
podem ser absolutos ou incrementais. Assinale a
alternativa que contenha a afirmação verdadeira
sobre sistemas de medição.
Provas
Questão presente nas seguintes provas
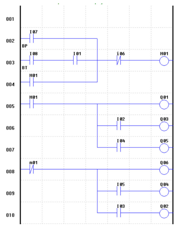
Analise o circuito eletropneumático a seguir e o código LADDER que o controla. Assinale a alternativa que representa a sequência algébrica da movimentação do sistema (BP-Botão pulsante e BT-Botão
com trava):


Fonte: IFSP, 2023.


Fonte: IFSP, 2023.
Provas
Questão presente nas seguintes provas
Um estudante deseja realizar uma medição
de tensão elétrica em um circuito. Ele tem, em
mãos, um multímetro com ajuste de escala automático. Sabe-se também que este multímetro tem
4 entradas diferentes contendo em cada uma delas
os textos (A, mA, V e COM). Sobre essa medição,
pode-se afirmar que:
Provas
Questão presente nas seguintes provas
“As dimensões dos componentes devem ser
precisas, pois auxiliam no processo de montagem
e desempenho do conjunto fabricado. Por meio
delas, são dimensionados o tipo de ajustes entre
peças e métodos e sequência de montagem a serem
realizados. Por isso, dependendo do que se quer
medir, há um instrumento de medição adequado
ao processo, que garante as dimensões e qualidade
das peças fabricadas.”
Em relação aos instrumentos de medida, pode-se afirmar que:
Em relação aos instrumentos de medida, pode-se afirmar que:
Provas
Questão presente nas seguintes provas
Cadernos
Caderno Container