Foram encontradas 50 questões.
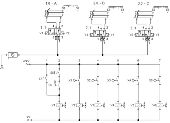
Analise o circuito LADDER a seguir e assinale a alternativa correta

Fonte: IFSP, 2023.

Fonte: IFSP, 2023.
Provas
Questão presente nas seguintes provas
A protoboard, também conhecida por matriz
de contatos ou placa de prototipagem é uma placa plástica furada com conexões metálicas internas que propiciam a montagem de circuitos com
componentes elétricos em testes de bancada. Nas
imagens mostradas a seguir, os pontos circulares
indicam os furos na parte plástica e as barras entre eles indicam as ligações metálicas internas. Assinale a alternativa que indica a ligação metálica interna correta:
Provas
Questão presente nas seguintes provas
Analise o circuito eletropneumático e o diagrama trajeto/passo a seguir. Assinale a alternativa que
contenha a montagem correta dos sensores para que o circuito funcione segundo o diagrama trajeto/passo:


Fonte: IFSP, 2023.


Fonte: IFSP, 2023.
Provas
Questão presente nas seguintes provas
Um técnico de uma grande indústria de motores elétricos é encarregado de verificar o funcionamento de motores recém-produzidos. Antes de
os motores serem despachados para os distribuidores, é essencial assegurar que funcionem adequadamente. Para isso, um dos principais ensaios
realizados é o ensaio a vazio.
Considerando essa situação, qual das afirmações sobre o ensaio a vazio é verdadeira?
Considerando essa situação, qual das afirmações sobre o ensaio a vazio é verdadeira?
Provas
Questão presente nas seguintes provas
- Robótica e Automação
- Análise e Controle de Sistemas
- Automação Industrial para Engenharia de Automação
Dentro da indústria de manufatura, a programação offline (OLP) tem se tornado uma prática
comum na programação de robôs. Com relação à
OLP, qual das seguintes afirmações é verdadeira?
Provas
Questão presente nas seguintes provas
Em uma fábrica de eletrônicos, um robô industrial é utilizado para a montagem de placas de
circuito. A velocidade e a precisão do robô são essenciais para garantir a qualidade do produto e otimizar a produção. Nesse contexto, o acionamento
por servomecanismo é fundamental.
O que diferencia um servomecanismo de outros tipos de acionamentos em robótica?
O que diferencia um servomecanismo de outros tipos de acionamentos em robótica?
Provas
Questão presente nas seguintes provas
Em uma indústria petroquímica, um tanque
de reação química é controlado por um sistema
PID. O controlador é responsável por manter o nível do líquido do tanque dentro de certos limites
pré-definidos. Um operador observou que, apesar
do nível do líquido se estabilizar corretamente no
ponto desejado, há uma oscilação persistente em
torno desse ponto.
Com base nessa observação, qual alteração no controlador PID poderia corrigir esse comportamento?
Com base nessa observação, qual alteração no controlador PID poderia corrigir esse comportamento?
Provas
Questão presente nas seguintes provas
Em um sistema de logística, um robô é utilizado para direcionar pacotes para diferentes destinos com base em um código de barras presente em
cada pacote. O robô funciona com uma máquina
de estados com quatro estados: S0, S1, S2 e S3,
que representam diferentes destinos. A lógica da
máquina de estados é:
• No estado S0: com entrada 1, vai para S1; com entrada 0, permanece em S0.
• No estado S1: com entrada 1, vai para S2; com entrada 0, volta para S0.
• No estado S2: com entrada 1, retorna para S1; com entrada 0, vai para S3.
• No estado S3: independente da entrada, retorna para S0.
Se o robô começa no estado S0 e recebe as entradas: 1, 1, 0, qual será o estado final?
• No estado S0: com entrada 1, vai para S1; com entrada 0, permanece em S0.
• No estado S1: com entrada 1, vai para S2; com entrada 0, volta para S0.
• No estado S2: com entrada 1, retorna para S1; com entrada 0, vai para S3.
• No estado S3: independente da entrada, retorna para S0.
Se o robô começa no estado S0 e recebe as entradas: 1, 1, 0, qual será o estado final?
Provas
Questão presente nas seguintes provas
A Lei nº 11.091/05, que “Dispõe sobre a
estruturação do Plano de Carreira dos Cargos
Técnico-Administrativos em Educação, no âmbito das Instituições Federais de Ensino vinculadas
ao Ministério da Educação, e dá outras providências”, é o documento que orienta para a evolução
da carreira do Técnico-Administrativo em Educação (TAE), baseando-se no Art. 12. “O Incentivo à
Qualificação terá por base percentual calculado
sobre o padrão de vencimento percebido pelo servidor, na forma do Anexo IV desta Lei, observados
os seguintes parâmetros”.
I. A aquisição de título em área de conhecimento com relação direta ao ambiente organizacional de atuação do servidor ensejará percentual equivalente na fixação do Incentivo à Qualificação do que em área de conhecimento com relação indireta;
II. A obtenção dos certificados relativos ao ensino fundamental e ao ensino médio, quando excederem a exigência de escolaridade mínima para o cargo do qual o servidor é titular, será considerada, para efeito de pagamento do Incentivo à Qualificação, como conhecimento relacionado diretamente ao ambiente organizacional.
III. Os percentuais do Incentivo à Qualificação não são acumuláveis e serão incorporados aos respectivos proventos de aposentadoria e pensão.
Indique a alternativa com apenas afirmações corretas acerca dos parâmetros:
I. A aquisição de título em área de conhecimento com relação direta ao ambiente organizacional de atuação do servidor ensejará percentual equivalente na fixação do Incentivo à Qualificação do que em área de conhecimento com relação indireta;
II. A obtenção dos certificados relativos ao ensino fundamental e ao ensino médio, quando excederem a exigência de escolaridade mínima para o cargo do qual o servidor é titular, será considerada, para efeito de pagamento do Incentivo à Qualificação, como conhecimento relacionado diretamente ao ambiente organizacional.
III. Os percentuais do Incentivo à Qualificação não são acumuláveis e serão incorporados aos respectivos proventos de aposentadoria e pensão.
Indique a alternativa com apenas afirmações corretas acerca dos parâmetros:
Provas
Questão presente nas seguintes provas
De acordo com Capítulo IV, do Título VIII,
da Constituição Federal de 1988, têm-se as normas
acerca da Ciência, Tecnologia e Inovação. Nesse
sentido, o art. 218 da Carta Magna dispõe que “O
Estado promoverá e incentivará o desenvolvimento científico, a pesquisa, a capacitação científica e
tecnológica e a inovação”.
Assinale a alternativa correta:
Assinale a alternativa correta:
Provas
Questão presente nas seguintes provas
Cadernos
Caderno Container